固定床反应器制备低含氢硅油毕业论文
2020-06-19 21:52:30
摘 要
低含氢硅油作为有机硅产品中生产及应用极为广泛的一类中间体,因其含有少量的Si-H,可通过化学反应与具有特定功能的基团相连,以满足应用领域中的特殊需求。延伸硅油的使用维度是有机硅行业中不可或缺的一项重要使命,目前其使用领域已从精密电子、军工等特殊领域的拓展到了机械、人造材料,药物医疗,日化用品等诸多行业,涵盖了国民生产的方方面面。
本课题以八甲基环四硅氧烷(D4)、高含氢硅油(Hs)、六甲基二硅氧烷(MM)为原料,在固体酸催化剂作用下发生开环重排聚合反应,并通过合理控制固定床反应温度,高径比等参数,制取含氢量已知、分子量分布狭窄的具有一定粘度的低含氢硅油。通过系列实验,得出了不同反应温度、高径比、床层高度、空速等因素对催化效果和产物品质的影响。实验结论如下:反应温度为70℃,床层高度为6m,大孔苯乙烯强酸性阳离子交换树脂的用量为47.5g。此时所得低含氢硅油相对分子量为7321,误差为1.9%;含氢量为0.096%,误差为4%。
关键词:低含氢硅油 固定床反应器 床层温度 高径比
Synthesis of Low Hydrogen-containing Silicone Oil by Fixed Bed Reactor
Abstract
Low hydrogen-containing silicone oil as a silicone products in the production and application of a very wide range of intermediates, Because it contains a small amount of Si-H, it can be chemically reacted with a group with specific functions to meet the specific requirements in the application field. Increasing the scope of application of silicone oil is an indispensable mission in the silicone industry. At present, its application field has been extended from the special fields such as precision electronics, military industry, aerospace and other fields, such as construction, machinery, man-made materials, medical medicine, Supplies and many other industries, covering all aspects of national production.
In this experiment, ring-opening rearrangement polymerization was carried out under the action of solid acid catalyst using octamethylcyclotetrasiloxane (D4), high hydrogen-containing silicone oil (Hs) and hexamethyldisiloxane (MM) And the low hydrogen-containing silicone oil with certain viscosity is known and the molecular weight distribution is narrowed by reasonable control of fixed bed reaction temperature and height-diameter ratio. The effects of different reaction temperature, aspect ratio, bed height and airspeed on the catalytic effect and product quality were obtained through a series of experiments. The experimental results are as follows: the reaction temperature is 70℃, the bed height is 6m, the amount of macroporous styrene cation exchange resin is 47.5g. The relative molecular weight of the low hydrogen-containing silicone oil was 7321, the error was 1.9%, the hydrogen content was 0.096% and the error was 4%.
Key words: Low hydrogen-containing silicone oil;Fixed bed reactor; Bed temperature; High and diameter ratio
目 录
摘要 I
Abstract II
第一章 绪论 1
1.1我国有机硅的发展现状 1
1.2有机硅的分类别 2
1.3含氢硅油 3
1.3.1部分含氢硅油的制备 4
1.4含氢硅油的应用 5
1.5研究目的和内容 5
第二章 低含氢硅油的合成 7
2.1主要试剂及仪器 7
2.1.1实验原料及试剂 7
2.1.2实验仪器 8
2.2合成路线 8
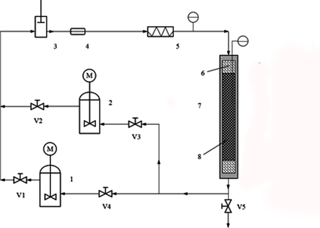
2.3实验流程 9
2.3.1 合成l-PHMS的实验装置 10
2.4含氢量的测定 10
2.4.1化学滴定法 10
2.4.2反应体积法 11
2.5粘度的测定 12
2.5.1实验步骤及注意事项 12
2.5.2粘度实验结果计算 13
2.6挥发份的测量 13
2.7相对分子量的测定 14
2.7.1凝胶渗透色谱GPC 法 14
2.7.2粘度法 14
第三章 固定床模型的构建与实验结果分析 15
3.1固定床模型 15
3.1.1固定床反应器的特点 15
3.1.2模型参数的选择 15
3.2结果与讨论 15
3.2.1固定床反应温度的影响 15
3.2.2高径比的影响 16
3.2.3床层高度的影响 18
3.2.4液体体积空速对粘度的影响 22
结论 23
参考文献 24
致谢 26
第一章 文献综述
1.1我国有机硅的发展现状
有机硅产品是一种近年来备受青睐,应用范围广阔的中高分子材料。其主链由硅氧键连接组成,支链上可与烷基,芳基,卤素等其他基团相连。由于在有机硅长链中含有无机和有机基团,并可有选择性的挂载功能基团,有机硅产品可表现出多重优良性能。具体表现在耐温性能,抗氧化,耐臭氧,无毒无腐蚀,环境友好等诸多方面[1-3],此外,部分特种产品还具有耐辐射,耐溶剂,耐腐蚀等特点[4]。近年来,围绕有机硅产品的研发进程发展迅猛。
随着我国政府对有机硅的反倾销政策开始实施,有机硅生产与应用行业都取得了显著的发展和提高。有机硅工业是一种同现代工业发展而崛起的新兴领域,体现着一个国家新型工业的发展水平和方向,自2009年以来,我国成功跻身全球有机硅生产大国,并于2010年有机硅总体国内需求供需平衡,有机硅氧烷净进口率在不断下降,且进口数目中多以我国不能满足生产、技术含量高的高端产品为主[2]。
由于有机硅单体过剩,使得原材料成本的大幅下降,引起与之相关产业的创新、研发大范围展开,将来国内有机硅材料的市场前景将非常广阔,有机硅的发展前景仍然非常大。除此之外,我国也是有机硅矿产资源极其丰富的国家,内蒙地区的优质矿产达97%,其中,巴彦卓尔市和包头及周边地区储量分别达3.37亿吨、4.5亿吨。据我国有机硅行业调查报告中显示,我国已经实现有机硅产品规模及结构优化目标,有机硅单体供给充分满足市场需求,其中基础牌号的有机硅材料完全满足需求,特殊牌号的有机硅材料也基本满足。
相关图片展示:







课题毕业论文、开题报告、任务书、外文翻译、程序设计、图纸设计等资料可联系客服协助查找。
