南京五桥南北引桥预应力连续梁桥设计-第一联左幅毕业论文
2020-07-07 22:16:55
摘 要
本设计是按照设计任务书的要求和《公路桥规》的规定,对南京五桥南北引桥预应力连续梁桥第一幅左联进行方案比选和设计的。连续梁桥是桥梁工程上使用广泛的一种桥型。在恒活载作用下,它产生的支点负弯矩对跨中正弯矩有卸载的作用,如此会使得梁的内力状态比较均匀合理,并且能节省材料,刚度大,整体性好,超载能力大,安全度大,桥面伸缩缝少,具有行车舒适平稳,养护的工作量小,设计及施工经验成熟的特点。设计一座梁桥必须从桥跨布置,尺寸拟定,钢束布置及施工方法等方面综合考虑,且要充分考虑设计参数和环境影响。本设计是五跨等跨连续梁桥,截面形式为单箱单室,等截面设置;施工方式是悬臂(挂篮)施工整体现浇。该设计先进行恒载、活载及次内力的计算,然后进行荷载组合,以次绘制弯矩和剪力包络图;其次,根据短期效应组合配置预应力钢筋,并且进行预应力损失的计算;最后,对该连续梁桥进行验算,检查是否满足设计要求。下部结构采用钻孔灌注桩,支座采用盆式橡胶支座,同时分别对桥墩和桩基础进行计算和验算。
本设计所有设计图纸采用计算机辅助设计绘制,计算机编档、排版,打印出图及撰写论文。并且,翻译了道桥专业英语书中的第九课和第十课。
关键词:桥梁设计 连续梁桥 悬臂施工(挂篮) 预应力
Design of Prestressed Continuous Girder Bridges of South and
North Approach Bridges of Nanjing Wuqiao
—The First Left Link
【Abstract】This design is based on the requirements of the design mission book and the provisions of the “Highway Bridge Regulations”. It compares the design and design of the first left link of the prestressed continuous girder bridge of the South and North Approach Bridges of Nanjing Wuqiao.Continuous beam bridge is a type of bridge widely used in engineering. Under the effect of constant live load, the fulcrum negative moment generated by the fulcrum has a unloading effect on the positive moment of the midspan, making the internal force state more uniform and reasonable, and can save materials, high rigidity, good integrity, large overload capacity, and high safety There are few bridge expansion joints, and it has the characteristics of comfortable and stable driving, small maintenance workload, and mature design and construction experience. Design a bridge must be laid across from the bridge-laying, the size of the development, steel beam layout and construction methods, but also give full consideration to the design parameters and environmental impact. This design is a five-span, equal-span, continuous girder bridge. The cross-section is in the form of a one-box single room with equal section settings. The construction method is the overall cast-in-place of the cantilever (hanging basket) construction.The first design includes constant load, the live load and the calculation of the internal forces. On the basis of a load combination, we can draw moment and shear envelope map. Next, according to the short-term effect combination disposition prestressed reinforcement, and carries on the loss of prestress the computation. Finally, carries on the checking calculation to this continuous bridge, whether to satisfy the design requirements.
All of the design drawings were protracted by Auto CAD. In addition, she translated the ninth and tenth lessons in the Road and Bridge professional English books.
【Key Words】 design; continuous bridge; the cantilever (hanging basket); prestress
目 录
摘 要 1
第一章 方案设计 1
1.1 跨径布置 1
1.2 顺桥向设计 2
1.3 横桥向设计 2
第二章 恒载计算 4
2.1 节段划分及截面几何要素计算 4
2.2 一期恒载计算 4
2.3 二期恒载计算 5
2.4 总恒载计算 6
第三章 活载计算 10
3.1 汽车荷载 10
3.2 最大、最小弯矩及其对应的剪力计算 11
3.3 最大、最小剪力及其对应的弯矩 15
第四章 温度和支座沉降次内力计算 20
4.1 温度次内力计算 20
4.2 支座沉降次内力计算 25
第五章 内力组合及内力包络图 27
5.1 短期效应组合 27
5.2 长期组合 28
5.3 基本组合 30
5.4 包络图 31
第六章 预应力筋的计算与布置 33
6.1 原理与方法 33
6.2 预应力筋的配置 33
6.3 钢束布置 42
第七章 净截面及换算截面几何特性计算 48
7.1 概述 48
7.2 净截面几何性质计算 48
7.3 换算截面性质计算 50
第八章 预应力损失及有效预应力计算 52
8.1 摩擦损失
52
8.2 锚具回缩损失
57
8.3 弹性压缩损失
63
8.4应力松弛损失
68
8.5收缩徐变损失
68
8.6预应力损失组合及有效预应力计算 69
第九章 承载能力极限状态验算 74
9.1 正截面承载力验算 74
9.2 斜截面抗剪承载力验算 77
第十章 正常使用极限状态验算 80
10.1 抗裂验算 80
第十一章 持久状况和短暂状况应力验算 84
11.1 持久状况截面混凝土法向应力验算 84
11.2 短暂状态应力验算 84
第十二章 墩及桩基础设计与计算 89
12.1 支座 89
12.2 墩身设计与验算 90
12.3 承台设计 92
12.4 桩基础设计 92
12.5 桩身内力及变位计算 95
第十三章 工程量及工程造价 98
参考文献 101
致 谢 102
第一章 方案设计
1.1 跨径布置
1.1.1 标准跨径
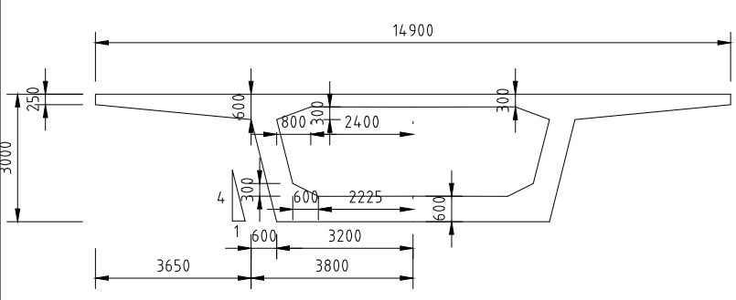
南京五桥南北引桥预应力连续梁桥第一幅左联长5×42m。根据设计任务书中的要求,本联设计采用等跨等截面箱型结构形式,布置时,通过计算调整,最后确定本联的跨径布置如下:
5×42m=210m

6
5
4
3
2
1
图1-1 纵向跨径布置
由上图可知本联为五跨等跨连续梁桥。
1.1.2 计算跨径
相关图片展示:







课题毕业论文、开题报告、任务书、外文翻译、程序设计、图纸设计等资料可联系客服协助查找。
