Cr35高铬铸铁堆焊熔覆金属材料组织性能及模拟研究毕业论文
2020-04-08 12:44:30
摘 要
本文通过手弧焊技术,以高碳高铬铸铁焊条为堆焊焊材,在Q235钢板上采用双层堆焊制备Fe-Cr-C堆焊合金,借助光学显微镜,硬度测试系统,耐磨粒磨损试验来研究高铬铸铁堆焊层组织及耐磨性。并借助Jmatpro软件来模拟不同的C、Cr含量对高铬铸铁的相成分变化的影响。
论文主要研究了高碳高铬铸铁堆焊层的合金相、组织及性能,堆焊层硬度及耐磨性测试比较分析,探讨Cr/C比、合金元素Mo、Ti对堆焊熔覆金属材料成分、组织的影响。
研究结果表明:过共晶高铬铸铁的显微组织主要由尺寸较大的六方形或棒状的初生M7C3碳化物组成。越接近堆焊层表面,稀释率越小,C含量增高,初生碳化物越粗大,碳化物总数增多,使过共晶高铬铸铁的硬度逐渐增加,比较不同的含碳量的堆焊金属试样,碳含量越高,耐磨性越好。Cr和C均能使M7C3碳化物增加,并且控制Cr / C比在3.3至9的范围内可获得大部分M7C3碳化物。同时,Mo可以固溶强化基体,Ti具有细化晶粒的作用。
本文的特色:目前,通常将亚共晶和共晶高铬铸铁作为常用的耐磨材料,对过共晶高碳高铬铸铁的研究较少。 本文通过试验结果,并借助Jmatpro软件模拟,来分析高碳高铬铸铁堆焊层的组织及相成分变化,因此有十分重大的研究意义。
关键词:过共晶高铬铸铁;初生碳化物;堆焊层组织;耐磨性;硬度
Abstract
In this article, through manual welding technology to high carbon high chromium cast iron welding rod for welding wire, on Q235 steel by using double deck surfacing welding preparation of Fe - Cr - C surfacing welding alloy, with the aid of optical microscope, hardness testing system, abrasion and grain test to study the structure and wear resistance of the high chromium cast iron hardfacing layer. Jmatpro software was used to simulate the effect of different C and Cr contents on the phase composition changes of high chromium cast iron.
Thesis mainly studied the high carbon high chromium cast iron hardfacing layer alloy phase, organization and performance of surfacing welding layer hardness and wear resistance test comparative analysis, explore the Cr/C ratio, Mo, Ti alloy elements on the overlaying welding metal cladding material composition, the influence of the organization.
The results show that the microstructure of hypereutectic high chromium cast iron is mainly composed of M7C3 carbides in the form of large hexagon or bar. The closer it gets to the surface of surfacing layer, the smaller the dilution rate, C content increased, the primary carbide is thick, the total number of carbide increased, make a eutectic gradually increased the hardness of high chromium cast iron and compare different carbon content of surfacing welding metal specimen, the higher the carbon content, resistance to wear, the better. Both Cr and C can increase M7C3 carbides, and most M7C3 carbides can be obtained by controlling Cr/C ratio from 3.3 to 9. At the same time, Mo can strengthen the matrix with solid solution, and Ti can refine grain.
Characteristics of this paper: at present, subeutectic and eutectic high chromium cast iron are commonly used as wear-resistant materials. This paper analyzes the changes of microstructure and phase composition of high carbon and high chromium cast iron surfacing layer through test results and Jmatpro software simulation, so it is of great research significance.
Key words: hypereutectic high chromium cast iron; Primary carbide; Structure of surfacing layer; Wear resistance; hardness
目 录
第1章 绪论 1
1.1 选题背景与意义 1
1.2 高铬铸铁研究概况 1
1.2.1 高铬铸铁基本组织 2
1.2.2 高铬铸铁型药芯焊丝堆焊层耐磨性 2
1.2.3 耐磨堆焊材料合金体系 2
1.3 研究目的及内容 3
第2章 试验材料与方法 5
2.1 试验设备 5
2.2 基体材料及堆焊材料 5
2.3 堆焊方案设计 5
2.4 堆焊工艺 5
2.4.1 焊前处理 6
2.2.2 焊后软化退火工艺 6
2.5 金相试样的制备 6
2.6 硬度测试 7
2.6.1 洛氏硬度测试 7
2.6.2 维氏硬度测试 7
2.7 Jmatpro模拟计划 8
第3章 高铬铸铁的堆焊层组织 9
3.1堆焊合金金相组织分析 9
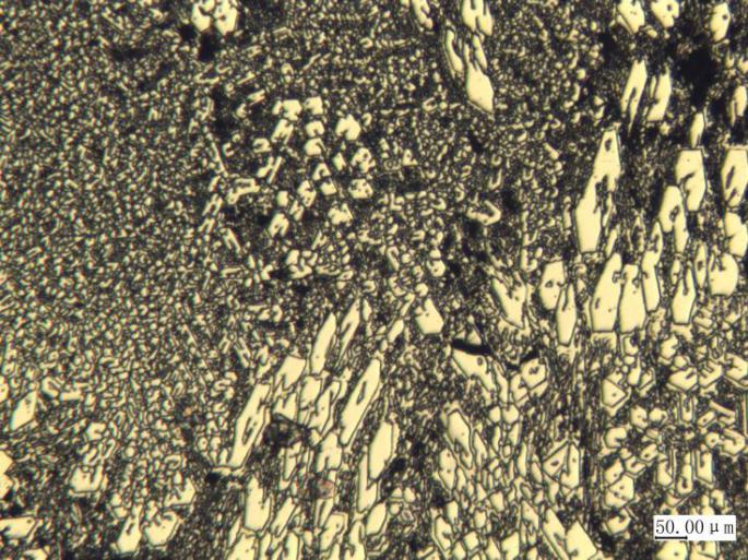
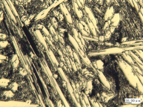
3.1.1 亚共晶熔覆层的组织特点 9
3.1.2 过共晶熔覆层的组织特点 9
3.2 硬度分析 10
3.2.1 显微硬度分析 11
3.2.2 宏观硬度分析 12
3.3 堆焊层合金组织对堆焊层宏观耐磨性的影响 13
3.4 本章小结 14
第4章 JMatpro模拟研究 15
4.1 Jmatpro软件介绍 15
4.2 不同碳含量对高铬铸铁组织性能的影响 15
4.3 不同铬含量对高铬铸铁组织性能的影响 17
4.4 合金元素Mo、Ti对高铬铸铁组织性能的影响 18
4.5 Jmatpro软件模拟结果的实用性分析 19
4.5.1 与本次试验的对比分析 19
4.5.2 与实际应用的对比分析 20
4.6 本章小结 20
第5章 结论 21
5.1 主要结论 21
5.2 不足与展望 21
参考文献 22
致谢 24
第1章 绪论
1.1 选题背景与意义
在我国,每年由于机械零件的磨损而造成十分巨大的损失,零件磨损不仅提高了用来设备维护的费用,还降低了设备的生产效率,在工业生产上,磨损是造成机械设备关键部件故障的主要原因之一。因此,提高材料的抗磨损性能具有十分重要的意义[1]。
高铬铸铁耐磨堆焊合金属于一种重要的耐应力磨损合金。它比普通白口铸铁具有更高的韧性,强度,耐高温性和耐腐蚀性。因此,它是世界上被认可的优良的抗磨材料之一。自1960年以来,高铬铸铁堆焊合金作为耐磨材料在水泥、冶金、电力和矿山行业被广泛应用。但是,高铬铸铁的脆性比较大,在高应力的冲击磨损的条件下易产生开裂的现象,因此高铬铸铁的使用范围受到局限。为了扩展其应用领域,研究耐磨性和韧性兼备的高铬铸铁堆焊合金具有极其重要的意义[2]。
堆焊是一种可以利用焊接热源将合金材料焊接到机械零件的表层的焊接方法,来起到加固和修复的作用[3]。通过堆焊可以增强材料表面耐磨性,减少因摩擦引起的脱落。高铬铸铁耐磨堆焊的实质在于通过施焊的方法将性能优良的耐磨材料与基材表面结合,使基材表面上覆盖一层堆焊熔覆金属,堆焊层有许多显微硬度高的碳化物分布在基体组织中,使得表面层具有足够的耐磨性[4]。为了使其具有良好的性能,需要在堆焊层中获得一定的硬度和耐磨性,并且还可以与基体良好地结合以防止剥落。因此,研究高铬铸铁焊缝金属的组织及性能具有非常重要的应用价值[5]。
1.2高铬铸铁研究概况
1.2.1 高铬铸铁基本组织
高铬铸铁是一种高合金铬系白口铸铁,其特点是硬度大,韧性高,耐磨性和耐腐蚀性好。其碳含量在2%~3.2%,铬含量在12%~28%左右。
在过共晶Fe-Cr-C熔覆层中出现3种共晶组织。γ M3C、γ M7C3和γ M23C6。一些文献提供了计算碳当量公式:CE=% C 0.05( Cr%) 0.33( Si%)[6],在高铬铸铁中,当 CElt;4.3%时是亚共晶组织,它由晶粒间的奥氏体树枝晶和少量共晶碳化物组成。在CE =4.3%时为共晶组织,共晶组织由奥氏体和细共晶碳化物组成。CE超过4.3%为过共晶组织,含有共晶组织和粗大的M7C3碳化物,初生M7C3碳化物呈六角形和均匀不连续的条状,中间有空洞,周围分布着细小的共晶碳化物,对基体具有小的分裂效应,因此该材料的总体韧性得到改善。与亚共晶和共晶组织相比具有更高的硬度和耐磨性能。在Fe-Cr-C系列堆焊合金中,对显微组织的影响是较大的C和Cr含量[7]。组织中C和Cr的含量直接影响高铬铸铁中M3C,M7C3和M23C6型碳化物的形成。当 Cr含量高(大约或大于20%)并且 Cr/C在3.5和10.2之间时,才能获得大部分的初生M7C3碳化物[8]。Cr一部分与C形成碳化物,一部分留在基体中起到固溶强化的作用,并且牢固地溶解在基体中,从而提高了结构的耐腐蚀性。
如上所述,高铬铸铁中有存在三种形势铬的碳化物,即M3C 型碳化物、M7C3型碳化物、M23C6型碳化物。在这三种碳化物当中,初生M7C3型碳化物是六方棱柱结构,共晶 M7C3型碳化物呈细小的网络状结构,M23C6型碳化物往往在高铬铸铁共晶碳化物中形成,晶格类型是面心立方体心结构。M3C 型碳化物是渗碳体型的碳化物,显微硬度相对较低,约为840~1100HV,M3C 型碳化物一般在含Cr量较低时出现,故往往不采用这样的组织。M7C3呈孤立的细长杆状分布,显微硬度在1300-2000HV左右,在三种碳化物中硬度是最高的,最有利于提供良好的耐磨性,由此可见,为了使高铬铸铁性能提高,需要得到大量的 M7C3型初生碳化物。C和Cr是促使v型初生碳化物形成的关键元素,当Cr原子溶入量增加能提高三种碳化物的显微硬度。为了获得共晶组织中分布的M7C3型初生碳化物的组织,我们需要对组织中C、Cr含量进行合适的控制。
杨威[9]研究了Cr/C比对高铬铸铁堆焊层组织性能和耐磨性的影响。采用高铬铸铁芯埋弧堆焊焊接获得高铬铸铁合金。当Cr/C增加时,初生M7C3型碳化物生长成细长的棒状,形状变得越来越规则。组织的耐磨随着初生碳化物面积分数的增加呈线性增加。然而,仅仅增加碳含量以增加碳化物的量将不可避免地导致Cr在碳化物形成中被消耗,结果导致留在基体中的Cr含量大大减少,因此不能起到固溶强化的作用,使淬透性降低,残留奥氏体增加。而且,当Cr/C比低时,会促进碳化物转变成M3C型结构。当碳含量降低时,碳化物的量相应减少,这有助于改善韧性。因此,选择碳﹑铬含量时必须考虑合适的铬碳比。
1.2.2 高铬铸铁堆焊层耐磨性研究
为了提高高铬铸铁的耐磨性,仅仅依靠M7C3碳化物来是不够的,因为在显微组织中 M7C3碳化物的形状较为粗大,并且抗磨损能力有限,由于脆性较大,受到磨损时容易破裂,脱落在基体上,这种现象更容易在有冲击应力时出现,导致材料的体积磨损增加,碳化物碎片脱落在表面上也会变成磨粒,磨损现象更加严重[10]。
Coronado[11]和Dogan[12]关于碳化物的生长位向对耐磨性的影响进行研究,但二者的研究结果却有很大矛盾。前者研究认为,裂纹更趋向于沿着M7C3碳化物的长轴方向伸展,因此当M7C3碳化物的长轴垂直于堆焊层表面时能会抑制裂纹的延伸。而后者研究认为,M7C3碳化物的长轴平行于表面能展现更高的耐磨性。目前,关于M7C3碳化物的生长位向规律的还没有得到结论,二者结论不同也可能是由于基体的组织不同产生了M7C3碳化物位向对耐磨性影响的差异。
Albertin和Sinatora[13]研究了磨粒磨损条件下基体对M7C3碳化物微裂纹的影响。研究发现,当基体为奥氏体这样的软质基体时,基体抗塑性变形能力差,不能支撑碳化物抵抗微裂纹的产生和扩展,大量的微裂纹会在M7C3碳化物中出现。当基体为硬质的马氏体时,M7C3碳化物出现微裂纹现象减少,并且耐磨性提高。这是因为硬质基体比软质基体的承载力强,塑性变形效小,能够承载碳化物,同时,有学者认为,存在于基体中的残余奥氏体有利于提高M7C3碳化物抵抗低应力下的冲击磨损的能力。
SARMA 和 MARIA[14]研究发现,焊后热处理也能对高铬铸铁堆焊合金耐磨性产生影响,研究表明,通过热处理可以增强堆焊层的抗磨损性能,主要原因有两个方面,一是因为细小碳化物沉积,二是因为碳化物和基体之间形成更紧靠的结合力,减少堆焊层表面碳化物脱落。
文献[15]报道了不同Mo含量对Fe-18%,Cr-3%C含量高铬铸铁耐磨性的影响。结果表明,结果表明,Mo可以提高结构的耐磨性,并起到固溶强化作用。所以,研究和讨论高铬铸铁堆焊合金的耐磨性主要集中在三个因素,分别是 M7C3型碳化物生长方向,基体组织以及合金元素。
1.2.3耐磨堆焊材料合金体系
合金化是通过添加合金元素与氧,氮,碳和其他非金属元素反应来改善高铬铸铁性能的有效方法之一。在冷凝过程形成中大量细小的氧化物、氮化物以及碳化物等微小的颗粒悬浮于铁水中,成为异质形核中心,最终起到细化晶粒特别是对初生奥氏体或碳化物方面具有非常显著的作用[16]。高铬铸铁的基本合金体系是Fe-Cr-C,在此基础上还往往加入其他合金元素提高性能。本课题自制高铬铸铁焊条,其中,Mo、Ti对堆焊层性能的影响是本课题研究的重要一部分,钼不仅生成少量Mo2C,而且固溶强化基体组织,钛是活泼的元素之一,它能与空气中的氧、氮、碳等发生反应而成膜,Ti C、Ti N有熔点高,性能稳定,不易溶解,细化铸态组织的特点。故采用Fe-Cr-V-Mo-Ti系高铬铸铁合金体系。
1.3 研究目的及内容
本课题选择Cr35(C5.0,余Fe)成分为主的高铬铸铁堆焊熔覆金属(含有Mo0.75、Ti0.25)为研究对象,利用JMatPro软件对Cr35高铬铸铁堆焊熔覆金属的物理性能和相图进行分析计算,研究不同Cr/C比、及Mo、Ti的成分对熔覆金属的影响,选出性能最优成分,在Q235钢板堆焊后的熔覆金属材料,运用光学显微组织观察,堆焊层(梯度)硬度及耐磨性测试,分析比较单、双层堆焊条件下的焊缝成形性、堆焊层硬度分布梯度。
(1)了解高碳、高铬铸铁堆焊熔覆金属的焊接工艺、单双层材料性能特点,制定手弧焊的堆焊试验方案;学习并熟练掌握JMatpro材料性能模拟软件的使用方法。
(2)采用合适焊接规范,制备Cr35(C5.0,余Fe)堆焊熔覆金属材料样品,金相制样,比较分析单双堆焊层数时,材料焊缝成形及抗裂性能。
以上是毕业论文大纲或资料介绍,该课题完整毕业论文、开题报告、任务书、程序设计、图纸设计等资料请添加微信获取,微信号:bysjorg。
相关图片展示:







课题毕业论文、开题报告、任务书、外文翻译、程序设计、图纸设计等资料可联系客服协助查找。
