金属制品工厂配电系统设计毕业论文
2020-04-08 13:24:29
摘 要
在近些年来,我国在电力产业方面有了很大的进步,配电自动化技术在电力市场以及城市电网的建立中普遍应用。故而提高配电网自动化的应用技术,增强配电网的可靠性,对提高人们今后的生活质量和加快国民经济的发展起着重要作用。经过近几年的城乡电网改造,我国在配电网自动化方面取得了一定的成绩,在供电指标和供电可靠性方面也取得了很大的进步。
该设计涉及到整个工厂的电力负荷计算、配电设备的选择、一次和二次布线电路以及配电系统的监测。在绘制主接线图的基础上,完成智能监控系统的设计。因此,需要了解金属制品工厂各车间的生产设备组成和供配电基本要求,掌握国标规定的配电设计基本原理和设计方法,根据各生产设备的负荷要求确定总的负荷容量及高、低压配电各组成部分的用电分配;采用需求系数法计算各配电设备的负荷,选择厂变电所的容量和变压器数目,确定供电系统和合适的配电方案,选择高、低压配电设备,计算每个短路点的三相和单相短路电流,并对高低压设备进行短路检测。并根据该厂情况,借助计算机辅助软件AutoCAD绘制相关电气主接线图,选择合适的中低压配电监控软件设计配电智能监控系统,以实现电能的统计。
关键词:配电自动化;负荷计算;需要系数法;电气主接线图;短路电流
ABSTRACT
In recent years, China has made great progress in the power industry. Distribution automation technology has been widely used in the electricity market and the construction and transformation of urban power grids. Therefore, accelerating the development of distribution network automation technology and improving the safety and reliability of distribution networks play an important role in improving people's future quality of life and accelerating the development of the national economy. After these years of transformation of the city network and rural power grids, China's distribution network automation has achieved certain progress, and has greatly improved the power supply indicators and power supply reliability, and it is also continuing to improve.
This design involves the load calculation of the entire plant, the selection of distribution equipment, a secondary electric circuit and the monitoring of the distribution system. Based on the drawing of the main electrical wiring diagram, the design of the intelligent monitoring system is completed. Wait. Therefore, it is necessary to understand the composition of production equipment and the basic requirements for power supply and distribution in workshops of metal products factories, to grasp the basic principles and design methods of power distribution design specified by the national standard, and to determine the total load capacity and the high and low pressure distributions according to the load requirements of each production equipment. Distribution of electricity for each component of electricity; load factor calculation for each distribution equipment is required; select the capacity and number of transformers for the plant substation, determine the power supply system and suitable distribution scheme, and choose high and low voltage distribution The electrical equipment calculates three-phase and single-phase short-circuit currents for each set short-circuit point, and performs short-circuit verification on the high- and low-voltage equipment. According to the situation of the plant, the computer-aided software AutoCAD is used to draw the relevant electrical main wiring diagrams, and the appropriate middle and low voltage distribution monitoring software is selected to design the power distribution intelligent monitoring system to realize the statistics of electric energy.
Keywords: distribution automation, load calculation, coefficient of need method, main wiring diagram, short-circuit current
目 录
第1章 绪论 1
1.1背景介绍 1
1.2 国内外发展现状 1
1.3 供配电系统的研究意义 2
1.4设计要求 2
第2章 工厂的负荷计算及无功功率补偿 3
2.1负荷计算 3
2.2无功功率补偿 10
第3章 变压器的型号选择和主接线方案选择 11
3.1主变压器的型号选择 11
3.1.1 变压器台数的选择 11
3.1.2 变压器容量的选择 11
3.2各个车间的变压器型号选择 11
3.3 主接线方案设计 12
3.3.1 主接线方案的设计 12
3.3.2 主接线方案的比较 13
第4章 短路电流的计算 14
4.1 短路电流计算的基本公式 14
4.2 电抗标幺值的计算公式 15
4.3 确定基准值、计算电抗标幺值 16
第5章 高、低压电气设备的选择与校验 19
5.1 高压设备的选择与校验 19
5.2 低压设备的选择与校验 21
5.3 各个车间的设备选择与校验 21
5.4 母线的选择 23
5.5 导线的选择 24
第6章 继电保护的整定与计算 25
6.1 高压线路的继电保护 26
6.2 变压器的继电保护 27
6.3.配电的智能监控与电能统计 27
结束语 29
参考文献 30
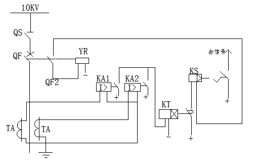
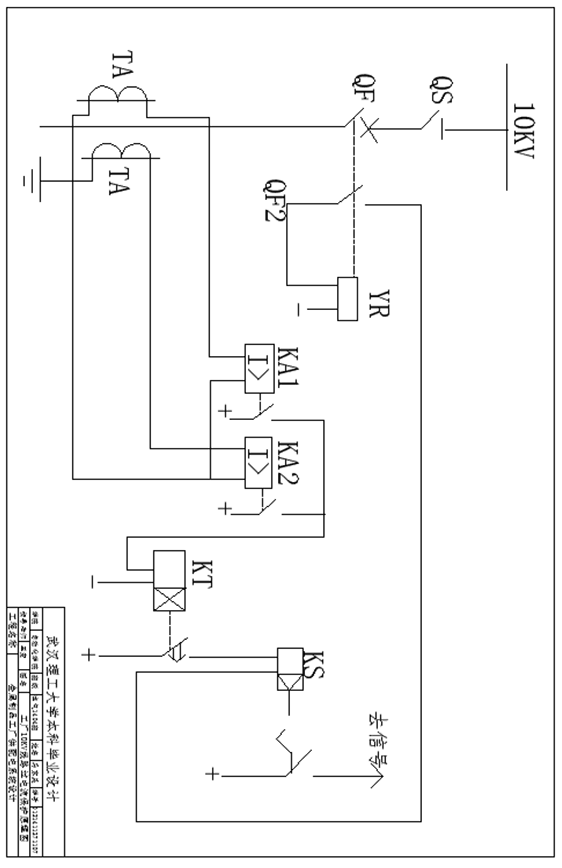
附录A 电气主接线图 31
附录B 过电流保护原理接线图 32
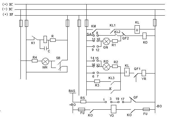
附录C 断路器控制回路和信号回路 33
致谢 34
第1章 绪论
1.1背景介绍
在我国,不管是工厂生产还是日常生活,我们都离不开电能的应用。正因为电能在我们生产生活中的重要地位,所以我们必须要保证电能的正常供应以及电能的质量。如果供配电系统出现故障,不仅会给我们的生产和生活带来不便,而且会威胁到我们的生命和财产的安全。
电力系统是根据一定的技术和经济要求,由生产、改造、传输、分配和使用的各种电气设备组成的联合系统[1]。电能通过的设备一般称为电力系统的一次设备。电力系统的二次设备是指对一次设备的运行状态进行监视、测量、控制和保护的设备。目前,电能不能大容量储存,生产、传输和消耗都是同时完成的。因此,电能的生产应始终与电能消耗相平衡,满足质量要求[2]。由于夏季、冬季负荷大于春秋负荷,平日负荷大于休息日负荷,白天出现高峰和低谷,电力系统中的一些设备因绝缘材料老化、制造缺陷、自然灾害等原因而失效和退出运行。为了满足负荷变化和电力设备安全运行的需要,电力系统的运行状态随时发生变化。
做好工厂供电工作对于发展工业生产,实现工业现代化具有十分重要的意义。由于能源节约是工厂供电工作的一个重要方面,而能源节约对于国家经济建设具有十分重要的战略意义,因此做好工厂供电工作,对于节约能源、支援国家经济建设也具有重大的作用。
1.2 国内外发展现状
现代大中型工厂供配电系统的电气主接线和运行方式都比较复杂,随着经济的快速发展和现代工业建设的不断深入,供电系统的设计越来越全面、系统,工厂的耗电量迅速增加。供配电系统不仅是电力系统的电力用户,也是组成电力系统的重要部分。它由总电压变电所、高压配电站、车间变电站、配电线路和电气设备组成。在小型工厂中,电能首先通过高压配电站,然后通过变压器,低压配电线路将车间变电站的电能发送给低压电力设备[3]。
在我国电力工业发展的过程中,长期以来存在着“重发轻供不管用”的倾向,致使大多数配电系统网架薄弱。近年来,经济的持续发展和人民生活水平的不断提高使得配电系统的问题更加严峻。配电系统是整个电力系统的重要组成部分。资料显示,配电系统的投资费用大约占整个电力系统投资的40%,对于采用地下电缆的城市配电系统,这个比例更大,而且由于配电系统电压低且分布广,相对于输电系统有更多的线路损耗,有时高达整个系统线损的85%[4]。怎样通过优化规划与设计尽量降低配电系统的投资费用和运行费用,具有显著的经济意义。另外,配电系统是电力系统到用户的最后一环,与用户的联系最紧密,配电系统的安全、可靠、经济的运行不仅关系到电力公司的经济效益,而且对于提高用户的满意度和树立良好的公司形象有着重要意义。因此,为了找到最合理的设计方案,必须对新建和扩建的配电网进行科学的规划。
在我国,供配电的建设未能得到重视,资金短缺,技术性能落后,另外供配电技术环节形成电力需求与供配电设施不协调的局面。随着人们生产活动的日渐增多,工厂对电能的需求也在日益增加,作为评估电能质量的相关指标,例如电能的可靠性、电能的经济状况、电能的质量等指标也随之有待提高。
1.3 供配电系统的研究意义
目前,电能已成为人们生活中不可缺少的能源,已经被广泛应用于工业生产和生活的各个领域。为人们提供更加舒适方便的工作环境和生活环境创造了条件。电力是现代事业发展的主要能源和动力,没有电力可以说就没有国有经济的现代化。现代的生活都离不开电力,都是建立在电气的基础上。因此,电力供应如果中断,将会给现代的发展带来严重的影响。譬如那些对可靠性有有很高要求的企业,即使工厂中设备停电的时间极短,也能引起工厂中严重的事故发生,故而,必须认真做好达到系统供电要求,切实保证电力系统的正常运行,更好地发展生产,实现过程的全部自动化。
要切实保障生产和日常社会生活的需求,就必须做好工厂供电系统的工作,在确保可靠供电的前提下,考虑并努力做好节能减排工作,实现高效,优质供电供电部门必须做到安全、可靠、优质和经济等方面[5]。
当然,除了上述的基本要求,想要高质量的做好工厂的供电工作,还要学会合理地做好工厂供电长远发展的规划安排,不仅要考虑到局部的利益,还要有长远的目光和见识,做到适应长期发展目标的要求。
1.4设计要求
该设计是某金属制品工厂搬迁改造,全厂生产车间及各公辅设备电力供应要求统一规划设计。以车间及各个制品区域综合考虑各用电设备负荷要求,依据国家供电部门的技术要求,设计整个金属制品工厂的供配电系统,基本原则为:整个金属制品区域建设一个高压开关站,相邻车间共建一个低压配电室。完成变压器、高压开关站和配电室的第一、第二电路设计。通过工厂变电所将10 kV由室外垂直方式引入的高压电源降低到220/380 V低压电源,然后由低压配电室提供车间设备的电力系统和公用辅助设备。同时,选择合适的组态软件,完成对配电和电力统计的智能监控。
第2章 工厂的负荷计算及无功功率补偿
2.1负荷计算
根据该工厂提供的数据可知,该厂的车间负荷大部分为二级负荷。该厂各个车间的电力负荷数据如下:
酸洗车间动力部分负荷总量为257.88KW;PC钢绞线车间动力部分负荷总量为14718.7KW;PC钢丝车间动力部分负荷总量为2668.7KW;PC钢棒车间动力部分负荷总量为3410KW;拉丝车间动力部分负荷总量为5265KW;热处理及镀锌车间动力部分负荷总量为1410KW;钢丝绳车间动力部分负荷总量为3893.9KW;1#成品库动力部分负荷总量为114.2KW;原料仓库动力部分负荷总量为81.4KW;拉力试验机车间动力部分负荷总量为30KW;理化实验楼动力部分负荷总量为100KW;工序检验站动力部分负荷总量为50KW。为了保证工厂照明设备的正常工作,各个车间的照明部分负荷总量规定为2KW,生活办公区域的负荷总量为120KW。
计算负荷的方法有很多,在我的这次设计中,我采用需要系数法来对各个车间的负荷进行计算[6]。为了更加方便直接的对各车间的数据进行处理,我把各车间的负荷数据以及其他参数放在下面的表2-1中。
上面已经提到,本次设计的负荷计算采用需要系数法,该方法计算各种负荷的基本公式为:
有功计算负荷:
(2-1)
无功计算负荷:
(2-2)
视在计算负荷:
(2-3)
计算电流:
(2-4)
其中
是需要系数,
是整个工厂的设备总容量[7]。
根据基本公式计算各个车间的负荷如下:
1.酸洗车间
动力部分:有功计算负荷:
无功计算负荷:
视在计算负荷:
计算电流:
照明部分:有功计算负荷:
无功计算负荷:
视在计算负荷:
计算电流:
表2-1 各车间的负荷及其他主要参数
车间名称 | 负荷类别 | 设备容量(KW) | 需要系数Kd | 功率因数cosϕ | tanϕ |
酸洗 车间 | 动力部分 | 257.88 | 0.8 | 0.8 | 0.75 |
照明部分 | 2 | 0.9 | 1 | 0 | |
PC钢绞线车间 | 动力部分 | 14718.7 | 0.8 | 0.7 | 1 |
照明部分 | 2 | 0.9 | 1 | 0 | |
PC钢丝车间 | 动力部分 | 2668.7 | 0.8 | 0.7 | 1 |
照明部分 | 2 | 0.9 | 1 | 0 | |
PC钢棒车间 | 动力部分 | 3410 | 0.8 | 0.7 | 1 |
照明部分 | 2 | 0.9 | 1 | 0 | |
拉丝车间 | 动力部分 | 5265 | 0.7 | 0.6 | 1.33 |
照明部分 | 2 | 0.9 | 1 | 0 | |
热处理及镀锌车间 | 动力部分 | 1410 | 0.7 | 0.8 | 0.75 |
照明部分 | 2 | 0.9 | 1 | 0 | |
钢丝绳车间 | 动力部分 | 3893.9 | 0.7 | 0.6 | 1.33 |
照明部分 | 2 | 0.9 | 1 | 0 | |
1#成品库 | 动力部分 | 114.2 | 0.7 | 0.8 | 0.75 |
照明部分 | 2 | 0.9 | 1 | 0 | |
原料仓库 | 动力部分 | 81.4 | 0.8 | 0.8 | 0.75 |
照明部分 | 2 | 0.9 | 1 | 0 | |
拉力试验机车间 | 动力部分 | 30 | 0.8 | 0.8 | 0.75 |
照明部分 | 2 | 0.9 | 1 | 0 | |
理化实验楼 | 动力部分 | 100 | 0.8 | 0.8 | 0.75 |
照明部分 | 2 | 0.9 | 1 | 0 | |
工序检验站 | 动力部分 | 50 | 0.8 | 0.8 | 0.75 |
照明部分 | 2 | 0.9 | 1 | 0 | |
生活办公 | 120 | 0.9 | 0.9 | 0.48 |
2.PC钢绞线车间
动力部分:有功计算负荷:
以上是毕业论文大纲或资料介绍,该课题完整毕业论文、开题报告、任务书、程序设计、图纸设计等资料请添加微信获取,微信号:bysjorg。
相关图片展示:






课题毕业论文、开题报告、任务书、外文翻译、程序设计、图纸设计等资料可联系客服协助查找。
