基于51单片机的智能家居系统设计毕业论文
2020-04-08 14:24:38
摘 要
随着经济社会的发展,在物质、科技、信息充斥的时代中,生活的必须不仅仅局限于生活的必需品,更多的是对人性化、智能化的需求。同时科技的进步带动着制造业的发展,也在极大程度上推动着智能家居的诞生。
按照设计要求以51单片机为核心。根据设计要求,分析设计过程我们可以得到一下模块分配:智能计数通过红外避障模块检测室内人数,室内人数可以通过数码管显示。当室内人数为零时,窗帘闭合,灯关闭,空调关闭且设置温度为25℃。当时内人数不为零时,开启自动模式相应检测。开启自动模式的同时,系统进行室内温度检测和外界光照强度的检测。智能窗帘通过光敏电阻检测外界光照强度,当光照强度达到设定阈值时,智能家居系统通过单片机控制电机将窗帘开启,否则关闭窗帘。智能空调通过温度传感器检测室内温度,当检测温度在设置阈值范围以外,智能家居系统通过单片机控制空调开启,否则空调关闭。
本次设计选用华中电子科技开发板模拟智能家居环境系统,同时使用keil来编写C语言程序,继而完成软件调试,然后下载到开发板进行硬件调试,联合开发板以及实物搭建,完成本次毕业设计。
关键词:智能家居,单片机,AT89S52,人数检测模块,自动模式
Abstract
With the development of economy and society, in the era of material, science and technology, and information, life must not only be limited to the necessities of life, but also more to humanity and intelligence. At the same time, the progress of science and technology has driven the development of the manufacturing industry, and it has also greatly promoted the birth of smart homes.
In accordance with the design requirements to 51 core microcontroller. According to the design requirements, the analysis design process we can get the following module assignments: Smart counting through the infrared obstacle avoidance module to detect the number of people in the room, indoor number can be displayed through the digital tube. When the number of people in the room is zero, the curtains are closed, the lights are turned off, the air conditioner is turned off and the set temperature is 25°C. When the number of people at that time was not zero, automatic detection was turned on. While the automatic mode is on, the system performs indoor temperature detection and detection of external light intensity. The smart curtain detects the external light intensity through the photosensitive resistor. When the light intensity reaches the set threshold, the smart home system turns on the curtain through the SCM control motor, otherwise the curtain is closed. The intelligent air conditioner detects the indoor temperature through the temperature sensor. When the detected temperature is outside the set threshold range, the smart home system controls the air conditioner to turn on through the single chip microcomputer, otherwise the air conditioner is turned off.
This design uses the Huazhong Electronic Technology Development Board to simulate the smart home environment system. At the same time, Keil is used to write the C language program. Then the software debugging is completed. Then the hardware debugging, development board and physical structure are downloaded to the development board to complete the graduation project.
Key Words:Smart home, Microcontroller, AT89S52, Number detection module, Automatic mode
目 录
第1章 绪论 1
1.1 背景介绍 1
1.2 系统设计任务和要求 2
1.3 课题分析 2
1.4 设计原理 2
1.5 系统组成 4
1.6 系统概述 4
第2章 智能家居系统的硬件电路设计 6
2.1 单片机AT89S52简介 6
2.2 红外蔽障模块介绍 6
2.2.1 模块电路图 6
2.2.2 模块接口说明以及检测人员方法 7
2.3 4×4矩阵键盘 7
2.4 YL-38 光敏电阻传感器 8
2.5 DS18B20数字温度传感器 8
2.6 数码管显示电路 9
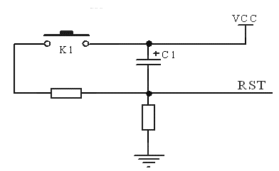
2.7 复位电路 10
2.8 振荡电路 11
第3章 软件程序设计 12
3.1 软件设计 12
3.2 具体软件模块实现 12
3.2.1 自动模式模块 12
3.2.1.1 人数检测 13
3.2.1.2 光照强度检测 16
3.2.1.3 温度检测 17
3.2.1.4 灯光控制 17
3.2.1.5 窗帘控制 17
3.2.1.6 空调控制 18
3.2.2 手动模式模块 19
3.2.2.1 自动模式手动模式转换 19
3.2.2.2 手动模式按键分布 20
3.3 软件抗干扰技术 20
第4章 系统调试 22
4.1模块电路调试 22
4.1.1 软件调试 22
4.1.2 硬件调试 22
4.2 调试分析 23
4.3 故障分析 23
第5章 结论 24
参考文献 25
致 谢 26
附录1:主程序 27
附录2:温度调用程序 34
附录3:电路原理图 38
附录4:Proteus原理图 39
附录5:电气图 40
第1章 绪论
1.1 背景介绍
智能家居是社会发展的产物,用户能够享受方便、安全、丰富人性化自主化管理,优质物业管理等智能化住宅所特有的生活方式,使忙碌一天的人们真正体会到智慧家带来的生活乐趣[1]
在上世纪八十年代初,随着经济的发展电子设备不断出现。家电设施、通讯工具不断更迭,随着人们生活变好,设备逐渐普遍,与此同时住宅自动化理念逐渐形成。20世纪80年代末,随着通信和信息技术的发展,出现了通过公共汽车技术监测和管理住宅建筑中的各种通信,家用电器和安全设备的商用系统。这在美国称为 Smart Home,也就是现在智能家居的原型[2]。
经过多年的需求累积,目前通常把智能家居定义为利用计算机、网络和综合 布线技术, 通过家庭信息管理平台将与家居生活有关的各种子系统有机地组合成一个系统[3]。换句话说,首先人们需要有通信中转站网络,已提供必要的访问场所目的作用在家庭系统信息处理上。所有以家庭网络为基础作用的家用电器和设备的控制,都是通过中转站网络处理以后再经过执行元件作用传递出来,最后使得用户感受。其次,人们必须通过这样的中转站建立起与外界的联系,满足外界与中转站之间的通信与交流。最终使人们享受到数字化、自动化、智能化和绿色环保的系统。
目前,虽然智能家居有一定的发展,出现了一定数量的研究机构和公司,尤其是经历了2000年的智能家居概念炒作之后,智能家居得到空前的发展。但智能家居在中国还处于初始阶段,缺乏统一的标准和权威的产品[4]。设计要求一款基于51单片机智能家居系统,该系统由人数检测、光照强度检测、室内温度检测、灯光控制、窗帘控制和空调控制。当然它只需要对原有的布线进行稍微的修改,并不需要对原有家庭布线重新翻新,可以简单方便满足用户对于只能生活的需求,不仅如此,智能家居成本以及安装周期都是集聚理想化于一体,操作简单有较强的可实现性,能够较好的直接反映出来操作家居的调试反应,方便用户理解以,从而使得安装成本和安装可实现性达到理想状态,所以在经济发展快速的国内市场有很大的提升空间。
基于以上环境以及毕业设计要求,本设计仅对要求中所提及部分智能控制系统做简要设计。另外对其它控制硬件只是做出理论上的分析不具体进行实物操作。
本设计基于多个方面,全面综合又逐个剖析展示智能家居系统的各个部分,同时对于硬件的选择和软件的设计有较为明显的对比和展示。之后进行软件的调试,分别与实物连接实现预想通讯,进而设定好贴近毕业设计最理想的要求。
1.2 系统设计任务和要求
本系统由五一单片机总体控制,使用红外避障模块进行检测房屋内人员的当前数量;光敏电阻传感器模块用以检测室外的光照强度,从而判断是否系统控制电机打开窗帘;温度传感器模块用以检测室内环境的温度,从而判断是否系统控制空调打开调节温度;当检测到有人员进入室内的同时立即打开智能灯(用于装饰、照明),同时数码管显示的数字表明室内人数。
本系统设置两种模式,默认情况下是自动模式,可以计算室内人数、控制智能灯的开启和关闭,控制空调的开启和关闭,控制窗帘的开启和关闭;除去自动模式外,可以通过4×4矩阵键盘改变为手动模式,手动按键控制智能灯、空调、窗帘。
1.3 课题分析
在满足基本功能前,对于智能家居系统来说,易于控制是首先考虑的,但是不得不考虑一点就是微控制器的内存有一定的局限。因此,为SCM控制选择合适的存储器已成为此设计的首要任务。
其次每个部分的功能,需要尽可能精确控制,这就需要在逻辑顺序上设计能够尽量贴合用户的选择。本次设计要求能够通过检测控制智能灯、空调、窗帘,为了能够实现精确控制,必须使得程序设计的严密性,从自动模式和手动模式两个方面下手,在室内有人的前提通过单片机系统进行判断输出指令信号用以控制,从而满足实现要求动作。
1.4 设计原理
主要由单片机矩阵键盘、红外避障模块、数码管显示、采光电路、温度采集电路、室内人员计数电路等组成。矩阵键盘用于输入智能家具系统的自动和手动控制方式,用户可以用键盘按键切换自动手动模式。对智能家居系统的预设条件,分别有以下两种模式的工作状态,其中室内设置的初始状态是:窗帘闭合,智能灯关闭,空调关闭且设置温度为25℃。当单片机检测到室内环境中有人时,开启智能家居系统,默认状态为自动模式,智能灯在检测到有人的同时打开,窗帘在检测到有人的同时,光照采集电路检测外界环境的光照强度,并确定是否达到预设值,如果光照强度超过预设值,串联在单片机控制下被打开,否则被关闭。空调在检测到室内环境中有人的同时,温度采集电路检测室内环境的温度,如果室内环境温度在预设值范围以内,则空调保持关机状态。如果室内环境温度在预设值范围以外,则空调开启工作。
为了方便用户操作以及满足用户各种需求,本设计另设有手动模式,在矩阵式键盘上设置了相应的控制开关,单片机智能家居系统的通用性和可靠性已经实现。其系统设计框图如图1.1。

图1.1 系统设计框图
系统分为硬件部分和软件部分。硬件部分由键盘部分、红外避障模块、光照采集室外环境部分、温度采集室内环境部分、复位部分、晶振部分、数码管显示部分组成。软件部分由主程序、初始化程序、按键功能程序、延时程序、温度采集程序、光照采集程序、数码管显示程序、窗帘控制程序、空调控制程序、智能灯光控制程序。其原理框图如图1.2。

图1.2 智能家居系统原理框图
1.5 系统组成
在确定选择何种类型的微控制器之后,必须确定外围电路。外围电路包括键盘部分,红外避障模块,光照采集电路,温度采集电路,复位部分,晶振部分,数码管显示部分组成。根据单片机开发板的原有组成,键盘部分选用4×4矩阵键盘,温度采集器采用DS18B20数字温度传感器。在此基础上,选择了选用华中电子科技开发板作为基本仿真环境可以满足设计要求。其原理图如图1.3所示。


图1.3 开发板硬件电路原理图
1.6 系统概述
总而言之,为了能够实现智能化、人性化的设计理念以及智能家居系统与科学技术发展速度相互匹配,多个领域交叉实现的设计要求。本设计会从以下几个方面入手进行研究:关于系统的硬件电路设计,通过硬件电路设计能够直观的反映出所需要的功能与单片机互联的可操作性,另外还能够检验电路故障问题,以及焊接过程中的操作问题,同样的对于操作者的动手能力和实践能力都有较高的要求;软件程序设计,在基本选定好了一系列有关于智能家居系统的零件以后,我们可以进行软件的调试,在keil中进行C语言的程序编写,通过程序编写实现设计预设功能,另外利用keil与proteus进行互联实现模拟仿真,从而能够在实物运行中做好准备;系统调试,在完成以上两个步骤以后,我们进行系统调试和实物操作,目的是为了实现理论与实践相结合能够更好更直观展现给每一个用户智能家居系统给人类生活所带来的便利。
第2章 智能家居系统的硬件电路设计
2.1 单片机AT89S52简介
AT89S52具有8k在系统可编程Flash存储器。使用Atmel公司高密度非易失性存储器技术制造,与工业80C51产品指令和引脚完全兼容[6]。片上Flash允许程序存储器在系统可编程,亦适于常规编程器,在单芯片上,拥有灵巧的8位CPU和在系统可编程Flash,使得AT89S52为众多嵌入式控制应用系统提供高灵活、超有效的解决方案[7]。
AT89S52具有以下标准功能:8k字节Flash,256字节RAM,32位I/0口线,看门狗定时器,2个数据指针,三个16位定时器/计数器,一个6向量2级中断结构,全双工串行口,片内晶振及时钟电路[7]。另外,AT89S52可降至0Hz静态逻辑操作,支持2种软件可选择节电模式。空闲模式下,CPU停止工作,允许RAM、定时器计数器、串口、中断继续工作。掉电保护方式下,RAM内容被保存,振荡器被冻结,单片机一切工作停止,直到下一个中断或硬件复位为止[8]。
2.2 红外蔽障模块介绍
传感器模块对环境光具有较强的适应性。当检测方向遇到阻碍时,红外线被反射回接收经模块系统处理,绿色指示灯亮起,信号输出接口输出数字信号。它的有效距离范围2~30 cm,工作电压为3.3 V-5 V,满足单片机的弱点工作环境,可以与单片机直接通讯。传感器的检测距离可以通过手动调节,能够较好的满足用户的距离和反应灵敏性要求,安装使用便捷。该设计依次使用两个模块来检测是否有人进出房间以做到人数检测。
2.2.1 模块电路图
图2.1 模块电路图
2.2.2 模块接口说明以及检测人员方法
- VCC 外接 3.3V-5V 电压(可以直接与 5v 单片机和 3.3v 单片机相连)
- GND 外接 GND
- OUT 小板数字量输出接口(0 和 1)

图2.2 人员检测模型图
如图3.2所示,在进入室内的入口设置两个红外蔽障模块,分别命名为红外蔽障模块1和红外蔽障模块2。红外蔽障模块1和红外蔽障模块2有顺序的感应可以转化为人员进入或离开。不仅可以有效计算室内人数,还可以排除其他特殊可能性,较好的反映出室内人数。
2.3 4×4矩阵键盘
由于此系统中使用了大量的按键,因此不适合使用单独的按键式键盘。4×4矩阵键盘由四行、四列线组成,同样也可以叫它行列键盘。
每个行线和列线交叉以后可以相互连接形成一个小键位,这样组合起来就是16个键位。这样就可以避免单独按键占用太多的I / O口,从而实现I / O口最大化利用。在本设计中主要体现手动模式控制,键盘按键包括:模式切换、控制空调的系列按键、控制窗帘的系列案件、控制灯光的系列按键。
首先,确定键盘上是否有按键,通过单片机的I / O口向键盘发送完整的扫描字,然后读取行线的状态进行判断。方法是:全扫描字FFH被输出到行线,所有列线被设置为低电平,列线电平状态被读入累加器A.如果有按键按下,总会有一个线路电平被拉低,以至于线路不全是1。确定键盘中的哪个键被按下是通过逐行设置列线来检查该行的输入状态来完成的。方法是:依次向列线发送低电平,然后检查所有线路状态。如果不是全部1,则按下的键必须位于该列中,并且这是与零平行线的交点处的键。接线如图7。
以上是毕业论文大纲或资料介绍,该课题完整毕业论文、开题报告、任务书、程序设计、图纸设计等资料请添加微信获取,微信号:bysjorg。
相关图片展示:







课题毕业论文、开题报告、任务书、外文翻译、程序设计、图纸设计等资料可联系客服协助查找。
