液压管路卡箍刚度测量装置设计毕业论文
2020-04-08 14:26:53
摘 要
卡箍作为液压管路系统中的重要元件,主要用于管路的连接、固定与支撑,具有增强管路刚度、紧固管路位置的作用,卡箍的正常工作与否将直接影响到液压管路系统的稳定性。本文设计了一种可以测量两种常见卡箍刚度的装置,卡箍刚度测量装置由机械系统和检测系统两部分构成。检测系统采用了压力传感器、扭矩传感器和单片机,利用力转移的方法将卡箍受到的力和力矩转移到传感器,实现对卡箍的压力和扭矩的检测。机械系统包括固定装置、加载装置和测量装置等部分,通过对卡箍施加载荷,测量相应的数据,来间接获得卡箍的刚度。
本文设计的装置适用于P型卡箍和块状卡箍的刚度测量,为卡箍的精确建模提供试验支撑,可用于对液压管路系统特性的分析研究中。
关键词:卡箍;管路系统;刚度;检测系统
Abstract
As an important element in the hydraulic pipe system, the clamp is mainly used for the connection, fixation and support of the pipeline. It has the function of enhancing the rigidity of the pipeline and tightening the position of the pipeline. The normal work of the clamp or not will directly affect the stability of hydraulic pipeline system. In this paper, a device for measuring the stiffness of two common clamps is designed, which is composed of mechanical system and detection system. Pressure sensors, torque sensors and single chip are used in the detection system. The force and torque of the clamp are transferred to the sensor by means of force transfer to realize the pressure and torque detection of the clamp. The mechanical system includes the fixed device, the loading device and the measuring device, and by applying the load to the clamp, the corresponding data is measured to obtain the stiffness of the clamp indirectly.
The device designed in this paper is suitable for the measurement of the stiffness of P type clamp and block clamp. The device provides an experimental support for the precise modeling of the clamp, and it can be used in the analysis of the characteristics of the hydraulic piping system.
Keywords: clamp; pipe system; stiffness; detection system
目 录
摘 要 I
Abstract II
第1章 绪论 1
1.1 目的与意义 1
1.2 国内外研究现状 1
1.3 本文主要研究内容 3
第2章 总体方案设计 5
2.1 功能分析 5
2.1.1 加载功能分析 5
2.1.2 测量功能分析 6
2.2 功能实现方法 6
2.2.1 加载功能的实现方法 6
2.2.2 测量功能的实现方法 7
2.3 总体方案 8
2.3.1 加载功能的选择 8
2.3.2 测量功能的选择 8
第3章 设计计算 9
3.1连接杆的设计计算 9
3.1.1 连接杆的结构设计 9
3.1.2 连接杆的弯曲强度计算 9
3.2加载杆的设计计算 11
3.2.1 加载杆的结构设计 11
3.2.2 加载杆的工作应力计算 12
3.2.3 加载杆的弯曲强度计算 12
3.3扭矩加载轴的设计计算 14
3.3.1 扭矩加载轴的结构设计 14
3.3.2 扭矩加载轴的扭转强度计算 15
3.3.3 扭矩加载轴的弯矩强度计算 16
3.3.4 扭矩加载轴的刚度计算 17
第4章 检测系统设计 18
4.1 信号采集模块 18
4.1.1 压力传感器的选择 18
4.1.2 扭矩传感器的选择 19
4.2 测量电路的设计 20
4.3 放大电路的设计 21
4.4 信号显示模块 22
4.5 软件系统设计 22
第5章 装置设计 24
5.1 总体结构 24
5.2 装置的组成 25
5.2.1 卡箍固定装置 25
5.2.2 测量装置 26
5.2.3 加载装置 26
5.2.4 其它装置 27
5.3 装置的使用 27
5.3.1 线刚度测量 27
5.3.2 扭转刚度测量 27
5.4 装置特点 28
结 论 29
参考文献 30
致 谢 31
第1章 绪论
1.1 目的与意义
液压系统,是机械装置的动力来源,能够传递力与运动,在航空航天、石油化工和核工程等领域得到了普遍的应用。管路,用于液体传输的管道,是液压系统中不可缺少的部分。在液压系统中,管路不仅用于液压系统各个部分的接连,而且能够传递液体中的能量。因此,液压系统的各类特性都会受到管路的影响。
以航空液压管路为例,管路总体长度很长,由于受到空间的限制,导致管路有很多弯曲的部分,结构也更加错综复杂,进而使管路的动力学特性变得混乱,在使用过程中常常发生断裂、漏油、渗油等故障。在中国目前的成熟发动机系统中,由于管路的问题导致发动机发生故障的事故数不胜数,大部分的事故表明,管路故障的的根本原因是液压管路的振动问题。在航空液压系统的工作过程中,液压泵会产生巨大的压力,压力通过流体传导给管路,管路受到液压后会发生振动,而在管路的一些危险处,如弯曲的部分、管径变化的部分等振动的幅值将更大。当液压泵工作的频率,或者流体流动产生的频率和管路振动的频率相近时,就有可能产生共振,进而导致管道断裂、磨损,管路系统的破坏等后果。因此,管路系统的精确建模显得尤为重要,通过模型能对管路系统结构进行优化使得管路的固有频率避开激励源的频率。
液压管路系统中除了蜿蜒曲折的管道和电线之外,还有用于连接固定它们的卡箍。卡箍是管路系统的重要元件之一,主要用于各种管路的连接、固定与支撑,其准确建模同样重要。另外,卡箍的布局及特性也是影响管路振动的主要原因。因此,卡箍刚度的准确测量对于卡箍等效物理模型的验证具有重大的意义。
1.2 国内外研究现状
随着现代技术的进步发展,航空发动机结构设计越来越轻量化、复杂化,导致液压管路的布局也变得更加密集、庞杂。兰箭等[1]从系统功耗、系统的动态特性、气穴、液压冲击和谐振等五个方面进行分析,来研究管道对液压系统的影响,其结论表明,管道对液压系统的影响是多样的,进行分析了管长、管径、管厚等管道参数的变化对系统性能的影响。
卡箍作为连接管路的重要部件,其与管路的装配问题一直是国内外学者研究的重点。
在国内,郑敏[2]等对P型卡箍作了完整的分析,主要研究卡箍的选用和装配,针对卡箍装配的常见问题,提出了改进措施,并据此制订了一系列的航空液压管路卡箍的安装标准。而在国外,美国汽车工程师协会[3]针对连接液压管道的不同形式的卡箍,对其材料、结构等特性进行了大量的研究,设计了相应的装置来测量卡箍的特性,验证了若干卡箍的失效形式,并制订了一套完整的安装和选用卡箍的标准。
目前,随着数字化技术的发展,这一技术开始应用于航空航天领域,利用数字化技术设计液压管路也成了当前的研究热点。Dekker C J等[4]设计了一种卡箍的应力计算模型,并在不同的拧紧力下分析卡箍与管道连接,得到了一套良好的连接方案。Xu等[5]对管路系统中的卡箍整体进行了建模,并将卡箍等效为具有移动刚度和扭转刚度的弹簧的组合,这为卡箍刚度的研究提供了新的思路。朱昭君,陈志英[6]利用三维软件UG对卡箍进行了参数化建模,如图1.1所示,然后利用有限元软件ANSYS对卡箍的组件进行了有限元分析,得到了卡箍的刚度,并进一步研究了长度、厚度等参数对卡箍刚度的影响。

图1.1 卡箍参数化建模
刘伟等[7]对卡箍的支撑结构进行了简化,视作一种固定末端的平移约束弹簧单元,如图1.2所示,并对液压管路系统进行了灵敏度的分析,分析得出的一些卡箍参数会对系统的动力学特性产生影响。另外,还利用罚函数法对复杂管路系统的关键卡箍位置进行了优化设计,根据不同的标准差设计了两套卡箍优化设计方案并进行对比,为卡箍的动力学设计奠定了基础。

图1.2 管道卡箍径向约束示意图
李枫等[8]对不同规格尺寸的航空带垫卡箍进行拉伸试验研究,测定了卡箍管径、环境温度对卡箍等效刚度的影响。建立了考虑温度场变化的卡箍细节有限元接触模型如图1.3所示,通过这个模型对各种影响因素下的卡箍的等效刚度值进行了计算,建立了卡箍细节有限元接触模型,并通过实验验证了该仿真模型的正确性,但该实验装置只测量了卡箍的移动刚度。

图1.3 考虑温度场变化的卡箍有限元模型
谭跃刚等[9]在卡箍建模过程中将卡箍等效为具有一定接触面积的弹性单元,利用有限元仿真研究了卡箍在不同情况下管道的应变模态和固有频率,提出了一种识别、定位卡箍松动的方法,并根据光纤光栅的原理设计了一套实验测量系统,为卡箍松动检测提供一种切实可行的方法。尹泽勇等[10]采用有限元分析的方法来研究卡箍刚度,针对两种常见的卡箍使用了有限元计算,并通过实验测定了卡箍的刚度,验证了有限元计算模型的准确性,但是针对的卡箍形式为P型卡箍。Li Z Y等[11]提出了一种用非线性弹簧单元来等效代替P型卡箍的模型,并通过实验验证了所提模型的正确性。
为了保证管道的稳定性,当前广泛应用的卡箍刚度普遍较高,而在先进的航空航天领域已经开始使用粘弹性带垫卡箍,粘弹性卡箍具有缓解装配应力、减小磨损以及吸收振动能量等优点[12, 13]。在连接刚性卡箍和柔性管道的过程中,卡箍和管道的刚度匹配性的问题一直无法得到改善。为了解决这个问题,一些欧美国家开始使用铝合金柔性导管来连接卡箍,这种结构形式的卡箍零件虽然减轻了重量,结构也变得简单,但其可靠性更高、维护使用也更加方便,同时也保证了管路系统的密封性 [14-16] 。这种柔性卡箍技术将在以后管路的安装连接中得到广泛使用。综上所述,高可靠性、高性能化是卡箍发展的一个重要方向,让卡箍能够适应不同的恶劣环境,保证管路系统的稳定性。因此,卡箍刚度的准确测量对于卡箍等效物理模型的验证具有重大的意义。
1.3 本文主要研究内容
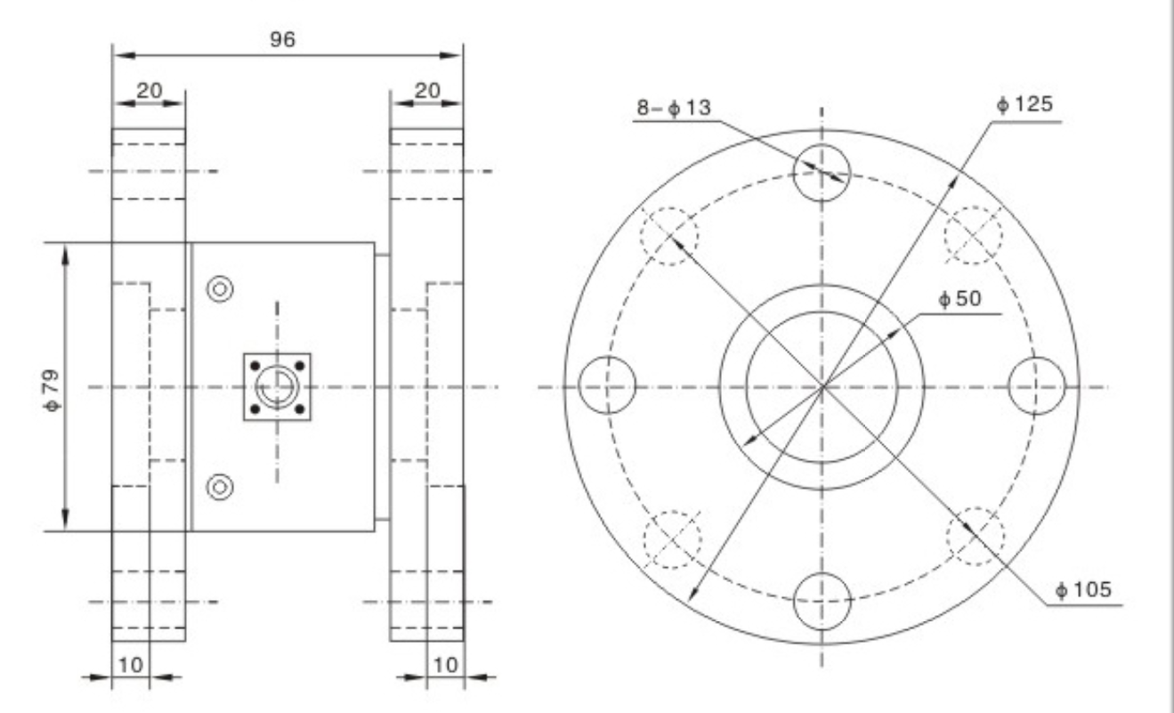
航空液压管路的固定卡箍主要分为两类:一类为P型带垫固定卡箍,如图1.4所示,其结构较为简单,一般由金属支架和垫片组成,垫片的材料根据使用环境的不同,选择不同的材料制作,主要的材质有橡胶、塑料和玻璃纤维等,具有紧固和防振的作用。另外,为了适应不同的情况的需求,垫片的结构样式也不同。另一类为块状卡箍,如图1.5所示,由橡胶块、金属缘条和防压管三部分组成,其中橡胶块用于夹持的主要零件,金属缘条用来支撑橡胶结构,防压管用来控制夹紧力,防止橡胶块的过度压缩[17]。
|
|
图1.4 P型卡箍示意图 | 图1.5 块状卡箍 |
一方面,卡箍安装标准的制定离不开前期的试验支撑;另一方面,新型带垫卡箍在建模的过程中卡箍的等效刚度往往很难通过理论或者仿真分析准确获得,针对P型带垫卡箍刚度测量装置,部分学者已开展了相应的研究 [11, 18]。但是,针对能同时测量块状卡箍和P型卡箍刚度的测量装置还未见相关文献报道。因此,本次毕业设计拟设计出一种能同时测量块状卡箍和P型带垫卡箍刚度的实验装置,为卡箍的精确建模提供了试验支撑。
第2章 总体方案设计
2.1 功能分析
本次设计针对上述两类主要的卡箍,设计出一种液压管路卡箍刚度测量装置,包括卡箍线刚度测量装置和卡箍扭转刚度测量装置,用于测量卡箍的线刚度和扭转刚度。以块状卡箍的刚度测量为例进行说明,卡箍的装配图如图2-1所示:

图2.1 块状卡箍装配示意图
根据刚度定义,刚度表示物体抵抗变形的能力,定义为力与位移之比,即:
| (2.1) | |
| (2.2) |
式中
为沿着卡箍
方向的力,
为该力作用下的卡箍位移形变量,
为施加的
方向的力矩,
为该力矩作用下的角位移形变量。
根据上述刚度定义,向卡箍施加载荷,获得沿着卡箍
方向的力
和卡箍的形变量
,最后通过公式(2.1)可计算出卡箍在加载方向上的线刚度值。同样的道理,向卡箍施加扭转载荷,获得施加的
方向的力矩
和角位移形变量
,最后利用公式(2.2)可计算出扭转刚度值。
综上所述,本刚度测量装置需要实现的功能有加载功能和测量功能。
2.1.1 加载功能分析
根据刚度的定义,在测量P型卡箍和块状卡箍的刚度前,需要先向卡箍施加载荷。
(1)力的施加
卡箍在实际情况里受到的力来自于管路,刚度测量的原理是让卡箍发生形变,为了保证卡箍有较大的形变量,拟定最大施加力为10000N。管路对卡箍的力可以分解为水平和竖直两个方向上的分力,因此,向卡箍施加的力可以在水平和竖直两个方向进行施加,分别得到卡箍在两个方向上刚度,卡箍的线刚度就是这两个方向刚度的综合。
(2)力矩的施加
力矩的施加与力的施加类似,扭转刚度的测量也是需要让卡箍发生形变,因此为了保证卡箍有较大的扭转角度,拟定最大施加力矩为100N⋅m。卡箍受到力矩同样也可以分解为绕水平轴向的力矩和绕竖直轴向的力矩,在测量时,只需要模拟管路向卡箍相互垂直的两个轴向施加力矩,得到这两个轴向的刚度,卡箍的扭转刚度就是这两个轴向刚度的综合。
2.1.2 测量功能分析
测量功能是本装置的核心部分,刚度本身是无法直接测得的,可利用刚度的定义间接获得。为获得卡箍的线刚度,需要测量的量有卡箍受到的力,卡箍在该力的方向发生的形变;为获得卡箍的扭转刚度,需要测量的量有卡箍受到的力矩,卡箍的扭转角度。
2.2 功能实现方法
2.2.1 加载功能的实现方法
卡箍通过卡圈等组件固定在液压管路上,受到的外力也主要来自于液压管道。通常,液压管道为不锈钢材料,与卡箍结构相比,其变形可以忽略不计。因此,可以将管道视为刚性结构,采用与卡箍管径相等的连接杆来代替,并通过连接杆对卡箍施加力(力矩)。
(1)力的施加方法
以上是毕业论文大纲或资料介绍,该课题完整毕业论文、开题报告、任务书、程序设计、图纸设计等资料请添加微信获取,微信号:bysjorg。
相关图片展示:







课题毕业论文、开题报告、任务书、外文翻译、程序设计、图纸设计等资料可联系客服协助查找。




