动力电池动态主动均衡技术研究与实验毕业论文
2020-04-08 14:31:25
摘 要
蓄电池是一种被广泛应用在各种无线用电产品中的二次能源,在大多数情况下,动力电池指的是为电动汽车等供应动力的蓄电池。并且因为单体蓄电池的电压容量不能够满足负载的要求,所以作为动力电池的蓄电池在大多数的情况下是以串联电池组的形式工作的。串联蓄电池组中各个单体之间会存在内阻、电压等不均衡的状况,这是因为每个电池在生产工艺和使用环境是不一样的。通常情况下,串联蓄电池组的充放电不会注意到各单体之间出现的差异,那么蓄电池在进行反复充放电后就会加剧这种差异性。表现出充电过程和放电过程中所有的单体电池不能同时充满电,也不能同时放完电。如果不解决出现的这种不均衡问题,就会导致电池过度充电或过度放电,最终将影响蓄电池组的使用期限,故必须提出能使串联蓄电池组电压均衡的方法策略。
国内外学者对串联蓄电池组均衡策略做过很多研究,本文则是为了寻找一种效率较高并且安全简单的均衡策略。文中首先总结了主动均衡技术的拓扑结构,再对主动均衡策略进行了简单的分析,然后对于蓄电池组电容均衡策略在均衡时会产生开关损耗的现象,运用了谐振软开关技术,并且通过理论验证,提出了一种谐振式电容均衡策略。
关键词:蓄电池组;均衡策略;主动均衡;谐振技术
Abstract
A battery is a secondary energy that is widely used in various wireless power products. In most cases, a power battery refers to a battery that supplies power for an electric vehicle or the like. And since the voltage capacity of the single battery does not satisfy the requirements of the load, the battery as a power battery operates in the form of a series battery pack in most cases. There are internal resistances, voltages, and other unbalanced conditions among the individual cells in the series battery pack because each battery is different in the production process and the use environment. Under normal circumstances, the charge and discharge of the series battery pack will not notice the difference between the individual cells, so the battery will exacerbate this difference after repeated charge and discharge. It is shown that all the single cells in the charging process and the discharging process cannot be fully charged at the same time, nor can they be discharged at the same time. If this unbalanced problem is not solved, the battery will be over-charged or over-discharged, which will ultimately affect the battery pack's lifespan. Therefore, a method for balancing the voltage of the series battery pack must be proposed.
Domestic and foreign scholars have done a lot of research on the tandem battery bank equalization strategy. This article is to find a more efficient and safe and simple equilibrium strategy. The paper first summarizes the topology of the active equalization technology, and then analyzes the active equalization strategy. Then, a resonant soft-switching technique is applied to the switching loss caused by the battery capacitor equalization strategy during execution. Resonant capacitive equalization strategy.
Keywords :Battery Packs; Equilibrium Strategy; Active Equalization; Resonance Techn-ique
目 录
摘 要 I
Abstract II
目 录 1
第1章 绪论 1
1.1课题背景 1
1.2 国内外现状及趋势 1
1.3 锂电池组工作原理 2
1.4 主动均衡原理 3
1.5本文的研究内容 4
第2章 主动均衡拓扑方案 6
2.1 基于电容均衡拓扑结构 6
2.1.1 单电容型均衡拓扑结构 6
2.1.2 多电容性均衡拓扑结构 6
2.2 基于电感均衡拓扑结构 7
2.2.1 单电感型均衡拓扑结构 7
2.2.2 多电感型均衡拓扑结构 8
2.3 基于变压器型均衡拓扑结构 8
2.3.1 基于单绕组变压器的均衡拓扑结构 9
2.3.2 基于多绕组变压器的均衡拓扑结构 9
2.4 基于转换器型均衡拓扑结构 10
2.4.1 基于Buck变换器的均衡拓扑结构 10
2.4.2 基于Buck/Boost变换器的均衡拓扑结构 11
2.4.3 基于CUK转换器的均衡拓扑结构 11
2.5 本章小结 12
第3章 均衡策略研究 14
3.1 最大值均衡策略 14
3.2 平均值及差值比较均衡策略 14
3.3 模糊控制法 15
3.4 本章小结 15
第4章 电容式均衡策略改进 16
4.1 谐振式电容策略理论分析 16
4.1.1 两蓄电池均衡理论分析 17
4.1.2 多蓄电池均衡理论分析 21
4.2 谐振式电容均衡策略的仿真 21
4.2.1 仿真实验介绍 22
4.2.2 仿真电路设计 22
4.2.3 仿真参数设计 23
4.3 仿真实验分析 23
4.3.1 电池内阻的影响分析 24
4.3.2 与现有电容均衡策略对比分析 25
4.3.3 开关频率的影响分析 26
4.3.4 谐振电感的影响分析 27
4.3.5仿真结果分析 28
4.4 本章小结 30
第5章 总结 31
参考文献 32
致 谢 34
第1章 绪论
1.1课题背景
本世纪以来,由于社会经济的迅速发展,人们对于能源的需求量越来越大,因此不可再生能源的有限储备与人类的大量开采、消耗之间的矛盾关系愈演愈烈。寻求与发展新能源成了人类发展过程中的必然趋势,以传统燃油方式获取动力的燃油汽车也开始向清洁、环保、无污染的电动汽车转型,世界范围内的各汽车制造商开始大力投资研制性能优良的电动汽车。另一方面,动力电池在电动汽车动力系统中广泛应用的同时,其耐久性、可靠性和安全性等方面的问题也随之出现。而引起这些问题的主要原因之一是动力电池成组后导致的单体之间的不一致性。
因此需要寻求一些方法来均衡动力电池组充放电过程中的不一致性,希望能够提高电池组在使用过程中的关键性能,如持久性、可靠性以及安全性等。
1.2 国内外现状及趋势
由于单体电池在容量和电压方面存在限制,一般在动力电池的运用中都需要将单体电池串联形成蓄电池组才能达到所需的性能。而单体电池在生产工艺、其内在的化学性质以及在应用环境方面都存在一定的差异。串联蓄电池组处于长期的充放电过程时,始终采用统一的电流,不考虑蓄电池组单体间的差异,长此以往,会导致该差异加剧。如果此差异达到极端状态,即在蓄电池组中出现容量为0%和容量为100%的单体蓄电池,这两种状态分别对应着放电截止电压和充电截止电压,意味着蓄电池组不能进行放电也不能进行充电,如果进行强制充放电,将会对蓄电池造成严重损坏,使蓄电池组的寿命受到影响。因此,单体蓄电池之间的电压不均衡是影响串联蓄电池组寿命的一个关键因素。
即使这种单体蓄电池间电压的不均衡现象还没有出现极端情况,同样也会减弱蓄电池组的供电能力,使其不能得到充分利用。电压均衡可以通过不同的均衡策略将单体蓄电池之间的不均衡量降到设定的阈值之内,将蓄电池组的供电能力发挥到最大水平。
串联蓄电池组电压均衡一直是蓄电池管理系统(Battery Management System)中重要的组成部分,它能够维护并使蓄电池工作在安全合理可操作的条件内,防止蓄电池组遭到破坏,延长蓄电池组的使用寿命,实现蓄电池组能量利用的最优化[6]。国内外专家学者在关于串联蓄电池组的均衡策略方面做了诸多研究。文献[7-20]中包括了很多串联蓄电池组均衡策略;有文献中指出,蓄电池组的内外部原因是导致单体电压不均衡的共同原因。内部原因主要包括单体蓄电池容量在生产过程中产生的物理差异、内阻抗差异以及自放电速率等的差异。外部原因主要包括不同的单体蓄电池为多级保护芯片提供不等量的电荷以及放电速率不同时单体蓄电池所处的环境不同。
串联蓄电池组的均衡策略,可以根据均衡过程中不同的能量流动形式和能量变换形式分为被动均衡和主动均衡这两大类。被动均衡指的是通过电阻将多余的能量以热能的形式移出蓄电池组,而主动均衡则是通过电力电子电路使蓄电池组内部的能量从能量高的单体蓄电池转移到能量低的单体蓄电池以实现能量的均衡,并且减少能量的损耗。
1.3 锂电池组工作原理
和其他蓄电池的组成结构一样,锂电池由正负极、内部的隔膜和电解液以及外壳组成,锂电池的正负极一般由不同的化合物构成,但是这些化合物的共同点是可以嵌入锂离子。它的负极比较多地使用石墨,正极一般就使用磷酸铁锂盐。锂离子通过在充放电过程中进行转移来储存或释放能量,工作电压和锂离子的浓度有关。
充电过程:给锂电池的正负极施加直流电源,锂电池内部的锂离子就会从正极转移到负极,锂离子在负极积累,在正极减少,最后达到饱和状态。式(1.1)和式(1.2)分别表示电池正负极在充电过程中发生的反应。
正极:
(1.1)
负极:
(1.2)
放电过程:在电池两极接上负载电路,电子会因为电压差的存在从负极移动到正极。这个情况下,锂离子在蓄电池内部从负极移动到正极,最后也是达到饱和状态。式(1.3)和式(1.4)分别表示蓄电池的正负极在放过程中所发生的化学反应。
正极:
(1.3)
负极:

(1.4)
从以上充放电过程可以看出,在理想的状态下,电池内部充放电所发生的化学反应是一种可逆的过程,工作原理如图1.1所示。
图1.1 锂电池工作原理示意图
1.4 主动均衡原理
锂电池中能量的储存与释放离不开电池内部的化学反应。电能在充电过程中以化学能的状态被存储起来;对外供应能量则需要将存储起来的化学能转变为电能。
因为单体锂电池在体积上的限制,它的容量和电压就难以突破某一值,所以当其使用于生活或是工业生产时都需要多节电池进行级联使用。锂电池在进行级联的过程中,由于单体间的差异,存在电压和能量的不平衡使用,长时间投入工作会导致较大的安全隐患。因此,就需要对级联使用的电池组做均衡处理,被动均衡通过消耗能量的方式达到均衡目标,但是会造成能量的浪费。所以需要研究主动均衡方式来消除级联电池组单体间的不平衡现象,以提高能源利用效率。本文提出的谐振式电容均衡策略在单体中转移能量时使用电感和电容等储能元件,可以较大程度地实现均衡效率。具体实现方法将在第4章进行叙述。
电池均衡
被动均衡
主动均衡
固定分流电阻
开关型分流电阻
基于电容均衡
基于电感均衡
基于变压器型
基于转换器型
单电容型
多电容型
单电感型
多电感型
单绕组变压器
多绕组变压器
Buck变换器
Buck/Boost变换器
全桥变换
Cuk转换器
Rump转换器
图1.1 电池均衡拓扑结构
1.5本文的研究内容
本文在了解国内外学者对串联蓄电池组均衡方法研究的基础上,旨在寻找一种简单、高效的均衡方法。
第2章介绍了了主要的主动均衡拓扑结构,从基于电容、电感、变压器、转换器等四个方面描述了各均衡拓扑结构的工作方式,对每一种均衡方法进行了简单介绍并给出各方法的拓扑结构电路图,分析了各方法的特点和优缺点,并对其进行简单的点评。
第3章列举了最大值均衡策略、平均值及差值比较均衡策略和模糊控制法等三种均衡策略。最大值均衡法对于有个别单体电压偏高或偏低的蓄电池组能够快速均衡,对于一致性差的蓄电池组容易产生逻辑混乱;平均值或差值比较均衡策略的软件部分比较容易实现,而如果需要进行均衡的两单体之间距离较远就会产生更多的损耗。模糊控制法有较多优势,但是它在运用发面的可移植性差,普遍实现的可能性就差。
第4章主要针对均衡拓扑结构中的多电容均衡策略在均衡时会产生一定的开关损耗,结合软开关技术,提出了谐振式电容均衡策略。并对该策略的进行了理论分析,搭建仿真模型进行试验,验证了其实际可行性。
第2章 主动均衡拓扑方案
均衡系统是电池管理系统中改善单体电池不一致的核心部分,动力电池的动态均衡由均衡管理模块来保证。均衡方法的分类可以根据均衡系统所使用的元器件来分,储能元件均衡、电阻均衡是目前锂电池组常用的方法。所有的均衡子系统从均衡结构的拓扑形式来分有独立均衡和集中均衡两种,从均衡的能量回收角度分为主动均衡和被动均衡,从能量流向角度也可以分为单向和双向均衡。
2.1 基于电容均衡拓扑结构
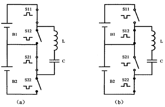
基于电容式均衡策略的基本电路拓扑结构分为如图2.2和图2.3两种,这两种拓扑结构的的不同之处在于均衡过程中的电容数量和关键的均衡控制方式。
2.1.1 单电容型均衡拓扑结构
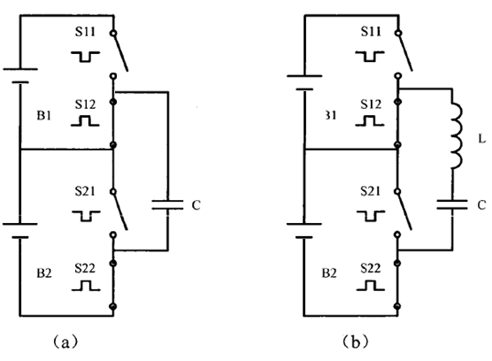
单电容均衡策略如图2.2所示,作为能量转移的载体只有一个电容,另外,电压检测电路也需要参与到均衡过程中来。其工作流程为:控制中心检测单体蓄电池能量,将能量过高单体两端的开关闭合,使其能量传递给电容,直到电容充电完毕,断开能量过高的单体电池,闭合能量最低的锂电池单体两端的开关,此时电容给它充电,经过几次能量转移可达到相对均衡状态。该电路拓扑结构较为复杂,但是均衡电路总体体积较小,均衡速度比较快。

图2.2 单电容均衡策略拓扑电路
2.1.2 多电容性均衡拓扑结构
多电容均衡电路通过一组电容器使电荷在单体电池间传递以达到均衡效果。它的工作原理是这样的:所有的开关同时开始动作,该电路中的上下两触点就会被轮流接通,那么相邻的两节单体电池之间就可以进行电荷转移,达到电荷从高压单体转移到低压单体的目的,即只通过反复切换开关就实现了均衡。开关的频率可以达到十万赫兹,因此只需要容量较小的平衡电容器。由该电路的工作原理可知,此方法不需要使用电压检测模块来监测单体电池的电压。但是加入电压检测单元可以避免开关一直处于开关状态,在单体电压出现差异时再发出驱动开关动作的信号。

图2.3 多电容均衡策略拓扑电路
2.2 基于电感均衡拓扑结构
基于电感的均衡策略用于转移能量的载体是电感,以此来实现锂电池组单体电池间的能量均衡。根据电感耦合形式的不同,电感均衡可分为单电感均衡策略和多电感均衡策略,其拓扑结构分别如图2.4和图2.5。
2.2.1 单电感型均衡拓扑结构
单电感式主动均衡电路中锂电池组单体的两端由开关分别与电感L1的两端相连,能量在任意两节单体电池之间的转移通过控制开关阵列实现,其电路图如图2.4所示。该方案进行能量转移的方式加快了均衡速度,也减少了均衡过程中能量的损失。缺陷是,同一时刻的能量转移只能发生在某两节单体电池之间,对开关的控制方案就比较复杂,且该法的能量转移效率仍然低于变压器式均衡策略。

图2.4 单电感式均衡策略拓扑电路
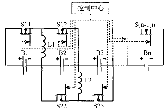
2.2.2 多电感型均衡拓扑结构
多电感型的主动均衡方式与单电感型的区别在于其所有相邻的单体电池之间都有一个电感进行连接,如图2.5所示,我们可以发现能量在两节电池之间的转移依靠电感和开关接通的时间长短来实现。

以上是毕业论文大纲或资料介绍,该课题完整毕业论文、开题报告、任务书、程序设计、图纸设计等资料请添加微信获取,微信号:bysjorg。
相关图片展示:







课题毕业论文、开题报告、任务书、外文翻译、程序设计、图纸设计等资料可联系客服协助查找。
