Otto循环改Atkinson循环汽油机的开发设计及性能仿真分析毕业论文
2020-04-09 15:29:52
摘 要
进入21世纪,世界范围内的环境保护意识与资源节约意识都在不断加强,传统汽车排放高、燃油经济性差的问题变得更为突出。由于传统燃油汽车使用的都是Otto循环发动机,它通过调节进气门的开度来控制发动机负荷,在城市路况下,节气门开度较小,进气节流损失严重,产生了较高的泵气损失,因而油耗高、热效率低,不能满足混合动力汽车的需求;而Atkinson循环汽油机通过进气门晚关来调节负荷,节气门在大部分工况下都保持全开,膨胀比大于压缩比,更可以更好地将燃料热能转化为机械能,因此降低了泵气损失,改善了发动机的热效率和燃油消耗率。随着混合动力汽车的发展,研究将Otto循环汽油机改进设计为Atkinson循环汽油机有着更为重要的现实意义。基于上述研究意义,本文采用一维仿真软件GT-POWER,将现有的Otto循环发动机改进为Atkinson循环发动机,只改变原Otto循环发动机的部分结构,主要研究Atkinson循环发动机的燃油经济性。分析了几何压缩比和进气门晚关时刻对发动机泵气损失、指示热效率以及燃油消耗率的影响,最终确定将原Otto循环发动机几何压缩比改为13,在原机基础上将进气门关闭时刻推迟20度曲轴转角。
关键字:Atkinson循环;GT-POWER;燃油经济性。
Abstract
In the 21st century, the awareness of environmental protection and resource conservation in the world are constantly being strengthened. The problem of high emissions from traditional cars and poor fuel economy becomes even more prominent. Since traditional fuel vehicles use Otto cycle engines, they control the engine load by adjusting the opening of the intake valve. In urban traffic conditions, the throttle opening is small, and the intake throttle loss is severe, resulting in a high Pump loss, thus high fuel consumption, low thermal efficiency, can not meet the needs of hybrid vehicles; Atkinson cycle gasoline engine through the late closing of the intake valve to adjust the load, the throttle in most operating conditions remain fully open, the expansion ratio is greater than the compression In contrast, fuel heat can be better converted into mechanical energy, thus reducing pumping losses and improving engine thermal efficiency and fuel consumption. With the development of hybrid vehicles, it is more important to study the design of the Otto cycle gasoline engine as the Atkinson cycle gasoline engine. Based on the above research significance, this article uses a one-dimensional simulation software GT-POWER, the existing Otto cycle engine is modified to Atkinson cycle engine, only to change part of the original Otto cycle engine structure, mainly to study the fuel economy of the Atkinson cycle engine, The effects of geometric compression ratio and late intake valve closing time on engine pump loss, indicated thermal efficiency and fuel consumption rate were analyzed. It was finally determined that the original Otto cycle engine geometric compression ratio was changed to 13 and the intake valve was closed on the basis of the original machine. The 25 degree crank angle is postponed.
Key words:Atkinson Cycle; GT-POWER; Fuel Economy.
目录
摘要 I
Abstract II
第1章绪论 2
1.1课题研究背景与意义 2
1.1.1能源供需压力 2
1.1.2提高汽油机燃油经济性的技术 2
1.2阿特金森循环研究现状 3
1.3研究内容及目标 5
1.4本章小结 5
第2章 Atkinson循环发动机改进方案设计 6
2.1阿特金森循环发动机的原理 6
2.2改进设计方案 8
2.2.1阿特金森循环发动机的实现手段 8
2.2.2可变气门正时技术方案 8
2.2.3改变压缩比的方案 9
2.3方案确定 9
2.4本章小结 9
第3章 发动机数学仿真模型的建立 12
3.1GT-POWER软件介绍 1
3.2原机基本参数 1
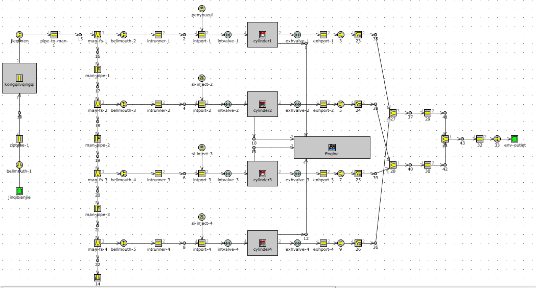
3.3原机仿真模型搭建 3
3.4本章小结 8
第4章 Atkinson循环发动机燃油经济性研究 9
4.1几何压缩比和进气推迟角的优化计算 9
4.1.1 进气推迟角的优化计算 9
4.1.2 几何压缩比的优化计算 16
4.2 对进气系统的优化计算 17
4.2对原发动机的改进设计 23
4.3本章小结 23
第5章 总结和展望 25
5.1全文总结 25
5.2课题中的不足 26
参考文献 27
附录 29
致谢 30
第1章绪论
1.1课题研究背景与意义
1.1.1能源供需压力
自1876年和1897年第一台汽油机和第一台柴油机分别问世以来,内燃机已经广泛的应用在各个领域,逐步演变为一个复杂的机械体系,提升了人们的物质生活水平。随着改革开放的不断深入,汽车产业也来到了自己的飞速发展时期。数据表明,在2017年全年我国汽车销量已经达到2880万辆,同比增长3.04%,创全球新高。中汽协预测,今年我国汽车销量将会持续增长,全年销量将首次突破3000万辆,其中出口车辆约100万辆,预计到2018年底,我国汽车销量将连续10年位居世界第一。然而我们必须清醒地看到国内汽车销量快速增长导致的车用燃油消耗量持续上升的问题。近年来我国石油产量增速缓慢,而石油消耗量却在不断增加,国内石油供需失衡的问题越来越严重,其中汽车燃油消费占了约三分之二。2016年我国全年使用石油5.56亿吨,同比上年消费量增加0.15亿吨,增速为2.8%。过度依赖对外的石油进口,导致了重大的能源安全隐患问题;不仅如此党的十九大指出我国经济已经从高速发展变为了高质量发展,这对我国的能源体系提出了新的要求。目前我国大部分汽车仍然使用传统内燃机,受限于大负荷爆震燃烧,并且不同工况下使用节气门控制负荷导致城市路况下的负载较小,进气节流损失变大,油耗增加。与此同时,内燃机的排放污染逐年增加,汽车尾气中主要有一氧化碳、碳氢化物、氮氧化物、黑烟、油雾、刺激性臭气甲醛、丙烯醛及其他复杂有机物,这些污染物严重破坏了生态环境,还有各种有机碱、有机酸、极性化合物等对人及动物的健康有着严重的危害。
1.1.2提高汽油机燃油经济性的技术
(1)可变气门驱动技术(VVT)
可变气门驱动技术适用范围很广,是一种高效的新型汽油机技术,一般包括可变相位、可变升程、可变气门开启持续期以及这三种小技术的组合形式。它根据发动机的负荷工况需要自动地匹配发动机压缩比以及优化进气、排气过程,因此可以最大限度提高发动机的动力性能并且改善发动机的排放性能以及燃油经济性能。运用可变气门驱动技术可以控制发动机的负荷,相比原发动机利用节气门的开度来控制负荷,可以降低发动机的泵气损失。实现Atkinson循环技术的关键就是利用可变气门相位实现进气门晚关。
(2)混合动力技术(HEV)
纯电动汽车由于续航能力不足、动力下降以及成本控制等问题,当下并不能真正替代传统汽油机。而由传统汽油机和电动机、电容、蓄电池等组成的混合动力汽车作为一种适中的技术解决方案,不仅可以利用现有的汽油机技术,又能发挥电动机清洁高效优势,实现更高的燃油经济性。因此,除了优化电机和降低成本这个方向以外,还可以对混合动力系统所用发动机进行优化,使其动力性能能够满足运行工况。阿特金森循环发动机与传统奥拓循环发动机相比,膨胀比大而泵气损失小,在常用工况时发动机循环做功能够为整车提供动力,而在全负荷动力性下降时,电动机开始输出功率为发动机提供动力,在发动机启动及怠速运转时,电动机负责汽车整车动力输出,从而让发动机与电动机的优势互补。
1.2阿特金森循环研究现状
由于汽车行业技术的整体落后,国内外对于阿特金森循环的研究也有较大的差距,研究进展与成果都远远落后于国外。1991年英国谢菲尔德大学的R.J. Saunders和英国福特T.H. Ma,A. Chopra等人在原有发动机的基础上,通过结构设计和试验研究,讨论了利用进气门晚关来实现Atkinson循环的可能性。他们通过可变压缩比技术和可变气门正时技术实现了Otto循环和Atkinson循环之间的转换,这样传统Otto循环发动机就能够使用这项技术进而提升发动机的各项性能。他们还在文章中详细介绍了这项技术的优点以及实现Atkinson循环对原机结构的改进设计过程;1995年美国福特公司D.L.Boggs等人将Otto循环改进设计成Atkinson循环,通过提高集合压缩比来提高膨胀比,在全负荷工况下使用Otto循环保证发动机的高功率密度,在部分负荷工况下使用Atkinson循环实现更优的燃油经济性。结果表明,在部分负荷时,发动机比油耗降低了15%,一氧化碳和氮氧化物的排放量分别降低了60%和54%;日本丰田普锐斯汽车率先使用了Atkinson循环发动机,从1997年第一款混合动力汽车普锐斯的批量生产到2009年第三代普锐斯混合动力车的开发投产,搭载其上的发动机适当调整了进气关闭角,提高了发动机的热效率,达到了世界级的低油耗(4.7L/百公里)、低排放;2011年澳大利亚巴拉瑞特大学的Alberto Boretti,Joseph Scalzo研究了Atkinson循环技术对某款2.0升直列四缸汽油机燃油经济性的影响效果,研究结果表明,在使用了Atkinson循环技术以后,该发动机的节油效果非常显著,同时中低负荷工况下的功率输出基本没有降低,满负荷工况下的功率输出得到提高,改善了发动机全负荷的燃油经济性;2016年Kookjin Hwang等人对一台1.6L GDI Kappa发动机进行Atkinson循环和Otto循环切换试验,结果表明,Atkinson循环缸内平均指示压力小于Otto循环,但泵气损失比Otto循环小;马自达创驰蓝天2.0L发动机采用Atkinson循环,压缩比为13,在4000 r/min时最大转矩为203 N·M,6000 r/min时最大功率为115kW;2015年Luisi等人研究发现,因为Atkinson循环压缩行程缩短,从而实现低温充质,可大幅度降低爆震倾向,允许增大点火提前角,获得更高的热效率,但在低速阶段,由于进气量少,为了保证Atkinson/Miller循环发动机的输出功率和转矩,会减小进气门提前 (或延迟) 关闭角, 对减轻爆震作用变小。
相比较国外对于Atkinson循环发动机的研究,国内研究起步晚、进展慢。2009年,我国第一台阿特金森循环发动机在长安汽车研究院研发成功,从此填补了我国在此领域的空白;同济大学的田永祥、陈礼播等人研究了Atkinson循环和Otto循环的优缺点,在理论推导的基础上,通过热力学知识得到了Atkinson循环热效率比Otto循环大;2011年北京理工大学的王长园、刘福水等人利用数学建模仿真,在GT-POWER软件上搭建了某不带VVT的Otto循环发动机模型并将其优化改进成阿特金森循环发动机。改进后的Atkinson循环发动机最大功率基本不变,最大转矩降低了10%,燃油消耗率降低了12%~15%;2011年天津大学李彦涛通过数学仿真与发动机台架试验研究Atkinson循环发动机的燃油经济性,发动机外特性扭矩降低了约10%,燃油经济性得到了明显改善;2012年湖南大学冯康将传统Otto循环汽油机改进设计为Atkinson循环发动机,推导出了节油潜力计算公式,通过台架试验得到了节油潜力MAP图;2014年天津大学李云龙通过数学仿真与台架试验,将某款Otto循环发动机改进设计为Atkinson循环发动机,利用LIVC实现Atkinson循环,发动机平均油耗改善率达到5%;2015年湖南大学张思远通过进气门晚关在传统Otto循环汽油机上实现了Atkinson循环,利用进排气门关闭时刻与节气门协同控制发动机的负荷,通过在GT-POWER上搭建的一维数学模型得到节气门与VVT控制过程变化规律,并通过台架试验验证了数学模拟计算结果;2015年郑斌等人对一台Miller循环发动机的试验表明, 与部分负荷时相比, 全负荷状态下燃油消耗上升1.9%,但热效率仍高于Otto循环;2016年冯仁华等人将奥托循环发动机改进设计为阿特金森循环发动机,使发动机的燃油消耗率从250g/(kW·h) 下降到234.5g/(kW·h) ,低油耗区域更宽,最小油耗区也移至低速低负荷工况下。
1.3研究内容及目标
1)、掌握奥托和阿特金森循环基本理论;
2)、对奥托循环发动机进行优化设计;
3)、合理设计阿特金森循环发动机,对其燃油消耗率做出预测及分析,并对其各项性能进行仿真;
4)、对阿特金森循环发动机的改进提出自己的见解。
1.4本章小结
提出了论文的研究背景和意义,介绍了阿特金森循环发动机的研究现状,介绍了本文的研究目标。
第2章 Atkinson循环发动机改进方案设计
基于原始的奥托循环汽油发动机仿真模型,首先需要研究阿特金森循环发动机的原理,并且比较奥托循环发动机和阿特金森循环发动机之间的差异。 然后对相应的结构进行改进和设计,修改数学模型上的相关参数。
2.1阿特金森循环发动机的原理
一般传统的奥托循环发动机包括进气,压缩,做功,排气四个冲程,其中影响发动机热效率的关键是做功行程和压缩行程一样长,在奥托循环发动机做功行程完成之后,一般汽缸内残余废气压力还有3-5个大气压,这部分气体的能量并没用充分膨胀而是在排气行程中排出到机体外,造成了一部分能量损失,此外受限于机械强度、机械效率、排放以及爆震等影响,也不能通过提高发动机的压缩比来进一步提高热效率,这些导致发动机的热效率只能在0.3左右。因此为了提高发动机的热效率,我们可以将发动机的膨胀比与压缩比分离,使得阿特金森循环发动机的膨胀比不受几何压缩比的限制,也就是缩短压缩行程而不改变膨胀行程,使得膨胀比大于压缩比,提高了发动机的热效率。
12341---奥托循环发动机
12351---阿特金森循环发动机

图2.1 Otto循环与Atkinson循环对比
由上图所示奥托循环与阿特金森循环P-V示功图可得:当奥托循环与阿特金森循环具有相同的压缩比时,阿特金森循环的膨胀比比奥托循环膨胀比更大。
阿特金森循环发动机基于这个原理,通过进气门晚关控制来有效压缩比,利用进气门晚关,使得在发动机的压缩行程中,一部分进入气缸的新鲜冲量又倒流到进气歧管中,只在缸内保留能够满足该负荷情况下所需要的进气量,这样每次实际参加燃烧的气体量相对减少。整个循环过程就可以分为:进气、倒流、压缩、做功、排气。

(1)理想奥托循环 (2)理想阿特金森循环
图2.2 奥托循环与阿特金森循环对比
由上图所示的阿特金森理想循环示意图:1点到2点为绝热压缩;2点到3点为定容加热;3点到4点为绝热膨胀;4点到1点为定压放热。而在对应的奥托理想循环示意图中,对应的4点到1点为定容放热。因此和传统的奥托循环发动机相比,阿特金森循环发动机压缩行程的起点更晚,当工质数量和加热量相同时,阿特金森循环对外输出的膨胀功奥托循环更高,所以热效率也更高。
基于理论分析,阿特金森循环发动机可以取消节气门,改为由进气门晚关时刻来控制发动机的负荷。因为在部分负荷工况时,节气门不会完全打开,存在节流效应,使得进气阻力增大,造成一部分能量损失即泵气损失,因此去掉节气门,使发动机在进气行程中缸内压力接近大气压力,可以减少发动机的泵气损失,这样可以有效的降低发动机的燃油消耗率,提高整机的燃油经济性。但是原有的奥托循环发动机可变气门正时调节负荷范围有限,为了避免在部分负荷时气门重叠角过小而导致的泵气损失增加,本文阿特金森循环发动机的负荷控制采取折中的控制策略:通过协同控制进气门晚关时刻以及节气门的开度来控制负荷,即在小负荷工况下,采用节气门和可变气门正时来控制负荷,在中大负荷时则保持节气门全开,只通过可变气门正时来控制负荷。阿特金森循环发动机节油原理如下图所示:

以上是毕业论文大纲或资料介绍,该课题完整毕业论文、开题报告、任务书、程序设计、图纸设计等资料请添加微信获取,微信号:bysjorg。
相关图片展示:







课题毕业论文、开题报告、任务书、外文翻译、程序设计、图纸设计等资料可联系客服协助查找。
