便携式并行多通道高精密温湿度检测仪毕业论文
2020-04-10 16:07:07
摘 要
随着当代制造业的发展,在诸如航空航天、精密制造等领域,环境温湿度成为了影响设备工作性能的重要因素,因此相关行业对设备工作环境的温湿度精密控制提出了迫切的需求。
由于精密设备工作环境空间一般较大,传统的模拟量输出测量探头已无法在保证精度要求的前提下完成复杂长距离的探头布置。本文提出了一种便携式并行多通道高精密温湿度检测仪,旨在通过前端转换输出数字信号解决传统探测仪传输距离和测量点布线困难的问题。检测仪通过RS485和上位机通信,采用通用MODBUS传输协议,以实现多通道并行协同运行的功能,并搭载显示屏以便观察采集点温湿度。同时,高精度敏感元件和高效的测量转换电路的采用,保证了的温度测量精度和
关键词:温湿度测量;RS485;MODBUS;数字量输出;高精度
Abstract
With the development of contemporary manufacturing industry, in areas such as aerospace and precision manufacturing, environmental temperature and humidity have become an important factor affecting the working performance of the equipment. Therefore, there is an urgent need for precise control of temperature and humidity in various working environments.
Due to the complex and diverse work environment, traditional analog output measurement probes have been unable to complete complex long-distance probe placements while ensuring accuracy. This paper presents a parallel high-precision temperature and humidity digital probe, designed to solve the problem of traditional probe transmission distance and measurement point wiring difficulties through the front-end conversion output digital signal. The detector communicates with the host computer through RS485 and adopts the universal MODBUS transmission protocol to retain the function of multi-channel parallel collaborative operation. The display is equipped with a display screen to observe the temperature and humidity at the collection point. At the same time, high-precision sensing elements and efficient measurement conversion circuits are used to ensure a temperature measurement accuracy of ±0.05°C and a humidity measurement accuracy of ±3%RH.
Keywords: temperature and humidity acquisition; RS485; MODBUS; digital output; high precision
目 录
第1章 绪论 1
1.1 研究背景及意义 1
1.2 国内外研究现状 2
1.3主要研究任务 3
第2章 系统总体方案设计 4
2.1 需求分析 4
2.2 设计任务明确 4
2.3 系统总体构成及方案筛选 5
2.3.1 温度采集模块 6
2.3.2 湿度采集模块 10
2.3.3 MCU模块 11
2.3.4 电源模块 11
2.3.5 上位机 12
第3章 系统硬件电路设计 13
3.1 单片机主控电路设计 13
3.2 RS485通信 14
3.3 温度采集电路设计 15
3.3.1 敏感元件选择 16
3.3.2 激励电流设计 17
3.3.3 参考电阻选择 17
3.3.4 ADS1247放大倍数 18
3.3.5 共模电压输入范围 18
3.3.6 输入和参考电压的低通滤波 19
3.3.7 仿真验证 21
3.4 湿度采集电路设计 22
3.5 电源电路设计 23
3.6 LED显示电路设计 24
3.7 PCB设计 24
第4章 下位机软件设计 26
4.1 ADS1247驱动程序 26
4.2 SHT21驱动程序 27
4.3 LED驱动程序 28
4.4 RS485通信程序 29
4.5 滤波程序 31
第5章 理论计算验证 32
5.1 温度测量 32
5.1.1 测量分辨率 32
5.1.2 测量精度 32
5.2 湿度测量 34
第6章 实验测试与结果分析 35
6.1测试安排 35
6.2硬件测试 35
6.2.1 测试步骤及测试工具 35
6.2.2 测试结果 36
6.3温湿度数据测试与分析 38
6.3.1 温度数据测试与分析 38
6.3.2 湿度数据测试与分析 40
第7章 总结与展望 41
7.1项目成果 41
7.2 方案经济性分析 41
7.3 设计待优化方向 42
参考文献 43
致 谢 45
第1章 绪论
本章主要介绍有关高精度温湿度测量的相关背景及其重大意义,并将大致介绍关于高精度温湿度测量的国内外现状,最终明确主要的研究内容。
1.1 研究背景及意义
温度与湿度作为生产生活中最常见也是最基础的环境因素,一直是工业生产、设备运行中需要测控的物理量。随着现代工业的发展,各行各业对于温湿度指标的调节控制都不断趋于严格化,对温湿度尤其温度的测量精度要求也逐渐提高。例如,在色谱仪的工作范围内,温度测量精度应优于[1];原子钟房与超精密激光干涉测量系统中,为较好的稳定设备工作环境,温湿度测量精度也应小于。而目前市场上的相关产品测温精度大多在或,少部分精度较高的设备其价格也较为昂贵。
另外,目前市场上主流的多通道温湿度测量仪采用的感应探头只包含感应元件和一些简单的前端处理电路,最终输出的只是模拟信号,这有以下缺点:
- 易受干扰。相较于数字信号,模拟信号在处理和传输过程中更易受到干扰,从而致使测量信号失真。
- 传输距离有限,无法适用于大空间的温湿度测量。为了避免信号失真,输出为模拟信号的温湿度变送器一般有着线缆长度的限制,这将导致大范围测量时探头布置的困难。
- 各个通道必须用单独的信号线传输,致使温湿度记录仪的连线繁杂凌乱。
因次,便携式并行多通道高精密温湿度检测仪的设计对于需要对大空间温湿度场进行高精度分布式监测的应用场合有着重要的意义
1.2 国内外研究现状
国内张国庆等人针对鞋腔的温湿度测量采用了图1.1所示系统结构[1]。

图1.1 检测系统结构框图
该
检测系统对鞋腔中各点温湿度的测量采用的方法是使用多个SHT21温湿度传感器直接将各点温湿度数据返回到单片机,各个测量点处并不进行数据处理。这种测量方法较好的适用于精度要求不高的小空间温湿度测量。然而,对于高精度大空间的温湿度测量,这种各个测量点不进行数据处理便直接返回未校正温湿度数据的做法将严重影响最终测量结果的精度。针对这种情况,潘磊的多路温湿度检测系统中为前端的检测部分添加了微控制器,以此实现温湿度数据的前端处理[2]。其前端检测部分结构框图如图1.2所示。
图1.2 前端检测部分结构框图
图1.2中增加了时钟芯片以便为每次传输的温湿度数据添加时间标签,另外还加入了LCD和键盘等以便在测量点处对检测仪进行操作。
国外研究中,意大利的Umberto Barone和Roberto Merletti提出了一种基于现场可编程逻辑阵列FPGA的多通道表面肌理图测试系统。以模块化为设计理念,将前端测量设备划分为模拟信号调理模块、量化模块、数据缓冲处理和传输模块以及电源管理模块。其中数据缓冲处理和传输模块实现了测量数据的处理整合,最终输出便于上位机重现肌理图的数据包[3],使得前端测试设备的通用性大大提高并降低了上位机的开发难度。
总体而言,若需有效的对大空间中温湿度场进行高精度分布式测量,在前端温湿度检测器件处进行数据处理是必不可少的。
1.3主要研究任务
本文研究对象是便携式并行多通道高精密温湿度检测仪,经过设计规划,最终确定研究进程安排如下:
- 查阅资料,了解当前温湿度测量采取的主要解决方案,与设计需求对比,确定主攻方向。
- 根据任务需求,筛选器件,确定多套实现方案并进行比较评估并确定最终方案。
- 针对已有方案的器件,收集相关资料,进行理论验证,设计原理图,进行仿真设计。
- 进行制板、焊接,保证电路板焊接正常,编写下位机程序进行功能调试,分析实际误差,对不足之处进行该进。
- 进行最终的评估改进,并整理相关资料文档。
第2章 系统总体方案设计
本章将针对所提需求,提出几种设计方案,并根据方案的性能、可行性及成本进行比较,最终选出最优方案。
需求分析
根据公司需求可得本次课题的目标是依据《JJF 1101-2003 环境试验设备温度、湿度校准规范》研发一种适用于大空间分布式温湿度指标检测的高精度检测仪[4]。该检测仪需能解决大空间中分布测量时测量点布线困难的问题,并且,在232℃的温度范围内经过标定后能达到0.05℃温度测量精度。其具体设计指标如下:
- 温度测量范围为0-100℃,湿度测量范围为0-100%RH。
- 温度测量精度达到(232℃温度范围),湿度测量精度达到,分辨率分别为和。
- 能通过RS485实现与上位机的通信。包括读取温湿度数据、分配设备地址和温湿度校正。
- 设备之间能协同工作,方便项目后期进行温度数据融合。
- 设备体积应尽可能小,可电池供电。
设计任务明确
传统多通道温湿度测量仪系统框图一般如图2.1所示。

图2.1 传统多通道温湿度测量仪系统框图
其温湿度探头仅封装了温湿度感应器件,测量信号将以模拟信号的形式通过通道传输到温湿度记录仪。这种类型的温湿度检测仪不足之处在于探头与记录仪之间的通道线不能过长,不然测量得到的模拟信号会失真。另外,由于每个通道独立,记录仪必须留出同等数目的接口,这使得线路连接繁复凌乱。针对以上问题,本次设计欲采用图2.2所示方案。

图2.2 便携式并行多通道高精密温湿度测量仪系统框图
方案中,每个温湿度检测仪均封装了微控制器,能够在前端就完成数据处理并最终输出数字信号。设备之间通过RS485总线连接,只需软件分配地址即可多通道并行工作。本次设计将着重于前端温湿度检测仪的设计。
2.3 系统总体构成及方案筛选
如图2.3所示,便携式并行多通道高精密温湿度检测仪由四部分构成,分别是温度采集模块、湿度采集模块、电源模块及MCU,以下将逐一讨论各个模块并对其筛选。

图2.3 系统构成框图
2.3.1 温度采集模块
该模块是本次设计的重点难点,其功能是将pt100的阻值变化转换为稳定的电压变化再由ADC转化为数字信号,并传输到MCU。
为满足0.008的分辨率要求,A/D转换器的最小转换温度必须小于0.008。A/D转换器位数可由式(2.1)确定[5]:
(2.1)
式中,为PT100的阻值-温度系数,由MATLAB最小二乘法拟合可获得的取值为0.385,而且为保证采样精度,温度为0时放大器的输出电压值应大于或等于参考电压的[5]。则可得模数转换器的位数取值,如式(2.2)所示。
(2.2)
所以A/D转换器需选用24位,最终由此选出了如下两套方案。
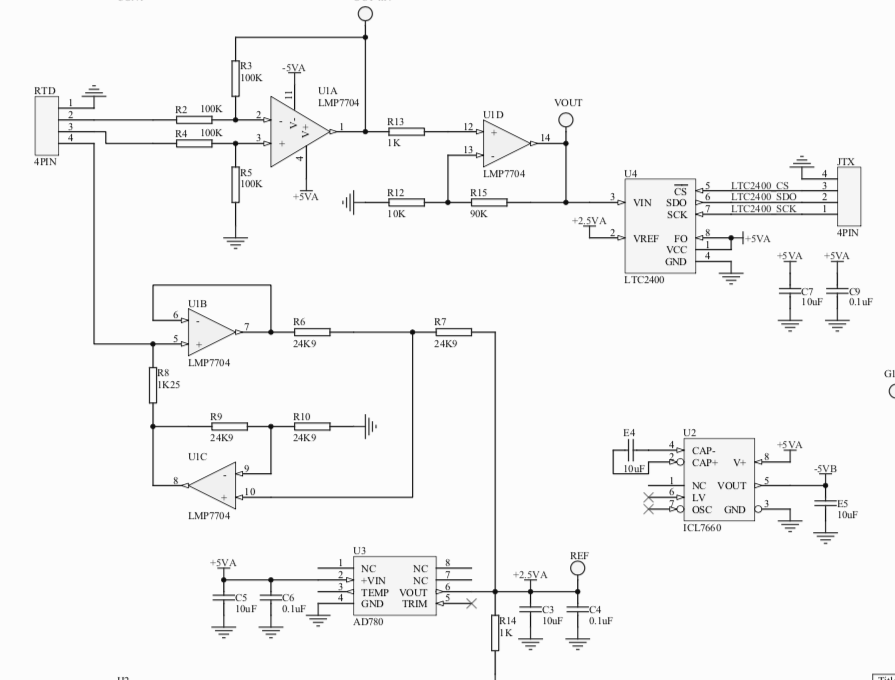
方案一是采用传统的程控放大电路,提供激励电流和进行信号放大处理,最终得到合适的电压信号,再进行AD转换输出,原理图如图2.4所示。

图2.4 温度采集方案一
其中LMP7704是四路低失调电压精密放大器,每个放大器均具有CMOS输入级和宽电源电压范围,其功能图如图2.5所示。

图2.5 LMP7704功能图
在方案一的原理图中,为了给四线Pt100提供激励电流,利用了LMP7704中的两个精密放大器形成了恒流源,如图2.6所示。

图2.6 恒流源电路
其中所产生电流为:
(2.3)
电路良好的恒流特性,能有效保证电阻与电压之间的线性关系,另外考虑到PT100在驱动电流大于1mA时会有较明显的自热现象发生,为避免自热现象影响测量精度,所以恒流源最终选取为1mA[6]。当1mA的电流流经Pt100后会在其两端形成较为稳定的微弱电压信号,一般在mv级别,为保证信号不受过大的干扰,故须LMP7704中的另外两个精密放大器组成高共模抑制比的仪用放大电路,如图2.7所示。

图2.7 仪用放大电路
该放大电路对输入信号的放大倍数为
(2.4)
为保证采样精度,温度为0时放大器的输出电压值应大于或等于参考电压的三分之一,即大于等于0.833v。为最终便于处理显示温度数据,还需将输出电压转换为数字信号,根据本节开头所述,adc选择LTC2400,它是24位无延迟的模数转换器,提供10种设置,从超低噪声到高达4kHz的高速产出率。超低噪声6.9Hz输出速率可同时提供50Hz / 60Hz的抑制,在±2.5V输入范围内可实现2500万次计数并在±50mV输入范围内提供500,000个计数,无需复杂的可编程增益放大器(PGA)。LTC2440将可编程OSR数字滤波器与高速模拟调制器相结合,实现独立的高速度和准确度的产出率。方案中选用封装如图2.8所示。

图2.8 LTC2400封装
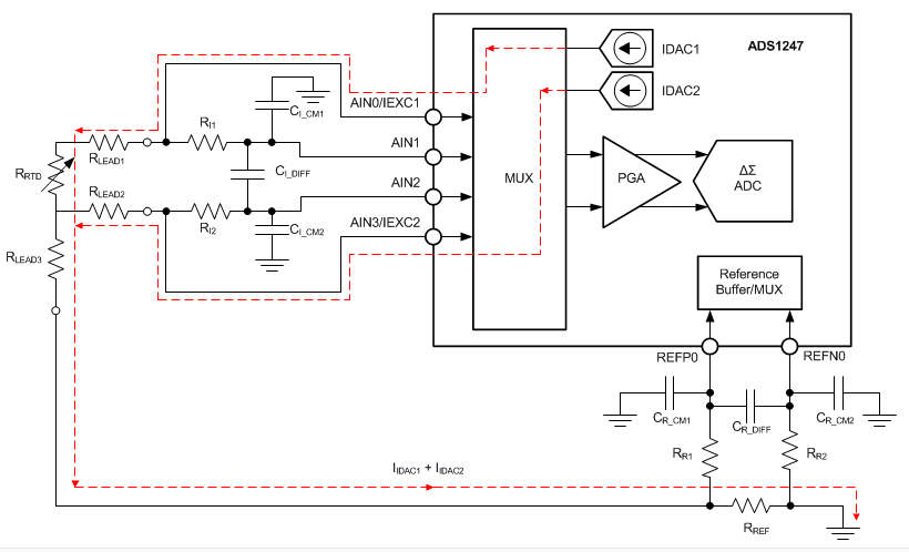
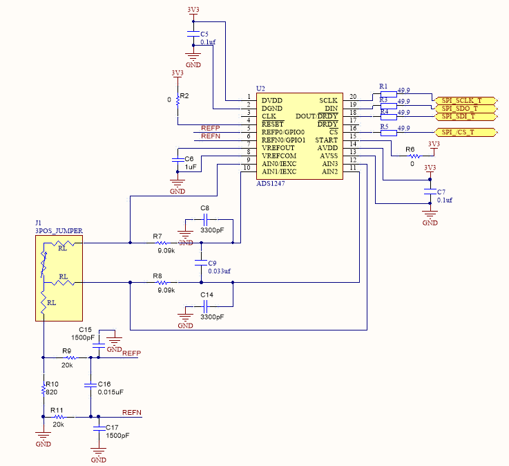
方案二则是以TI的ads1247为核心搭建模块电路。ADS1247器件是精密的24位模数转换器,包含许多集成功能,以降低传感器测量应用的系统成本和元件数量。ADS1247内部的输入多路复用器支持的两路差分输入。PGA提供最高128 V / V的可选增益。这些功能为温度传感器测量应用提供完整的前端解决方案,包括热电偶,热敏电阻,电阻式温度检测器(RTD)和其他小型信号测量,包括电阻式桥式传感器。数字滤波器在单周期内稳定运行,以支持使用输入多路复用器时的快速信道循环,并提供高达2 kSPS的数据速率。方案二的电路原理图如图2.9所示。

图2.9 方案二电路原理图
红色虚线为ads1247内置电流源提供的恒定激励电流,将铂电阻阻值的变化转换为电压的变化,再差分输入到ads1247。采用三线制电路可以有效降低导线电阻所带来的误差。
以上两种方案从原理上均可行。方案一通过搭配合理的外围电路可满足所需温度精度要求,方案二通过查询ADS1247手册的实际应用部分可得知该芯片可搭建最高温度精度为的测温电路。但相比于方案二,方案一需要额外添加2.5v的电源,并分别搭建仪用放大电路和ad转换电路,会提升电路的复杂性。另外,在同样使用24位ad芯片的基础上,方案一还需添加LTC2400和电源转换芯片,经过计算,大致会提升36元的成本。所以最终选择方案二。
2.3.2 湿度采集模块
湿度采集的精度要求为,相较于温度其要求并不算太高,市场上相应精度的产品较多,开发资源也较好收集,最终找到两款传感器较为符合需求。
首先是HIH-5030低电压湿度传感器,其工作电压最低可为2.7V,适用于工作电压为3V的电池供电系统,输出的是模拟电压信号。图2.10所示是其应用电路图。

图2.10 HIH-5030应用电路
以上是毕业论文大纲或资料介绍,该课题完整毕业论文、开题报告、任务书、程序设计、图纸设计等资料请添加微信获取,微信号:bysjorg。
相关图片展示:







课题毕业论文、开题报告、任务书、外文翻译、程序设计、图纸设计等资料可联系客服协助查找。
