高压输电线路感应取电装置的设计毕业论文
2020-04-10 16:42:16
摘 要
随着电网智能化与自动化时代的到来,在线监测设备的使用遍及度越来越高。为了实时在线监测输电线路运行情况,许多监测设备都安装于输电线路附近,然而输电线路大多位于较为偏僻的地区,远离城镇,因此电源供给成为难题。本设计根据户外监测设备供电电源需求,设计了一套高压输电线感应取电装置。具体包括能量收集器和电源转换电路。
本文能量收集器采用电容式感应取电原理,并对其基本原理与具体实现的方法进行了相关探讨研究,分析了不同取电方式的特点和影响高压输电线路下感应取电的因素。
研究设计了一种电源转换方法,具体包括变压器、整流电路、滤波电路、保护电路、稳压电路、电压比较控制电路、储备电源、充电电路。将收集器所获取的高压小电流通过电源转换电路转换,形成户外监测设备所需要的低压大电流,使之满足在线设备的电压及功率要求。同时制作了一套电源转换模块,能够将交流220V以下不稳定输入转换成5V直流稳定输出。
关键词:在线监测;能量收集器;感应取电;影响因素;电源转换
Abstract
With the advent of the era of intelligent and automated power grids, the use of on-line monitoring equipment has become increasingly widespread. In order to monitor the operation of transmission lines in real time online, many monitoring equipments are installed near the transmission lines. However, transmission lines are mostly located in remote areas and are far away from towns. Therefore, the power supply becomes a problem. This design is based on the needs of the power supply of outdoor monitoring equipment, designed a set of high-voltage transmission line induction power device. Specifically includes an energy harvester and a power conversion circuit.
This paper uses the principle of capacitive inductive power acquisition, and discusses the basic principles and specific implementation methods of the energy harvester. It analyzes the characteristics of different power acquisition methods and the factors that affect the inductive power acquisition under the high voltage transmission line.
A power conversion method was researched and designed, including a transformer, a rectifier circuit, a filter circuit, a protection circuit, a voltage regulator circuit, a voltage comparison control circuit, a reserve power supply, and a charging circuit. The high voltage and small current obtained by the collector is converted by the power conversion circuit to form the low voltage and large current required by the outdoor monitoring equipment so as to meet the voltage and power requirements of the on-line equipment. At the same time, a set of power conversion module was made to convert the unstable input voltage below 220V into a stable 5V DC output.
Key Words:On-line monitoring; Energy harvester; Inductive powering; Influencing factors; Power conversion
目录
第1章 绪论 1
1.1 选题的背景 1
1.2选题的目的和意义 1
1.3研究现状和发展趋势 2
(1)电流互感器取电 2
(2)电压互感器取电 2
(3)新能源供电 2
(4)电容串联分压取电 3
(5)电容电抗串联取电 3
1.4 本文主要研究工作 4
第2章 电容式高压取电方法研究 5
2.1电容串联取电原理分析 5
2.2电磁感应原理分析 5
2.3感应取电影响因素 6
(1)极板面积 6
(2)间隔距离 6
(3)环境因素 6
2.4本章小结 7
第3章 电源转换电路设计 8
3.1电源转换电路结构 8
3.2变压器 8
3.2.1变压器原理 8
3.2.2应用方法 9
3.3整流电路 10
3.3.1整流原理 10
3.3.2整流桥实际应用 13
3.4保护电路 14
3.9 保险管实物图 14
3.5稳压电路 15
3.5.1传统稳压电路 15
3.5.2LT1084cp-5 16
3.6比较控制电路 17
3.6.1比较器 17
3.6.2继电器 18
3.7储备电源 18
3.7.1蓄电池的种类及其优缺点 19
3.7.2蓄电池的基本性能指标 19
3.7.3镍镉电池 20
3.8充电电路 20
3.8.1简介 20
3.8.2 9V小型自动充电器 21
3.9本章小结 22
第4章 DXP使用 23
4.1软件概述 23
4.2原理图绘制 23
4.3本章小结 26
第5章 硬件制作与测试 27
5.1硬件制作 27
5.1.1PCB设计 27
5.1.2元件焊接 27
5.2硬件测试 28
5.2.1电路调试 28
5.2.2结果分析 28
5.3本章小结 29
第6章 结论与展望 30
6.1研究结论 30
6.2研究展望 30
致谢 31
参考文献 32
附录A 硬件电路原理图 34
第1章 绪论
1.1 选题的背景
随着生活水平的日益提高,电能在人民的日常生活中扮演着举足轻重的作用。电能作为带动经济发展的动力源泉,保证其可靠与稳定性,是电力系统工作者的首要任务。输电线路作为电能的输送载体,因此输电线路需要密切监测和保持,以确保运行安全可靠。相关的监测和维护方面包括线路温度,线路下垂,结冰,振动,钢芯腐蚀,断股,电晕,可闻噪声等[1-6]。但实际上,目前的传输系统基本上没有实时监控。 通常的做法是以直升机或地面运输为基础的线路检查。 但是常规的线路检查是麻烦的,而且更重要的是,通常不能及时发现发展中的问题或查明故障位置。 因此,传输网络的安全性成为日益扩大的电网主要关注点之一。 解决的办法是建立输电线路维护的实时监测系统[7-11]。最近,随着对“智能电网”的需求,计划在未来20年的新输电线路已经进行了实时监测相关研究 更紧迫和有意义。
状态监测在电力传输基础设施的资产管理中扮演着越来越重要的角色。 通过增加更多的传感器可以实现准确的最终输电线路运行状态。通过提供有关各个系统组件的实际运行条件的知识,而不是依靠宏观模型或保守估计,传感器可以帮助提高设备容量的利用率。
对于传输线路监测和维护,主要有两个子研究方向:线路机器人和分布式线路安装无线传感器[12-14]。在这些设备中,电池通常用作主要电源。电池存在的问题是需要时常充电,这会限制性能并增加维护成本。在一些在线监测单元中,电流互感器用于给电池充电。但是当线路电流较低时,这些设备可能无法正常工作。考虑到可再生能源的间歇性,这对于致力于太阳能和风能的输电线路尤其如此。此外,对于直流电的情况,这些电流互感器将无法工作。因此,由于分别需要新的布线或电池维护,更多传感器的安装或运行成本可能会超过其带来的好处。总之,电力供应仍然是传输线路监测和维护的挑战和瓶颈[15-16] 。有前途的解决方案是采用高压和电力电子组合的能量收集技术。
1.2选题的目的和意义
在一般情况下,在线监控装置一般安装于输电线路附近,但由于输电线路一般位于较为偏远的地区,因此,设备供电成为主要问题,如何经济、可靠、有效地解决供电问题,成为在线监测设备发展的瓶颈。
能量收集技术作为电池或用于低功耗应用的外部电源的替代品越来越受欢迎。有许多能量收集来源,如热能,电能和电磁能。能量收集系统应提供可靠的电力来驱动设备。在靠近电力线的地方使用电磁感应会收集环境能量,这可以用于为远程位置的监控设备供电,以避免持续更换电池。与许多其他方法相比,感应取电非常有吸引力,因为它不会依赖外部天气条件,如阳光或风。它没有任何移动部件,几乎没有维护费用。
1.3研究现状和发展趋势
对于输电线路的监测和维护,有两个主要的子研究方向:线路机器人和分布式线路安装无线传感器。在这些设备中,电池通常是主要的电源。电池的问题在于它需要不时地充电,这限制了性能,增加了维护成本。在一些在线监测单元中,电流互感器被用来给电池充电。但当线路电流较低时,这些设备可能无法正常工作。考虑到可再生能源的间歇性,对于太阳能和风能的输电线路来说尤其如此。此外,对于直流变速器,这些电流互感器将不起作用。
目前,工作在高压端的电子设备供电方式主要有六种取电方式:电流互感器取电(TA取电)、电压互感器取电(TV取电)、新能源供电(如太阳能、风能等)、激光供电、输电线路感应取电及电容串联分压取电。
(1)电流互感器取电
电流互感器是根据电磁感应原理制作而成,它的主要目的在于将大电流通过电磁感应转化成小电流。TA取电是指电流互感器通过感应取电,这种方法受母线电流影响较大,当母线处于空载或者电流较小时,无法保证取电功率。
电流互感器在电力系统中应用广泛,按应用的不同分为保护用电流互感器和检测用电流互感器。保护用电流互感器的精度相对来说稍低,它通过采集电路中的保护电流信号,再传送到相应的分析处理电路,以此来提高电网的运行安全性能[17]。检测用电流互感器在精度方面要求较高,通过记录馈线电流实时情况,同时将得到数据传输给其他设备,以此来分析馈线的运行状况。
(2)电压互感器取电
电压互感器取电方式广泛应用于线路低压侧设备的供电,如开关柜中设备的供电,也可以通过改变安装方式为高压侧设备供电。电压互感器取电只需要母线电压,而无须母线电流,但是目前发现的问题是电压互感器取电易发生铁磁谐振,从而造成设备损坏甚至爆炸,且体积大、成本高。
(3)新能源供电
新能源供电主要有风能、太阳能以及燃料电池,它们具有清洁性和可再生的特点,因此在资源开发中具有很大的优势。而对于这些资源的利用,同时也存在随机性较大的特点,因此在电网中的应用稳定性并不高。由于风能与太阳能都受到环境变化与时间周期的作用,同时在不同的地理空间中性能发挥也存在较大的差异。通常情况下,虽然燃料电池相对受到温度与环境的影响较弱,但是在质子交换膜湿度以及反应物浓度上的影响也存在实际作用。那么也就形成能量输出阶段的影响因素呈现出非线性的关系。在以往经验中发现,新能源的电力系统存在环境制约和供电源力的波动性。
现在在电网供电系统中,有些地方采用小型风光互补发电系统。该系统综合使用太阳能电池、小型风力发电机,然后将所获取的电能存储到蓄电池组中,当设备需要用电时,通过逆变器将蓄电池组中储存的直流电逆变为交流电,然后通过相关电能处理电路,输送给负载设备。将风力发电与太阳发电有机的结合起来。其主要的优点在不受环境因素的影响,晴天由太阳能发电,晚上和阴雨天由风能发电。满足设备的全天候供电需求,比单一地依靠风力发电或者太阳能发电更经济、科学、实用。
(4)电容串联分压取电
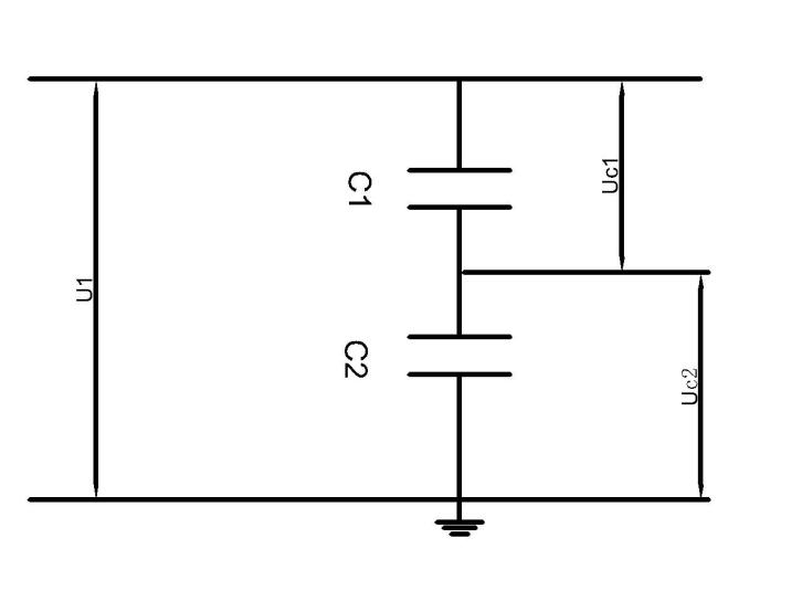
电容式电压互感器取电是用电容串联分压并与匹配电抗器构成谐振回路,再由中压变压器进行二次降压获取电源,其基本原理为:如图1.1所示,C1是大容量电容,C2是小容量电容,U1为配电线路高压侧电压,UC1为高压电容C1上的大电压,UC2为低压电容C2上的小电压。因为两个电容C1和电容C2是串联的,可得U1=UC1+UC2[18]。因此根据串联分压的原理,有如下公式:
(1.1)
公式中的参数K,为电容分压的分压比,因此通过调节电容C1和电容C2的容量,那么久可以得到系统所需的分压系数。但是这种取电方式需要的高压元件多、体积大、成本较高。

图1.1电容分压原理图
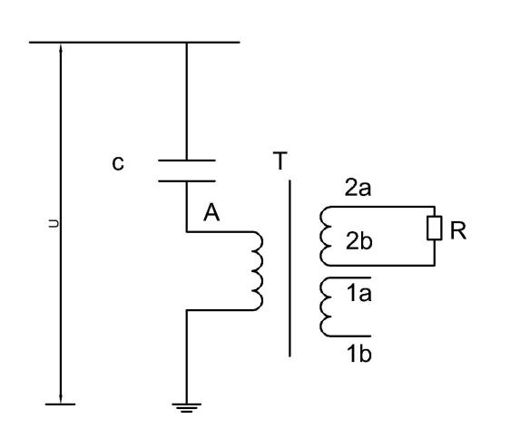
(5)电容电抗串联取电[19]
电容电抗串联取电是一种通过高压电容器与电压互感器串联,然后直接从高压导线上取能的取电方式,其基本思想是利用高压线路中电容器具有储存电能的特性。如图1.2所示为电容电抗串联降压的原理图。其中T为电压互感器;C为高压电容;la、1b、2a、2b为二次绕组端子和剩余绕组端子;U为输电线路电压;R为负载电阻。当线路输入的电压为U时,高压电容器与电压互感器一次绕组串联,线路中电压互感器一次绕组的感抗
与电容器容抗
进行分压,线路中电容器两端的电压
为:
(1.2)
其中
。

图1.2 电容电抗串联降压原理图
1.4 本文主要研究工作
本文根据户外测试设备供电电源需求,设计了一套高压输电线感应取电装置。具体包括能量收集器和电源转换电路。
(1)研究电容式感应取电的基本原理与具体实现的方法,分析不同取电方式的特点和影响高压输电线路下感应取电的因素。
(2)研究设计一种电源转换方法,其结构具体包括变压器、整流电路、保护电路、稳压电路、电压比较控制电路、储备电源、充电电路。将能量收集器所获取的高压小电流通过电源转换电路转换,形成户外监测设备所需要的低压大电流,使之能够满足在线监测设备的电压及功率要求。
(3)制作了一套电源转换电路,能够将交流220V以下不稳定输入转换成5V直流稳定输出。
第2章 电容式高压取电方法研究
2.1电容串联取电原理分析
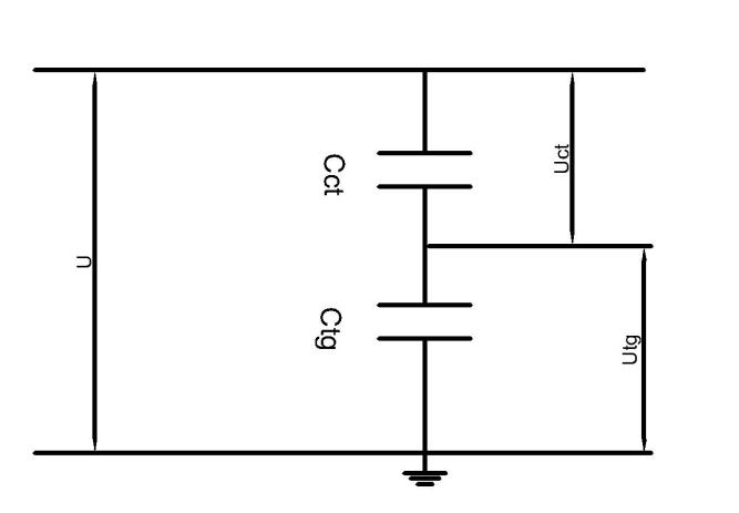
基于电场的能量收集装置可以作为电容分压器工作,并且不管负载电流的幅度变化,总是能够获得一定的能量。其基本思路是利用一个简单的能量收集器(由两块金属板构成)从电场中提取能量。收集器的原理如图2.1所示。当一个能量收集器被放置于高压输电线周围的电场中的时候,取电系统可以被视为两个串联的等效电容,
代表高压输电线路和收集器上面板之间的电容,
代表收集器上面板和地之间的等效电容(为了方便设备的操作,收集器下面板与地相连接)。通过前面介绍的电容串联分压原理,在收集器上下面板之间可以获得一个电压,作为取电模块输出电压
。
(2.1)

图2.1 收集器原理图
2.2电磁感应原理分析
由于输电线路周围电场相对恒定和丰富,本设计中电容收集器上极板存在于电场中,下极板与地相连。从输电线到地电势依次降低,因此在电场中,上极板处于高电势位置,下极板与地等电势,即为0。所以上极板相对于下极板产生一个电压,当通过外电路将上极板与下极板相连时,将会产生电流。因此利用该原理达到取电的目的。
2.3感应取电影响因素
在具体的设计中,许多因素将会影响到搜集器的功率与输出稳定性,主要包括能量收集器本身电容
的设计以及高压输电线路和收集器上面板之间的电容
的影响。
2.3.1收集器电容
收集器的上下极板形成一个电容
,所以影响收集器取电功率的具体因素从电容器自身的性质进行考虑。由电容的计算公式
(2.2)
以上是毕业论文大纲或资料介绍,该课题完整毕业论文、开题报告、任务书、程序设计、图纸设计等资料请添加微信获取,微信号:bysjorg。
相关图片展示:







课题毕业论文、开题报告、任务书、外文翻译、程序设计、图纸设计等资料可联系客服协助查找。
