空气质量监测仪设计毕业论文
2020-04-10 16:43:10
摘 要
随着我国如今经济增长势头良好,工厂开始密集建设,车辆的产量也是逐年增长。这在便民的同时,也引发了对于空气质量的关注。近几年开始,雾霾这个词进入了我们的视线。雾霾中含有数百种微粒物质,其中的主要组成成分就是直径低于或等于2.5微米的悬浮污染物,即PM2.5。雾霾天气对人们的健康生活产生了恶劣的影响,容易诱发呼吸道疾病以及血液系统疾病,还会在出行时阻碍视线,引发交通事故。
因此,空气质量监测仪的设计有着良好的发展需求和空间。本设计根据实际需求,研究并设计一种面向室内空气质量监测的无线空气质量监测仪,其主要针对室内空气中的PM2.5和PM10进行监测。本设计首先结合系统整体功能及需求,对其总体设计方案进行设计。然后选取了STM32F103芯片,通过GPRS通信模块将粉尘浓度信息数据传送到服务端的对应端口,服务端程序将获取的浓度信息存储于 MySQL本地数据库,配合 PC和 Android客户端程序对信息进行展示,实现对室内空气中 PM2.5和 PM10的监测。同时,能将一段时间内的变化趋势以曲线的方式表示,使监控结果一目了然。通过对系统功能的测试,验证了系统能够正常稳定的工作,并具有较高的监测精度。
关键词:空气质量;Winform;远程监控;GPRS;Android
Abstract
As China’s economic growth is now well-established, factories have begun to build intensively, and vehicle production has also increased year by year. This has also brought about concern for air quality. In recent years, the word smog has entered our sight. smog contains hundreds of particulate matter, the major component of which is suspended pollutants with a diameter less than or equal to 2.5 microns, or PM2.5. The smog weather has had a bad influence on people's healthy life, and it easily induces respiratory diseases and blood system diseases. It also hinders sightlines and causes traffic accidents when traveling.
Therefore, the design of the air quality monitor has a good development demand and space. Based on actual needs, this design studies and designs a wireless air quality monitor for indoor air quality monitoring, which mainly monitors PM2.5 and PM10 in indoor air. This design firstly combines the overall function and requirements of the system and designs its overall design. Then STM32F103 chip is selected, and the dust concentration information is transmitted to the corresponding port of the server through the GPRS communication module. The server program stores the acquired concentration information in the MySQL local database and displays the information with the PC and Android client programs. PM2.5 and PM10 monitoring in indoor air. At the same time, the change trend over a period of time can be expressed in a curve manner, so that the monitoring results can be seen at a glance. Through testing the system function, it is verified that the system can work normally and stably, and has high monitoring accuracy.
Keywords: air quality; Winform; remote monitoring; GPRS; Android
目录
摘要 I
Abstract II
第1章 绪论 1
1.1 选题背景 1
1.2 研究现状和趋势 2
1.3 课题的研究内容 4
1.4 论文结构 4
第2章 整体设计方案及选择 6
2.1 系统设计方案概述 6
2.2 硬件方案选择 7
2.2.1 传感器选择 7
2.2.2 通信方案的选择 8
2.3 软件方案选择 9
2.3.1 PC端软件开发框架 9
2.3.2 统计图表框架选择 9
第3章 硬件系统设计 10
3.1 主控电路 10
3.2 粉尘传感器模块 13
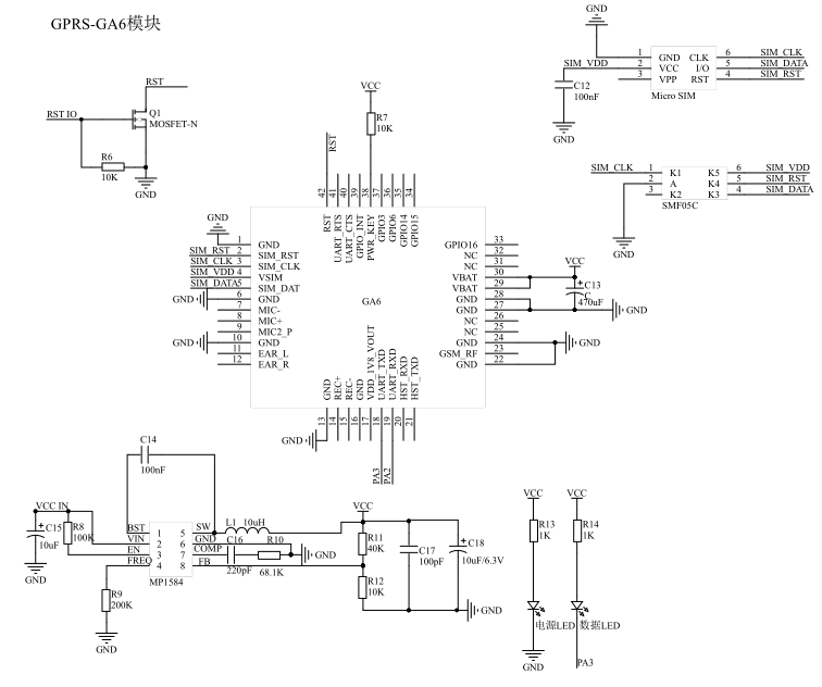
3.3 GPRS通信模块 13
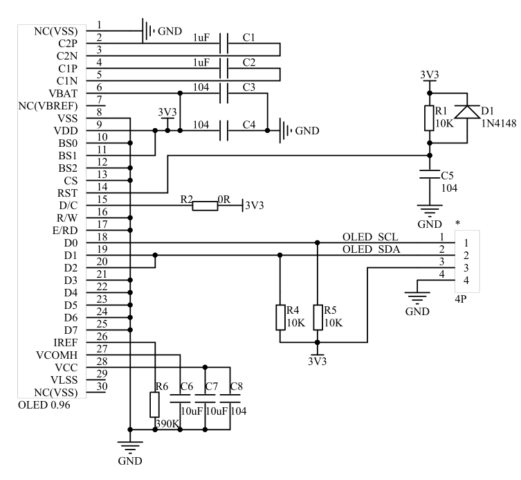
3.4 OLED显示模块 15
第4章 服务器端软件设计 18
4.1 windows server服务器 18
4.2 服务启动 18
4.3 数据库存储 20
4.3.1 MySQL介绍 20
4.3.2 数据库表结构设计 21
4.4 传感器数据的解析和存储 22
4.5 数据库操作 22
4.5.1增加数据 22
4.5.2查询数据 23
4.5.3删除数据 24
4.5.4更改数据 25
第5章 客户端软件设计 26
5.1 登陆界面 26
5.2 注册界面 27
5.3 数据展示界面 29
5.4 打印报表 31
第六章 系统测试与性能分析 33
6.1系统整体测试 33
6.2传感器数据分析 35
第7章 总结与展望 37
7.1总结 37
7.2展望 37
参考文献 38
附录A 程序清单 39
附录B 原理图 39
致谢 40
第1章 绪论
1.1 选题背景
室内空气质量目前受到发展中国家和发达国家的日益关注。2012年世界卫生组织把全球430万人的死因归于在家用煤炭、木头或生物质炉灶进行烹饪,与之相对的是370万人死于室内空气污染。近几年室内空气污染已被作为第九大全球疾病风险负担[1]。室内空气质量受室内产生的气体物质的排放的影响,包括有机化合物、不同大小范围的颗粒物以及包含细菌、病毒和真菌在内的微生物污染物。这些污染物会对健康产生不利影响[2]。
一些常规仪器可用于检测颗粒物和气体污染物,以确定室内空气质量情况,但其中大多数都存在着现实上或技术上的限制,这阻碍了把它们充分地部署在一个房子的不同地方的想法。这些仪器也很昂贵,并且不能提供高分辨率的数据。在这种情况之下,开发一种实时评估室内空气质量的仪器的需求应运而生,并且这种仪器的可用性可能会改变对室内空气质量的监管方式。
室内空气质量传感器所需要的第一个关键是传感器套件或系统的低成本。这个要求对于室内和室外传感技术来说通常都是一样的,然而,对于室内空气质量传感器来说,检测到低浓度的污染物的需求对其更具有挑战性。当这些传感器通过电池进行操作时,它们应该具有较长的使用寿命,这样就无需频繁更换它们,或将它们连接到建筑物内的电源点。尺寸大小则是另一个因素,理想情况下它们应该是小型化的,这样它们可以在大楼内分布着,而不占用太多的空间,或者令住宅和公共建筑中的人们感到不安。最后,它们应该是无噪声的,以便被建筑住户所接受。
一个更深层次的问题是,部署传感器来进行室内空气质量估计的现实程度。很多种类的传感器已经被用来测量空气污染物浓度,特别是对于工业应用和车辆排放监测。然而,在这两种情况下,其所测得的浓度都很高,但室内环境中所测得的数值仅是其的百万分之一。 因此,第一个挑战就是使这些传感器对低浓度水平更加敏感。 而在这样做的同时,我们便会遇到选择性的问题。
吸入空气的质量能影响人体健康[3]。考虑到我们的大部分时间都是在室内度过的,所以了解建筑内空气的质量对评估有关的风险愈来愈重要。在老旧建筑中,室内空气质量与室外的变化趋势一样[4]。在过去的十年中,为了改进能源效率而制定的建筑法规的变化,导致现代建筑比以前的更加密闭。这些改进在一方面产生了更舒适的房屋和运行成本更低的办公室,但在另一方面,它们导致室内环境能容易地产生空气污染物,并且产生的浓度远高于大气环境中的。
空气污染物会通过各种来源进行排放[5]。对于老旧建筑来说最重要的是加热燃烧,香烟烟雾,烹饪以及室内使用的材料所排放的挥发性有机物。对于在19世纪初到20世纪80年代后期所建造的建筑来说,材料变质和石棉暴露是另一个重要的危险因素。对于现代建筑,来自建筑材料的污染物更受关注,包括了涂料,清漆和防腐剂释放的挥发性有机物。最后,不溶性纳米颗粒以及存在于室内空气中的生物颗粒也会影响到人体健康。
室内空气质量差也可能导致病态建筑综合症,使住在其中的居民表现出一系列与室内所待时间相关的健康影响。然而,要确定造成病态建筑综合症的主要污染物极具挑战性,主要是因为室内空气质量检测的局限性,使得因果关系很难建立。这使对于室内空气污染造成的危险也认识不足[6]。这种不平衡需要通过开发合适的传感器,并让更多的人参与使用,来对其加以纠正。
1.2 研究现状和趋势
传统的分析仪器虽然可以用来精确的测量室内环境中发现的污染物的浓度,但因为以下的原因,它们并不实用。首先,它们很笨重,在很多情况下噪声很大,这使得它们不适合在室内使用。其次,它们安装昂贵且复杂,因此它们的操作需要经验丰富的人员。最后,在大多数情况下,这些仪器的精度对于室内空气质量检测的需求来说过高。其目标是有一个筛选工具来评估是否有某些污染物超过了某个阈值,这个要求,以及当前对室内空气质量传感器的市场需求,激励了研究人员去开发电池供电的低功耗的稳定使用的设备。
空气传感器技术的最新成果导致了大量高科技空气传感设备的出现,其能测量一系列常见室内空气污染物。如挥发性有机物,一氧化碳,臭氧,氮氧化合物,二氧化硫和颗粒物[7]。理想情况下,对于室内空气传感技术,设备必须有良好的反应时间,表现出高性能,健壮性。这些设备变得紧凑,低重量,价格低廉。 事实上,最近的大多数设备中,有一些仅仅不到几百元便可获得,尽管这些设备限制浓度测量对象,像一氧化碳、苯和挥发性有机物这些气体污染物。大多数紧急空气传感器都具有其他的增强的技术和性能特性,包括:低功耗,重量轻,可接受的效率,反应灵敏和可选择性。大多数这种传感器都是可移动的和可穿戴的。并且它们通常都内置通信协议[8]。通过应用软件的帮助,数据可以通过蓝牙或者WiFi传输到远程平台进行查看,像个人电脑或者智能手机等。由于检测能力的技术不断改进,空气传感器可以检测到很多标准污染物,这变得越来越普遍。然而,其中很多都是检测特定的污染物,像NGD8800检测仪,主要检测甲烷和挥发性有机物。
空气传感装置具有使用微制造技术制造的内置微机电系统[9]。微制造技术将电子电路巧妙地连接到微处理器的传感器。传感器通过相应的物理化学变化对环境变化做出响应,并利用这些特性产生处理成信号的电脉冲,通过微处理器和模数转换器转换成数字信号。微机电系统传感器具有不同的化学成分,形状和尺寸,可以是微流体,光学材料,气体或纳米材料。
(1)气体传感器
气体传感器通过分析传感材料和目标气体之间的反应来测量气体种类的浓度,并将结果显示为电脉冲或信号。其操作原理通常是基于薄膜的电特性的变化。这些传感器通常使用N型半导体,其导电性对其最上面的表面耗尽层非常敏感,其通常是纳米材料,以提高灵敏性。一旦目标气体吸附或从半导体表面解除吸附状态,它将捕获或者释放电子,并因此改变其电导率。这些膜的灵敏度与目标气体可吸附的表面活性点的数量以及它们的表面-体积比成正比,因此,到目前为止,聚焦的重点是掺杂和纳米构建它们。此外,依赖于金属薄膜的光学变化的传感器已经被提出,但这些主要用于感应穿透薄膜并改变它们的光学特性的氢分子。另一个例子是,市场上可以买到的硫化氢传感器,它可以高分辨率的可靠地测量非常低的工作场所的浓度。
尽管可以通过上述固态气体传感器的阵列来测量典型的气态污染物的浓度,但是对于室内挥发性有机物的可靠检测,还是需要别的选择。这是因为:(i)室内环境中的大多数挥发性有机物的浓度相对来说较低[10]。(ii)其中的一些具有剧毒。虽然目前在这个方向上已经有了不小的进步,但能够检测和量化更低水平浓度的这些污染物的传感器仍有待开发。
这些仪器的局限性之一就是它们可能寿命较短。然而,市场销售的用于测量氧气的非消耗性无铅传感器的特点,是具有超过5年的特别长的使用寿命,因此可以安全的放入公共和私人室内环境中的现代室内检测基础设施中。这些传感器可以安装在室内的固定或者可移动的位置,可以使用普通电源供电,或者紧急情况下使用碱性电池或者可充电镍氢电池。如今,后者能提供超过12 小时的可靠的电源,并能支持高容量电池组超过13小时。根据要求,电池可以由内部电源或者车辆充电。
(2)粒子传感器
一般来说,测量颗粒物更具有挑战性,因为除了浓度之外,关于空气中颗粒大小和其他特性对于确定它们对于人体健康的影响来说也很重要。通常的,颗粒物浓度通过离线重量分析法或者近实时衰减技术来测量。
一种用于在线粒子质量测量的方法是使用具有压电晶体的传感器,其与沉积在其上的粒子的质量成比例地振动。通过光学粒子计数器的光学技术,可以更有效地实现粒子检测,并且最新类型的计数器的尺寸显著减小,这使得它们便于携带。这些仪器测量被取样粒子散射的光线,来确定它们的数量密度,通过假设平均粒子密度将其转换为颗粒物的质量浓度。根据这一假设的有效性,使用光学粒子计数器的颗粒物测量误差可能较高。鉴于对室内空气质量监测的需求不断增加,新的无源式,便携式和具有成本效益的光学粒子计数器已经开发出来。
包括新一代便携式仪器在内的光学粒子计数器的一个主要限制,是它们只能检测到波长大于可见光波长的粒子。尽管就质量浓度方面而言,在颗粒物污染时检测较小的颗粒并不重要,但当把重点放在PNC上面时,这一点就至关重要。小于几百纳米的颗粒浓度可以使用冷凝颗粒计数器检测,它们是与饱和器-冷凝器耦合的光学粒子计数器, 通过凝结成微米尺寸的液滴来生长颗粒。这些设备在确定PNC时准确度在20%以内,但当需要质量浓度时,必须假定平均粒子密度,这可能会导致很大的误差。尽管在过去几十年中,冷凝颗粒计数器已经成为测量的主要设备,但它们既没有被小型化,也没有足够的成本来允许它们在室内空气质量中使用。检测和确定亚微米大气颗粒的最有效方法是使用电子技术。这些新型分类器肯定会允许,在接下来的几年中生产更便宜的仪器来确定空气颗粒的大小,而与传统的进行对比,还不会牺牲其精确度。最后,基于电晕充电原理的粒子计数器目前也在市场上出售。尽管它们的尺寸和分辨率对于室内空气质量检测仪的要求足够了,但它们的成本仍然不能满足大规模部署的要求。
1.3 课题的研究内容
本设计结合了GPRS技术以及传感监测技术,其主要由硬件端监测设备、服务器和客户端上位机构成。该设计的主要任务是完成对空气中污染颗粒物作计数测量,能进行 PM2.5和 PM10多档位测量,对测量数据能实时在线处理,也可以离线处理,具有测量数据分析功能,能将测量数据上传至上位机,实现网络传输,远程监控。
硬件设计时,采用STM32单片机系统,其基于STM32F103ZET6芯片。STM32主要用于获取 DSL-01数字激光粉尘传感器的输出数据,并将实时的粉尘浓度数据显示到 OLED显示屏,以及由 GPRS通讯模块 GA6发送到服务端上位机。
软件设计时,由于需要满足网络传输、远程监控等功能,需要考虑网络通信方面的设计,以及有关数据库的问题。同时在客户端软件设计时,因为现在手机等移动设备的流行,在设计时不能仅以 PC端桌面程序为核心,所以增加Android客户端程序的开发,提升使用者的体验。
1.4 论文结构
本论文主要分为7章内容:
第1章,介绍了本设计的研究背景以及近几年的发展现状和趋势,并阐述了本论文的结构安排方面的内容。
第2章,简要介绍了本设计的主要功能以及系统的总体设计方案,主要包括室内空气质量监测仪的硬件设计方案和软件框架选择两个方面。
第3章,介绍了硬件端信息采集部分的各模块的设计功能。主要包括核心控制电路、粉尘浓度传感器、显示屏和无线传输模块等几个部分。
第4章,详细介绍了服务器端上位机软件的设计,主要包括GPRS数据接收、数据保存、数据库管理和信息提示等几个部分。
第5章,详细介绍了分别对应于PC和Android系统的客户端上位机软件的设计,主要包括用户注册界面、用户登陆界面、信息展示界面和打印报表功能等几个部分。
第6章,完成各个组成部分的测试,将整个系统连接好测试其软硬件情况,结果表明:空气质量监测仪能实现对PM2.5和PM10数据的远程监控和信息处理。将实际输出与当地监测站数据进行误差对比分析,得出精度满足要求。
第7章,总结了本设计的成果,并对设计的不足之处及未来的空气质量监测仪的设计进行展望。
第2章 整体设计方案及选择
2.1 系统设计方案概述
本设计的目的是实现一个远程空气质量监测仪,系统主要包括可吸入粉尘浓度信息采集硬件端,服务器端以及客户端上位机展示三大部分。
可吸入粉尘浓度信息采集部分主要采用STM32芯片通过DSL-01传感器采集环境可吸入粉尘浓度信息,在设定的读取频率下,利用GPRS网络通过 TCP通信将得到的浓度数据发往服务端。
以上是毕业论文大纲或资料介绍,该课题完整毕业论文、开题报告、任务书、程序设计、图纸设计等资料请添加微信获取,微信号:bysjorg。
相关图片展示:







课题毕业论文、开题报告、任务书、外文翻译、程序设计、图纸设计等资料可联系客服协助查找。
