基于labview的温度采集系统设计毕业论文
2020-04-11 17:51:07
摘 要
随着上世纪末西方工业技术的迅速发展,传统仪器的缺点被越来越多的人发现,功能丰富,高精度,迅速测量方式成为工业发展的必备要求。随着计算机技术的兴起和集成电路的常熟,虚拟仪器的“软件及仪器”的概念出现并迅速在测试领域引起轰动,功能丰富、工作高效和良好的扩展性的测量仪器出现,使人们认识到测量仪器的发展已经有了革命性的突破。
本文介绍测量温度这一重要参数的系统,根据虚拟仪器与LabVIEW开发平台的结合,完成对温度的采集,分析及处理等一系列步骤。以单片机为核心和周围一系列硬件组成温度采集系统,包括单片机,PT100温度传感器,AD623放大器和电平转换芯片。该系统成功的将虚拟仪器和实际应用结合,为解决传统仪器的测量环境差,灵敏度和显示观察在一定条件下受限提供了思路。
文章通过硬件选型,介绍硬件的作用,引脚功能和工作原理,还简单说明了选取该硬件的选型依据。软件部分,通过对系统登录、串口通讯、数据采集与储存,数据信号滤波和报警系统几个独立部分的程序进行编写,通过对程序的调试,不断地进行修改使其达到正常运行的功能。在整个系统设计原则上,进行了比较完整的表述,使系统在可行上,推广上有优势。
关键词:LabVIEW; 温度采集 ; STC89C52单片机; 虚拟仪器
Abstract
With the rapid development of western industrial technology at the end of the last century, the shortcomings of traditional instruments are more and more people find. The rich functions, high precision and rapid measurement methods have become the necessary requirements for industrial development. With the rise of computer technology and Changshu of integrated circuits, the concept of "software and instrumentation" of virtual instruments has emerged and caused a sensation in the test field rapidly. The appearance of instruments with rich functions, high work efficiency, and good expandability has made people realize that the development of measuring instruments has made a revolutionary breakthrough.
This article describes the system that measures the important parameter of temperature. According to the combination of virtual instrument and LabVIEW development platform, it completes a series of steps such as temperature collection, analysis and processing. The temperature acquisition system consists of a single-chip microcomputer and a series of hardware around it, including a single-chip microcomputer, a PT100 temperature sensor, an AD623 amplifier, and a level conversion chip. The system successfully combines the virtual instrument with the actual application, providing ideas for resolving the traditional instrument's poor measurement environment, sensitivity, and limitation of display observation under certain conditions.
The article through the hardware selection, the introduction of the role of the hardware, pin functions and operating principles, but also simply illustrates the selection of the hardware selection basis. The software part is programmed through several independent parts of the system login, serial communication, data collection and data storage, data signal filtering and alarm system. Through the debugging of the program, it is continuously modified to achieve the normal operation function. In the overall system design principle, a relatively complete statement is made, so that the system is feasible and has advantages in promotion.
Kay Words: LabVIEW; Temperature collection; STC89C52 microcontroller; Virtual instrument.
目 录
第一章 绪论 1
1.1背景、目的及意义(含国内外的研究现状分析) 1
1.2国内外研究状况 1
第二章虚拟仪器概述 3
2.1虚拟仪器概念和特点 3
2.1.1虚拟仪器概念 3
2.1.2虚拟仪器的特点 3
2.2虚拟仪器的组成 4
2.2.1虚拟仪器的硬件 4
2.2.2虚拟仪器的软件部分 4
第三章LabVIEW语言和功能简介 5
3.1 LabVIEW语言和特点 5
3.2LabVIEW应用领域 5
3.3LabVIEW与传统程序语言相比和优点: 6
第四章 温度采集系统的总体设计 7
4.1 温度采集系统的方案 7
4.2设计原则 8
4.2.1系统整体设计原则 8
4.2.2虚拟仪器前面板与程序框图的设计原则 9
第五章 基于LabVIEW温度采集系统的硬件选择 10
5.1单片机 10
5.1.1单片机的选择 10
5.1.2单片机功能原理 11
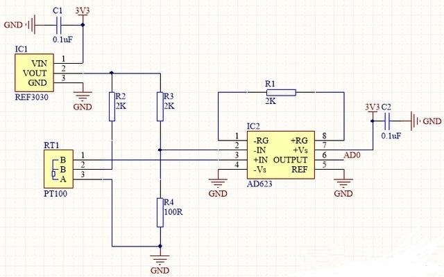
5.2温度传感器 14
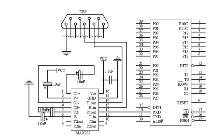
5.3 MXA232芯片 17
5.4上位机和下位机的连接串口选择 19
5.4.1 PC机与通讯串口 19
第六章 温度采集系统软件总设计 21
6.1登陆系统 22
6.2 对数据库的访问设计 25
6.3串口通讯的软件程序设计如下 27
6.4信号分析处理模块设计 28
6.5越限报警模块设计 29
6.6数据储存模块设计 29
图6.16采集数据 30
6.7数据打印 30
总结和展望 31
参考文献 32
致 谢 33
第一章 绪论
1.1背景、目的及意义(含国内外的研究现状分析)
LabVIEW是一种程序开发环境,类似与我们熟悉的C,由美国国家仪器(NI)公司首先提出并研制开发,它与其他计算机语言的区别在于:其他软件的编程主要是用代码来进行,而LabVIEW使用的是图形化的编辑语言G编写程序,产生的程序以图形的形式呈现,编程过程有趣简单。[2]它是NI设计平台的核心,很适合测试工作和控制系统。其函数库有数据采集、GPIB、串口控制、数据分析、数据显示及数据储存,可提高工作效率。
温度在人们的日常生活中、生产科研中有着重要的意义,如:人员的体温、蔬菜大棚的室温、机器运转时的机温、大气气温、储存室的储存温度、柴油机运行过程中的滑油温度、冷却水温度等都需要我们认真对待的。早期温度的检测是靠人持续检测,绝大部分是由集成温度传感器和单片机构成,设计麻烦、不宜调试。检测设备出厂时已经设定好,其检测结果易受环境的改变。功能规格单一,应用范围小,安全可靠性不够强。
随着工业的不断发展,温度的采集和控制越来越重要,传统仪器的特点越来越满足不了现代检测技术的要求,热温度采集系统这种温度系统越来越满足不了时代的需求,如何使温度的检测得到保障一直困扰着工作人员。21世纪以来,虚拟仪器的提出和发展使人们看到测试技术的发展,也相信可以满足现在工业的发展要求。而LabVIEW可以充分利用计算机的图形化资源,将图形用于程序编写。并将其介入仪器的控制系统中,达到软件控制仪器的效果。对采集的数据进行标定和数据点的显示就可成为数据示波器,若将采集的数据进行FFT转换就构成了波谱分析仪。而如若将上述功能用硬件来实现,电路复杂且易出故障,这是虚拟仪器对传统仪器的决对优势。
LabVIEW虚拟系统自动生成温度信号,利用波形显示器显示时事的温度特性曲线,得到时事的温度数值并储存。当温度超过设定的上下限时,系统自动报警实现对温度数据的采集、预处理、分析和显示等功能。
LabVIEW虽然有诸多有点,但与其配套的数据采集卡昂贵在实际中不可能广泛应用,所以如果把LabVIEW与单片机有效的结合起来,充分利用单片机的数字运算能力和逻辑能力,优化通信接口,解决LabVIEW与串行接口的问题,可提高经济性和效率问题,这也是本文的一个思路。
1.2国内外研究状况
首先虚拟仪器与LabVIEW相结合是美国先想出来的想法,所以不管是发展程度还是重视程度都比我们要强,国外计算机的起源早,发展快,决定了国外技术的成熟。
国外以NI公司为首的一些厂商早已推出基于模拟仪器技术的商品化仪器产品,在美国LabVIEW图形编程,就像我国的C语言一样是各大理工科的必须课。在迅速的发展过中,国外的各种测试公司和专供于仪器的公司逐渐意识到LabVIEW与虚拟仪器相结合的各种优势和便利,逐渐重视这块的发展。国外各大学为了迎合市场的需求,学生在大三大四开始进行该项技术与实际系统相结合进行仿真模拟,其中就包括美国的斯坦福大学机械系。在不断地探究下,虚拟仪器在数据处理,表达、各种控制系统中都有广泛的应用。还有各种数据库如:卷积计算,傅里叶变换等等,使虚拟仪器的功能不断变大变广。同时虚拟仪器已然成为一个产业在不断的发展。
在国内受国外的影响和计算机的迅速发展,虚拟仪器得到国内电子、测试等行业的认可,国内最开始的研究和引进也是NI。国内重点大学如:复旦、四川、上交、武理等理工类学校实验室不断引进先进的虚拟仪器让老师和学生能好好的进行学习和研究。在科研方面:四川大学研制出“航空电台二线综合测试仪”,集美大学老师设计出一套基于LabVIEW的电介质测试系统。清华大学成功的将虚拟仪器应用到汽车发动机测试系统中去,国家863项目研制的“一体化虚拟仪器”是一次不同于国外的创新,也体现出我国在这方面付出的努力和取得的喜人成就,为我国从事这方面的专家带来的巨大的自信和继续向前的动力。国内不少企业已研制出PC虚拟仪器,哈工大仪器电子有限公司就是其中一家,可以看出,虚拟仪器已经得到测量界的重视,也相信在不久的未来对电子仪器的发展有很大的帮助和影响。
目前中国处于快速发展时期,工业发展还有巨大的成长区间,虚拟仪器的需求和技术要求还要继续提高才行。相关专家更是预测虚拟仪器在未来中国的市场会有超过百分之五十的份额,[17]百废待兴虚拟仪器技术需要你我他的共同努力,为中国工业等行业的发展迈出重要一步。
第二章虚拟仪器概述
2.1虚拟仪器概念和特点
2.1.1虚拟仪器概念
虚拟仪器的发展历史不是太长,但其发展速度快、影响力深远。其起源可追溯到上世纪70年代计算机检测系统,个人计算机的出现使仪器计算机化成为可能。
虚拟仪器概念首先由美国国家仪器(NI)公司提出,他们以个人计算机的技术为基础,计算机和仪器相结合为理念展开研究。主要思路为“计算机为主题,仪器嵌入”和“仪器主体,计算机进行嵌入”,现在意义上的虚拟仪器采用第一种思路。虚拟仪器的出现引发了一场仪器的革命,使人们对仪器的认识发生巨大了变化,并冲击的传统仪器在市场上的影响力。
虚拟仪器摆脱了传统仪器的测量局限,最主要的是其测量环境多样、手段多样且可根据用户的不同需求进行恰当的改变和设置带来的灵活多样性极大地满足了现代工业生产的需求。[16]这一切得力于计算机与仪器相结合:计算机显示屏代替仪器显示屏,软件制作的各种虚拟按钮来代替仪器的按钮,加上计算机强大的计算运行能力,使测量更加迅速、准确可靠,虚拟计算机化更使得测量更加安全方便。
2.1.2虚拟仪器的特点
虚拟仪器拥有以下特点:
(1)可多变性:虚拟仪器不再是传统仪器那样其性能和测量范围等由厂家设定都无法改变,而是可以根据用户的实际需求自己进行软件的设置,添加删减功能,可以一种仪器多种用途,节约经济和使用方便。
(2)性能高:虚拟仪器采用与PC机相结合进行测量,拥有高效的处理数据的能力和文件I/O,避免了传统的单线制的传输机制,传输和分析能同时。
以上是毕业论文大纲或资料介绍,该课题完整毕业论文、开题报告、任务书、程序设计、图纸设计等资料请添加微信获取,微信号:bysjorg。
相关图片展示:







课题毕业论文、开题报告、任务书、外文翻译、程序设计、图纸设计等资料可联系客服协助查找。
