柔性直流输电控制系统设计与暂态特性研究毕业论文
2020-04-11 17:56:06
摘 要
全控电力电子器件IGBT、GTO等的诞生,脉宽调制技术PWM的应用,加速了柔性直流输电技术的前进步伐。柔性直流输电技术作为新一代输电技术,在全球范围内,不仅在理论研究及仿真模拟上取得不小进步,而且已经有很多工程在运行或试运行。其在交流电网的异步互联、新能源发电并网、海上平台及孤岛供电和城市负荷中心供电等领域有广阔的前景。柔性直流输电技术区别于其它输电技术在于实现了有功功率和无功功率的独立控制,即功率可以四象限运行,这也就比其它输电技术先进了很多。
本文从基础的物理模型和数学原理出发,先后论述了VSC-HVDC的组成结构及工作原理,推导了静止abc坐标系下的数学模型,进行坐标变换,得到同步旋转dq0坐标系下的数学模型,这样,就可以确定有功和无功分别受什么物理量的影响,为后面控制器的设计打下基础。
VSC控制系统的控制方式有很多种,经分析比较后还是决定采用经典的双闭环控制系统。在调节器的选择上,要满足对系统的快速跟踪并反馈,而PI调节器正好有此性能,因此,内环电流控制器和外环功率控制器均用PI调节器。锁相环PLL在控制系统设计时至关重要,对其构成及原理也进行了学习。然后运用确定了的控制方式在Matlab环境下搭建了具体的控制系统。
接着进行仿真模拟,分析探讨了VSC-HVDC系统在所设计的控制系统的调控下的电磁暂态特性,对一些已有结论进行了验证,并获得一些新结论,对系统提出改进意见。之后对新能源发电并网的相关问题进行了探讨,对有待提高之处提出自己的见解与建议。
关键词: PWM技术;柔性直流输电;坐标变换;双闭环控制;锁相环PLL;Matlab仿真;新能源发电并网
Abstract
The birth of fully-controlled power electronic devices such as IGBT and GTO and the application of pulse width modulation (PWM) technology have accelerated the advancement of flexible DC transmission technology. As a new generation of transmission technology, the flexible DC transmission technology has not only made little progress in theoretical research and simulation simulation on the global scale, but also has many projects in operation or trial operation. It has broad prospects in the areas of asynchronous interconnection of AC grids, grid-connected new energy generation, offshore platforms and island power supply, and urban load center power supply. Different from other transmission technologies, flexible HVDC technology achieves independent control of active power and reactive power, that is, power can be operated in four quadrants, which is a lot more advanced than other transmission technologies.
Based on the basic physical model and mathematics principle, this paper discusses the composition and working principle of VSC-HVDC, deduces the mathematical model in the stationary abc coordinate system, performs coordinate transformation, and obtains the mathematical model under synchronized rotation dq0 coordinate system. In this way, it can be determined that the active and reactive power are affected by what physical quantity respectively, which lays the foundation for the design of the following controller.
VSC control system has a variety of control methods. After analysis and comparison, it is decided to use a classic double closed-loop control system. In the choice of the regulator, it is necessary to satisfy the fast tracking and feedback of the system, and the PI regulator has exactly this performance. Therefore, the PI controller is used for the inner loop current controller and the outer loop power controller. Phase-locked loop PLL is very important in the control system design, its structure and principles have also been studied. Then use the determined control method to build a specific control system in the Matlab environment.
Then simulate and analyze the electromagnetic transient characteristics of the VSC-HVDC system under the control of the designed control system. Some existing conclusions are verified and some new conclusions are obtained. Suggestions for improving the system are proposed. Afterwards, it discussed the related issues of new energy generation and grid connection, and put forward their own opinions and suggestions on what needs to be improved.
Keywords : PWM technology; flexible DC transmission; coordinate transformation; double closed loop control; phase locked loop PLL; Matlab simulation; New energy generation and grid
目 录
摘 要 I
Abstract II
目 录 Ⅲ
第1章 绪论 1
1.1 研究背景 1
1.2 直流输电技术的发展 2
1.2.1 传统高压直流输电 2
1.2.2 柔性直流输电 3
1.3 VSC-HVDC国内外研究现状 4
1.4 本文主要工作 4
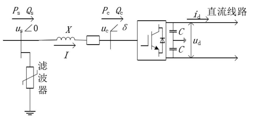
第2章 VSC-HVDC结构原理与数学模型 6
2.1 PWM控制技术 6
2.2 VSC-HVDC结构及工作原理 7
2.2.1 VSC-HVDC系统结构 7
2.2.2 VSC-HVDC工作原理 9
2.3 VSC-HVDC数学模型 10
2.3.1 静止abc坐标系下的数学模型 10
2.3.2 同步旋转dq坐标系下的数学模型 11
2.4 本章小结 13
第3章 VSC控制系统的设计 14
3.1 VSC-HVDC控制方式 14
3.2 锁相环PLL 14
3.3 VSC双闭环控制器设计 15
3.3.1 内环电流控制器 16
3.3.2 外环功率控制器 17
3.4 本章小结 19
第4章 VSC-HVDC仿真与暂态特性研究 20
4.1 VSC-HVDC系统建模 20
4.2 仿真与暂态特性研究 23
4.2.1 有功功率斜坡上升 23
4.2.2 有功无功前后阶跃变化 24
4.2.3 有功潮流翻转 26
4.2.4 单相短路 27
4.2.5 两相短路 28
4.2.6 两相接地短路 28
4.2.7 三相短路 29
4.3 本章小结 30
第5章 新能源发电并网相关问题探讨 32
第6章 总结与展望 34
6.1 总结 34
6.2 展望 34
参考文献 36
致 谢 38
第1章 绪论
1.1 研究背景
众所周知,我国的化石能源结构是煤炭丰富,石油和天然气缺乏。我国作为全球最大能源生产国,为了让能源自给率的水平处于很高状态,必须做到保障国内能源的供应,且在一段时间内不改变。煤作为基础的能源消费结构仍有较长时间,这是我国国情决定的,近期内不可能有大变动。相比其他发达国家,尽管我国煤炭储蓄量大,但是开采过度使很多问题产生。好在近些年新能源的开发步伐加快,相信不久后煤炭消费比例将渐渐下降。同其他国家相比,我国的能源消费总量是很大,可是人口基数大,致使人均占比低。
这些年,电力消耗越来越大,逐渐成为经济发展的中心与支柱。社会发展、人民生活和电力息息相关,如果电力短缺或发展不均衡,则会给国民经济和人民生活质量带来严重的影响。如2012年的印度大面积停电,逾3.7亿人受到影响,给国民经济带来不可估量的损失;2003年的美国加拿大大停电,经济损失达300多亿美元,5000多万人生活受到影响。因此,保证持续高效稳定的电力供应尤为重要。
当前,我国的发电结构非常不合理,仍以火电和水电为主。而且,各类化石能源的大量排放使得环境污染问题日益突出,能源危机进一步严重。因此,风电、太阳能发电等新能源发电在近些年得到快速发展并应用。但是,中国的能源分布与负荷需求呈逆向分布,太阳能、风能亦是如此,如下图1.1所示。

图1.1 我国风能和太阳能资源分布图
新能源的发展对我国有重大意义。其主要特点有:分布广、低污染,能源密度低、单机容量小;且周期性、随机性、波动性明显。因而,需要结合电力电子技术进行分地区开发然后分散地接入大电网。此外,必须要将电力大规模高效率外送,以达到满足经济发达地区的电力需求。为达到这个目标,各类输电技术的综合发展同等重要。不过,我国的电网建设相对发达国家较滞后,远远不能满足发展要求,于是加强电网建设,提高输电技术水平,具有深远意义。
1.2 直流输电技术的发展
输电技术一开始是直流,后来为交流替代,到如今演变为交直流共存的现状。一开始的输电方式以直流为主,可是由于直流输电电压等级低,损耗大,很快便被交流输电代替。交流输电确实不负众望,为世界经济的发展做出了很大贡献,使人类行为和文明等级大幅上升。不过,从上世纪六七十年代开始,电力电子技术的迅速发展,使直流输电技术有了新的突破,重新焕发了生机。近年来,大量的高压直流输电工程的应用,表明其技术已逐步走向成熟。最近又有柔性直流输电技术的大力发展,为直流输电又增添了几分光彩。柔性直流输电技术是一种全新的输电技术,有许多传统输电方式没有的优点,在解决一些原有的输电问题时,表现出了很高的优越性能。
1.2.1 传统高压直流输电
传统高压直流输电(LCC-HVDC)指将交流电升压后,通过以半控型器件晶闸管为换流阀组成的单元后整为直流,远距离输送至目的地,再将直流逆变为交流后输出,达到电能输送的目的。直流输电的线路电抗通常不被提及,因为直流主要是端对端工程,线路电抗忽略。由于其采用晶闸管换流阀,无法自行关断,因此必须借由外部电网提供换相电压,只能连接有源电网,当电网的短路容量不够时,不能实现换相功能。电力电子器件开关频率在高压直流输电方式下比较低,输出波形含谐波分量较多,必须要用大容量的交流滤波器进行过滤方可。同时,电网要给换流站提供大量的无功功率,这就需要装设大容量的无功补偿装置。以上这些原因都使得传统高压直流输电工程的投资高,占地大。
从上世纪八十年代开始,我国将高压直流输电纳入电网建设范畴。通过这几十年的研究,取得相当不错的成绩。近期投运的多条特高压直流工程,显著特点是送电距离长,输送容量大。如向家坝-上海示范工程,电压高达,输送容量达6400MW,直流线路长1891km;锦屏-苏南示范工程,也是,输送容量达7200MW,直流线路长2059km。通过这些工程的大量投运表明,在输送距离较长,超过交直流输电的经济等价距离(指交直流输电的线路和两端设备的总费用相等时的输电距离)时,直流输电比交流输电具有更优越的性能,更好的经济效益,如下图1.2所示。

以上是毕业论文大纲或资料介绍,该课题完整毕业论文、开题报告、任务书、程序设计、图纸设计等资料请添加微信获取,微信号:bysjorg。
相关图片展示:







课题毕业论文、开题报告、任务书、外文翻译、程序设计、图纸设计等资料可联系客服协助查找。
