弱同步支撑下风电接入柔性直流输电系统的稳定性研究毕业论文
2020-04-11 17:56:11
摘 要
面对化石能源的不可再生以及环境污染,新能源的开发迫在眉睫。作为现在技术比较成熟的风电逐渐进入人们眼球,在国家的大力资助与鼓励下,风电近几年发展迅猛,截至2015年风机装机容量已到达128.3GW,规划2020年达到200GW。但是风机的发展迅猛也出现了一个矛盾,那就是大量弃风。因为我国风力富裕地区都远离负荷中心,而当地的经济能力又无法消纳大量的风电,因此风电远距离大容量的输送到负荷中心的传输方式得到人们重视。
风电的间歇性与波动性对于电网稳定性和可靠性都有较高的要求,高压柔性直流输电方式近几年作为新技术得到人们的重视。它可以实现有功功率与无功功率的独立控制,输电方式十分灵活。是目前风电场与电网最有潜力的连接方式。
但是风机与柔性直流系统的经典矢量控制都需要锁相环提供频率相位信息,然而据研究表明,交流电网与风电机组的线路距离会影响锁相环性能,由于线路途中缺乏火电厂调频调压,导致风电机组并网点的频率与相位变得不确定,此时的交流电网是一个弱电网,它所能基于风电机组的支撑是一种弱同步支撑,而且相位信息的不确定性也决定了这个交流电网的脆弱程度。
本文在MATLAB/SIMULINK平台上搭建风机模型,与两端柔性直流输电系统模型,将它们并网连接后进行弱同步支撑下风电机组并入柔性直流电网的仿真分析,观察弱电网的脆弱程度对于风机与柔性直流输电系统矢量控制的影响,观察各个参数的变化情况,观察系统稳定性,得出分析结论,并提供一些理论可行的解决措施。
关键词:弱同步支撑;风电机组;柔性直流输电系统;仿真分析;系统稳定性
Abstract
In the face of non-renewable fossil energy and environmental pollution, the development of new energy is imminent. As wind power technology, now relatively mature in technology, has gradually entered people's eyes, with the country's strong support and encouragement, wind power has developed rapidly in recent years. As of 2015, the installed capacity of wind turbines has reached 128.3 GW, and it is planned to reach 200 GW in 2020. However, the rapid development of wind turbines also presents a contradiction, that is, a large number of winds. Because China's wind-rich regions are far from the load center, and the local economic capacity can not absorb a large number of wind power, wind power transmission of large-capacity long-distance transmission to the load center gets people's attention.
The intermittentity and volatility of wind power have high requirements for the stability and reliability of power grids. High-voltage flexible HVDC transmission has attracted people's attention in recent years as a new technology. It can realize the independent control of active power and reactive power, and the transmission mode is very flexible. It is the most potential connection between wind farm and grid.
However, the classical vector control of wind turbines and flexible DC systems requires phase-locked loops to provide frequency and phase information. However, studies have shown that the distance between the AC grid and the wind turbine can affect the performance of the phase-locked loop. Because there is a lack of power plant frequency modulation and pressure adjustment on the route, The frequency and phase of the grid connection point of the wind turbine become uncertain. At this time, the AC grid is a weak grid. It can be based on the support of the wind turbine is a weak synchronization support, and the uncertainty of the phase information also determines this AC grid vulnerability.
In this paper, the wind turbine model is built on the MATLAB/SIMULINK platform, and the flexible HVDC transmission system models at both ends are connected. After they are connected to the grid, the weak synchronous support is used to simulate and analyze the wind turbine unit into the flexible DC power grid. The vulnerability of the weak power grid is observed for the wind turbine. With the influence of vector control of flexible HVDC transmission system, observe the changes of various parameters, observe the stability of the system, draw conclusions for analysis, and provide some theoretically feasible
Key words: weak synchronous support; wind turbine; flexible DC transmission system; simulation analysis; system stability
目 录
第1章 绪论 1
1.1研究背景与意义 1
1.2国内外研究现状 2
1.2.1风电的发展现状 2
1.2.2柔性直流输电发展现状 2
1.3本文主要工作 4
第2章 双馈异步风电机组工作原理与数学模型 5
2.1双馈风机的结构及原理 5
2.1.1 DFIG结构组成 5
2.2.2叶片的控制 5
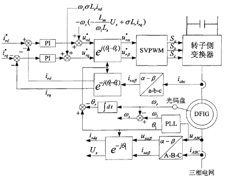
2.2转子侧变流器及其控制策略 6
2.3电网侧变流器及其控制策略 8
2.4 DFIG的仿真模型的构建 10
2.4.1三项静止坐标系下DFIG的数学模型 10
2.4.2同步旋转坐标系下DFIG的数学模型 12
第3章 柔性直流输电系统的工作原理与数学模型 14
3.1柔性直流输电系统发展简述 14
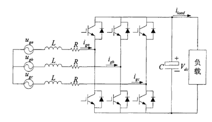
3.2柔性直流输电系统的拓扑结构 14
3.2.1三电平换流器的优点 14
3.2.2飞跃电容型换流器 15
3.2.3中点钳位型多电平换流器 15
3.2.4 H桥串联型多电平换流器 16
3.3柔性直流输电系统的控制方法 17
3.4两端柔性直流输电系统的控制策略 17
3.5柔性直流输电的建模 17
第4章 仿真分析 20
4.1风机接入柔性直流输电系统仿真模型 20
4.2风机数据对比分析 21
4.3柔性直流系统数据对比分析 24
4.4不同工况下的仿真分析 24
第5章 结论 29
5.1全文总结 29
5.2工作展望 29
参考文献 30
致 谢 31
第1章 绪论
1.1研究背景与意义
当今社会,几乎无处不用电,在全球能源互联网的大背景下,我们不仅要着力开发可再生能源,让其尽可能的替代传统的化石能源,从而优化能源结构,同时由于我国地理环境的影响,可再生能源中的风能和太阳能富裕点主要集中在甘肃,内蒙古和新疆等偏远地方,而我国主要用电区却主要集中在东北,华中和南部地区,我们需要将大容量的新能源远距离的输送到负荷中心,因此远距离的高电压大功率的电能运输方式成为了研究热点。
虽然随着电力电子装置的发展,传统的交流输电的获得较好的发展,比如静止无功补偿器(SVC)能调节系统的无功功率从而稳定系统电压来提高稳定性,还有统一潮流控制器也能协调系统中的多个电气量,从而改变系统潮流等。但是高压交流输电(HVAC)始终无法克服功角对最大传输功率的限制,并且HVAC的功率输送能力受距离的限制,随着输送功率和输送线路长度的增加,电缆的充电电流也会增加,这将产生巨大的无功功率,这会减弱有功功率的输送能力,而且电缆端会出现过电压,需要大容量的无功补偿装置。尽管高压直流输电(HVDC)的成本相对高压交流输电(HVAC)要高很多,但HVDC不受功角影响,线路损耗小,直流电缆与交流装置没有谐振,并且高压直流输电也从传统的基于晶闸管的整流方式(LCC-HVDC)演进到现在的基于IGBT的整流方式(VSC-HVDC),LCC-HVDC成本低,主要应用于超高压、大功率、远距离的跨区域传输,但是当连接到弱电网时容易出现换相失败,自身的无功消耗大,也不具备独立的无功调节能力,需要添加电容器或是调相机来进行无功补偿,不适用于海上风电传输,因为这些辅助设备需要巨大面积的海上平台,VSC-HVDC不存在换相失败,且不仅不需要无功补偿甚至可以起到静态无功补偿器的作用,并且在经典的基于dq坐标系下的pi解耦控制方式下不仅能够控制系统的电压和电流,还能快速且独立的控制系统的有功功率和无功功率,从而控制系统的潮流走向,而且相对于传统的LCC-HVDC而言,可以在不改变电压极性,只需在功率控制环节设置功率的正反向就可以很容易的实现功率反向,具有显著优势。
由于远距离输电缺乏火电机组调频调压,而新能源机组又普遍不参与调频调压,此时的直流电网处于弱同步支撑下,也被称为弱电网,风电机组接入弱同步支撑下的柔性直流电网会出现低惯量,欠阻尼的现象,而经典的基于的dq坐标系的pi双环解耦控制对于解决这个现象和维持电压频率的稳定存在不足。本文正是通过仿真来研究这种现象,并对其进行稳定性分析,研究它的动态响应。
1.2国内外研究现状
1.2.1风电的发展现状
近年来,全球风电技术发展迅猛,装机容量急剧上升,风电机组的可靠性大大提高,
发电成本从最初的20美分一度到现在3美分一度,成为能源结构中新能源的主力,并且风能资源十分丰富,已成为当今最经济的可再生清洁能源。风电机组的单机容量逐步加大,目前3兆瓦以下风机技术已然成熟,3到5兆瓦的大型风电机组成为下一个研究目标,控制方法从早期的失速调节向目前的变速变桨恒频发电的发展;传动技术从有齿轮箱的结构发展到永磁直接驱动。目前双馈异步式和永磁直驱式变桨距的风电机组已然成为目前风电场的主要形式。
2009年,世界风电格局发生了剧烈变化,由欧洲遥遥领先变成了美国,欧洲,亚洲三足鼎立的格局,并且之后中国经历爆发式增长,装机总容量排世界第一,成为最大的风电市场。截至2012年,全世界累计装机容量,中国占26.7%,排世界第一,前五名名次依次是美国21.2%,德国11.4%,西班牙8.1%,印度6.5%
我的的几个万兆瓦级的风电基地在全国几个区域已经建成,比如甘肃酒泉百万千瓦级基地,酒泉一期目前总容量为380万已并网发电,酒泉二期已核准在建300万千瓦。位于瓜州县、玉门市和肃北县。酒泉基地所发电量通过酒泉-湖南± 800千伏特高压直流外送。还有新疆哈密百万千瓦级基地,包含哈密东南部、三塘湖和淖毛湖等百万KW级风电基地。东南部首期200万千瓦已核准在建,规划2020年底总装机1080万千瓦。还有蒙西千万千瓦级基地,总容量为210万千瓦,已并网发电30万千瓦。内蒙古包头达茂旗百万基地规划总容量为160万千瓦,已并网发电20万千瓦容量,已核准在建140万千瓦。蒙西风电以包头、乌兰察布和锡盟三个地区分别汇集通过4个特高压交流通道和蒙西-江苏2回特高压直流,送至“三华”负荷中心消纳。除此之外还有河北百万千瓦级基地,蒙东千万千瓦级基地,吉林风电基地,江苏、山东风电基地等等。
我国的海上风电也是发展迅猛。到2012年底,共建成海上示范项目5个,总装机容量39万千瓦。项目是上海东海大桥海上风电10.2万千瓦,江苏如东30MW潮间带试验风电场,江苏如东150MW潮间带示范风电场,江苏响水海上试验项目12.5MW和中水电江苏如东海上风电场潮间带100MW示范项目。
以上是毕业论文大纲或资料介绍,该课题完整毕业论文、开题报告、任务书、程序设计、图纸设计等资料请添加微信获取,微信号:bysjorg。
相关图片展示:







课题毕业论文、开题报告、任务书、外文翻译、程序设计、图纸设计等资料可联系客服协助查找。
