基于西门子S7-200PLC的碳纤维预浸料切割机控制系统设计毕业论文
2020-04-11 18:01:39
摘 要
碳纤维预浸料切割机用于切割纤维铺放制品,纤维铺放制品性能优越,在各个领域都有着广泛的应用。目前我国所采用的绝大多数切割机的控制系统较为单一,都是沿用外国研发的通用型的控制器导致切割效率低、切割精度不高。随着工业发展,对于材料的要求愈来愈高,对碳纤维预浸料切割机的改造,对其控制系统的更新换代也成为必然。
阅读大量有关文献及资料后,对PLC原理及应用有了深刻的认识,结合对碳纤维预浸料切割机工作原理的分析,设计出此控制方案,即设计出一种基于PLC和上位机的碳纤维预浸料切割机控制系统。该系统采用上位机输入指定参数,通过简单按钮操作可实现对材料的预定轨迹切割。
本次设计主要分为硬件设计和软件设计。首先针对切割机的结构和设计要求进行了控制系统的整体硬件设计并进行了硬件的选型以及电气控制系统的设计。本次设计的控制系统通过上位机与PLC的结合,不仅使用简单操作方便,并且可靠性高、稳定性强,还通过PLC实现了难以实现的轨迹控制。
关键词:切割机 PLC 控制系统 梯形图
Abstract
With the development of the auto industry, different types of automation equipment have appeared everywhere in the life of production. In today's industrial field, material cutting is a very important step in the processing of finished products. It is also an important process to ensure the quality of the finished product. The use of advanced modern cutting technology can not only ensure the quality of products and increase labor productivity, but also significantly reduce the manufacturing costs of enterprise products and shorten the product production cycle. At present, the control system adopted by the majority of cutting machines in China is a general-purpose machine tool controller in foreign countries. It is basically impossible to carry out secondary development, and it is impossible to integrate graphics editing software into the control system. The control system as a whole has no openness.With the development of industrial technology and the improvement of information technology level, automation level is improving.As a result, the use of hardware such as PLC and touch screens has become more and more widespread. The transformation of carbon fiber cutting machines and their control systems The update has also become inevitable. In this regard, this paper proposes this research direction.
After reading a large amount of relevant literature and data, a profound understanding of the principle and application of PLC was obtained. Combined with the analysis of the working principle of the carbon fiber cutting machine, this control scheme was designed to design a carbon fiber based on PLC and upper computer. Cutting machine control system. The system uses the upper computer to input the specified parameters and can perform a predetermined trajectory cutting on the material by performing a simple button operation.
This design is mainly divided into hardware design and software design.First of all, the hardware is designed and the control system is designed according to the structure and function of the system.The design of cutting mark requirement, hardware selection and electrical control system are also described. Then use the programming software to design and debug the program.
Through the combination of upper computer and PLC, the control system is designed, which is not only convenient to use, convenient to operate, high reliability and stability, but also realized by PLC.It is difficult to implement trajectory control.
Keywords: cutting machine PLC control system ladder diagram
目录
第一章 绪论 1
1.1课题研究背景及意义 1
1.1.1 切割机控制系统的背景发展及应用 1
1.1.2 国内外研究现状 2
1.1.3 本课题的研究意义 3
1.2 主要研究内容及结构安排 3
第二章 碳纤维预浸料切割机的控制系统的方案设计 4
2.1 切割机工作原理和装置 4
2.2 控制系统方案设计 5
第三章 碳纤维预浸料切割机控制系统硬件选型设计 7
3.1碳纤维预浸料切割机控制系统硬件选型设计 7
3.1.1 PLC的选型 7
3.1.2 伺服驱动器及伺服电机选型 9
3.1.3 接近开关的选型 9
3.1.4 气缸与电磁阀选型 10
3.2 电气控制系统设计 11
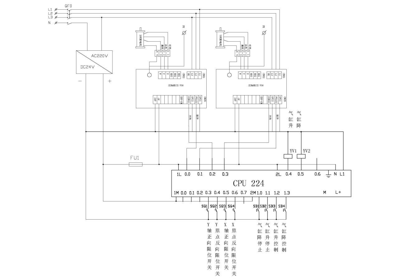
3.2.1 PLC I/O地址分配 11
3.2.2 PLC接线图设计 12
第四章 控制系统的程序设计 13
4.1 编程软件STEP7-Micro/WIN32介绍 13
4.1.1 配置要求 13
4.1.2 界面介绍 13
4.2 PLC通讯设置 14
4.3 控制系统程序设计 14
4.3.1 脉冲输出指令库MAP简介 15
4.3.2 电机控制程序 17
4.3.3 气缸控制程序 23
第五章 总结与展望 24
参考文献 25
致谢 26
第一章 绪论
1.1课题研究背景及意义
切割机控制系统的背景发展及应用
碳纤维预浸料切割机用于切割和剪裁碳纤维预浸料。一共有四种主要的切割方法。包括机械切割、超声切割、水压切割和激光切割。其中激光切割机具有切削速度和精度高的特点。激光切割机价格高,切割成本高,切割皮革有异味且会发黄,适用于薄钢板切割和高精度切割。水压切割机是通过高压水来进行切割的,适用范围很广,几乎可以对任何材料进行切割加工,优点是工作稳定,可实现精确切割。缺点是切削速度慢,效率低,切削成本高。声波的能量将通过切割材料的局部加热来熔化和加热,来进行对材料的切割,制造成本将会很高。
在很多领域中,传统的加工技术不能满足工业发展的需要,因此,切割机的创新和更换是必不可少的。对于碳纤维预浸料切割机而言,首先要进行创新的是改变它原有的控制模式。不再使用传统的通用机床控制器。由于碳纤维预浸料切割机在工业领域中非常重要,且应用广泛。随着时间的推移,碳纤维预浸料切割机已成为工业生产中不可缺少的加工工具。
当前,随着我国工业的不断发展和对材料的需求不断增长,对各种加工机械的要求越来越严格,特别是对于切削机械。通过研究切削机械的控制系统,对其进行改革创新,才能实现切割机性能的飞跃,为中国工业的飞速发展添砖加瓦。随着时代的变化以及计算机技术的发展,我们已经进入网络化时代,与此同时,守旧的控制系统不再适应新的时代,并开始革新向着自动化方向发展。由最开始的计算机集中控制系统发展为分布式控制系统,到现在演变为现场总线控制系统,工业上应用的控制系统经历了一系列的变化。由于对数据传输的高速要求,尤其是大数据,例如图片、视频信号等,以太网与控制网络的结合也随之诞生。这种控制模式在目前的商业领域很受欢迎。这种网络化的工业控制系统也集成了许多流行技术,如嵌入式技术、多标准工业控制网络互连、无线技术等,为工业领域开拓了更过的发展空间,也为发展提供了更多思路。
国内外研究现状
国外生产切割机或拥有切割机械技术的公司有:杜洛克斯、伊通、斯塔玛、希伯尔、多斯滕、欧尔哈恩、UNOL、HETN HETEN等公司,这些公司在切割机生产和研发技术方面领先于其他公司,其大多都能制造拥有性能高、能耗低、自动化程度高的切割机及其控制系统,有自己特有的技术使切割机拥有更优越的性能。
我国生产制造切割机技术的公司有:得众、芝浦、雷亚、赛多、一鸣公司等,虽然其中许多公司具有强大的研发与制造能力,但在中国生产的大多数切割机的CNC系统都是在引进国外CNC系统技术的基础上加以开发的。并逐渐创造出一种更能适应国内用户的CNC系统。一般来说,外国的CNC系统功能更加全面,性能更加优越,我国的CNC系统与之相比在信息化生产和自动化生产等方面仍存在一定的差距。
随着我国各行各业的迅速发展,对于各种材料和设备的需求也逐步提高,在机械加工领域,各种机床为了满足更高的需求,必须提高各类设备的自动化程度,加工精度等。对于切割设备而言,也必须不断改进来提高切割材料的质量和精度,并且逐步提高切割效率和自动化程度来满足国家发展的需要。通过国外进口的切割机与国内切割机的性能对比也能看出,就现在而言,在国内数控切割机的研制过程中,还是存在很多问题。要充分学习国外的制造经验和技术,并研究并解决问题。要实现中国数控切削加工设备的落后状态的改变,最根本的方法就是从控制系统上入手去对数控切割机进行改进
中国大多数切削机床的控制系统是国外通用机床控制器,控制系统自动化程度不高且不够灵活。可编程控制器简称PLC,是近年来才研发出来的一种新型控制器,广泛应用于工业上。它具有很多优点,不仅体积小、质量轻,而且编程简单、实用方便、应用广泛、成本低且工作十分稳定。缺点是耗电量相对较大。因此在工业生产过程控制中的应用越来越广泛。它的特点是作为集成控制系统,集合控制和管理,并形成顺序生产过程。
传统的通用机床控制器不能实现对切割机性能的提升,从而不能满足制造业对材料要求的逐步提高。本次研究设计,能将PLC的诸多优点与切割机控制系相结合,可实现切割机控制系统的开放性、灵活性、稳定性、高效性等特点,从而实现数控切割机的革新换代,希望为我国自动化机械行业做一些贡献。
1.1.3 本课题的研究意义
从我国目前的发展情况看,发展速度快、自动化程度高、自由度高、切割面积大、厚度大、能加工复杂型面的切割机是我们要重点研究的对象。如果能在现有切割机的基础上实现轨迹控制,以更快更准确的方式实现切割动作,在我国一定会有更广阔的市场,也能使加快我国的工业发展的步伐。
因为实现复杂轨迹的切割控制是实现高精度与高自由度的前提,因此,为了实现切割机的创新,摆脱我国的弊端,使我国摆脱国外切割机控制系统的限制,研究国产切割机的运动控制系统成为当务之急。
本文所研究的内容是以PLC、上位机、伺服驱动器、伺服电机等一些其他部件组成切割机控制系统。其中上位机实现了人机交互,PLC作为控制系统核心控制伺服电机和气缸实现切割动作以及切割轨迹的控制。
1.2 主要研究内容及结构安排
本次研究的主要内容是设计碳纤维预浸料切割机的控制系统,目的是实现切割机的轨迹控制,本课题准备研究一种基于西门子PLC和上位机的碳纤维预浸料切割机的控制系统,其主要内容安排为:
第一章为绪论,介绍了本次课题所研究的内容,方向意义等。并介绍了本次设计所采用的硬件的信息。
第二章主要接受碳纤维预浸料切割机的结构及其工作原理,并阐述控制系统的选择和设计以及硬件结构。
以上是毕业论文大纲或资料介绍,该课题完整毕业论文、开题报告、任务书、程序设计、图纸设计等资料请添加微信获取,微信号:bysjorg。
相关图片展示:







课题毕业论文、开题报告、任务书、外文翻译、程序设计、图纸设计等资料可联系客服协助查找。
