基于ARM的室内光控节能系统设计毕业论文
2020-04-12 09:01:45
摘 要
随着社会和经济水平的发展,智能住宅的快速发展,照明系统的智能化发展引起了社会各界的广泛关注。
在本文中,设计并实施了室内光控节能系统系统,设计利用单片机进行识别光照强度这个外部信号,并通过单片机控制百叶窗窗帘的开合,开合窗帘通过步进电机进行调节,当室外天气晴朗,光强过大时将百叶窗调低一定程度的开合度,实现自然光照明;当没有阳光即光强度不足时,百叶窗的开合度调大一定程度;当自然光照度明显达不到正常工作照度时,且窗帘百叶已开到最大时,打开室内照明灯组,以维持正常工作照度。
通过设计和实验调试完成了基于ARM单片机的室内光控节能系统系统。其中光照传感器选取了GY-30传感器,采用步进电机来控制系统硬件,按键电路设定光照的阈值。
关键词:光控节能系统;光照;窗帘;单片机
Abstract
With the development of social and economic levels, the rapid development of smart homes and the intelligent development of lighting systems have attracted widespread attention from all walks of life.
In this paper,I design and implementation of Intelligent light control energy-saving lighting system.Single-chip microcomputer is used to collect the external weather signal, and the shutter is opened and closed by the single-chip microcomputer. The opening and closing curtains are adjusted by the stepping motor,when the outside is sunny and the light intensity is too large, the degree of opening and closing of the blinds is lowered to a certain degree to achieve natural light illumination;when there is no sunlight, that is, the light intensity is insufficient, the degree of opening and closing of the shutter is adjusted to a certain degree;when the natural light illuminance obviously fails to reach the normal working illuminance, and the curtain louvers have been opened to the maximum, the indoor lighting group is turned on to maintain the normal working illuminance.
Through design and experiment debugging, the indoor light control energy-saving system based on ARM single-chip microcomputer was completed.Among them, the light sensor adopts GY-30 light illumination sensor, the control hardware adopts stepper motor, and the key circuit sets the threshold of illumination.
Key words:Light control energy saving system;Illumination ; Curtain; MCU
目录
摘要 I
Abstract II
第1章 绪论 1
1.1 课题研究背景与意义 1
1.2 国内外研究现状 1
1.3 课题研究内容 2
1.4 本章小结 3
第2章 室内光控节能系统的硬件设计 4
2.1 整体设计思路 4
2.2 光照传感器 5
2.3 STM32控制器 6
2.4 四二式步进电机及驱动器 9
2.4.1 四二式步进电机 9
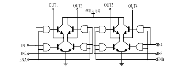
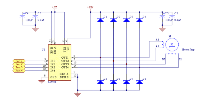
2.4.2 L298N驱动器 11
2.5 照明电路 13
2.6 本章小结 17
第3章 软件开发 18
3.1 keil uvision4 18
3.2 功能测试 19
3.3 本章小结 21
第4章 总结与展望 22
参考文献 23
附录 相关程序 24
致谢 28
第1章 绪论
随着社会和经济水平的发展,人们的生活正在追求个性,自动化,快速追求和实践有趣的生活方式。家装需求水平越来越高,人们对于家用设备的要求更加倾向于便捷,方便。人性化智能家电家用电器的需求使得在家庭智能电子产品这个领域中,智能控制技术在得到广泛应用。它有助于人们更有效地规划时间,节约各种能源,从而优化人们的生活和生活环境,并实现家用电器、照明、窗帘控制和防盗报警、定时控制和电话遥控。从穴居人的山洞到现代化的高楼大厦,无论人类设计出多么优秀的灯具,也不能代替太阳光对人类的影响,随着智能住宅的快速发展,照明系统的智能化发展引起了社会各界的广泛关注[1]。在本文中,我们设计并实施了室内光控节能系统系统,以把握市场动态并适应时代的主题。
1.1 课题研究背景与意义
根据目前照明系统的发展状况,本设计开发了一种室内照明节能系统,可以帮助人们摆脱原有的操作。该节能型室内照明节能系统具有操作简单,占地小,实用性强这些主要特点。此室内光控节能系统只需按下打开按键,整个系统便可以自动运行。同时照明系统能识别天气一自动完成开合百叶窗帘的目的。通过调节帘式百叶窗的开启量来控制进入自然光线的光量,并且结合使用灯具,使得室内光线环境可以达到舒适水平。
1.2 国内外研究现状
光控电路有着广泛的应用。例如,城市中的路灯或走廊灯通常由人类操作。如果使用光控制电路,则根据阳光的强度自动打开和关闭灯光,从而实现无人操作的自动控制。便可以更有效地节约能源,减轻人力工作量,提升工作效率[2]。对于家用设备来说,实现无人化的操控,更加智能地根据室内的具体情况来判定照明需求,例如室内是否有人,室内光照是否需要照明设备工作,室内光照是否过高,这些都是人们所需要的,这些功能的实现能够更好地改善室内环境,也可以节约资源,实现环保。
光控电路的特点是可以根据光线的亮度自动控制照明。与手动操作相比,该开关是及时的,并且具有良好的节能效果。光控制照明电路的制作主要是由半导体光电器件、光敏电阻器的特性来完成的。光敏电阻器使用半导体的光电效应,它根据入射光的强度电阻值而变化。它利用光强来控制照明开关的动作,动作点可以根据实际的光照强度进行调整。该操作不需要人员操作,避免了诸如不成功的手动切换操作之类的不健康因素,从而有效地节省了电力[3]。
现代环保节能市场对于光控照明系统设计与开发有着较大的需求。面对当今许多地方长期以来的照明系统应用,照明按照自然光强度进行自动照明控制,可以高效,高效地节约能源,促进环境保护。这可以用于各种酒店,学校,家庭和其他地方。节约能源在环境保护和节约成本方面的作用在各地都非常有吸引力。
近年来,从智能化,人性化和节能的角度看,家用电器发展非常迅速。随着建筑智能理念的日益普及,人们的节能意识越来越强烈。国际上不少优秀的建筑设计作品都是适当引用自然光,用来营造自然、柔和的室内环境。
随着嵌入式单片机的的新增功能以及计算速度,控制功能和可用性的快速提升,我们能够完成更多自动化设计工作,并使生活更轻松。我们可以实现更多的自动化设计,使生活更容易。ARM单片机采用的新型32位ARM核处理器在总线结构、调试技术、指令系统、功耗、性价比等方面均优于传统的51系列单片机。同时,在芯片中集成了大量的内部和外部设备,大大提高了的功能和可靠性[4]。比起传统的51系列单片机,在如今,ARM单片机更能满足我们对电子设备设计的需求,更加强大的功能也让我们的设备制作与工作更加流畅和稳定,在各个领域中广泛地使用,极大地方便了人们的生活。
本文设计的基于单片机的智能灯光控制系统主要针对室内灯光强度进行实时监控,并对窗帘和灯光进行自动调节,使室内灯光始终保证预先照明的状况,使人们能够生活在舒适的光线环境。并且工作时减少各种照明场所的电力浪费,减少疲劳和视力保护,同时提高工作效率[5]。系统体现了设备的人性化运行,使用简单,成本低,易推广。
1.3 课题研究内容
基于单片机的的室内光控节能系统设计,需要采用ARM单片机作为核心,实现自动控制窗帘的开合以及灯具开关的功能,并根据具体情况进行相应的调整,具体性能和指标如下:
- 智室内光控节能系统全自动工作,可实现无人操控。
(2)自动检测光照强度。
(3)软件处理:通过ARM单片机进行整个系统的指令控制。
(4)光敏传感器:通过调节窗帘百叶开合量来控制室内的太阳光照射,并配合室内照明灯的使用,使室内光环境达到舒适程度。
(5)电源:5V电源供应器供应单片机、电机。
1.4 本章小结
本章介绍了本文的研究背景,简要介绍了国内外研究现状和研究现状,通过文献回顾,了解了需要完成的主要工作,分析了ARM单片机在实际目标中的作用和重要性,总结了本文的主要研究工作,找到了具体的设计思路,对设计的工作过程进行一个简单的概述。
第2章 室内光控节能系统的硬件设计
通过控制电机调节窗帘百叶开合量,控制入射光线的自然光线量,并且利用室内照明,实现室内光线环境的舒适感,同时实现合理的能量分配和减少资源浪费。
2.1 整体设计思路
在进行具体设计之前,就实验需要达成的效果,提出了两种实现方法:第一种是使用常用的51系列单片机,外部连接光传感器,电机驱动,灯光照明设备,以及蜂鸣设备,整体思路是通过光照传感器检测室内光照情况,对电机进行控制,开启或者关闭窗帘,达到控制光照的效果;第二种是使用功能更加强大的STM32系列单片机,同样连接光传感器,电机驱动,灯光照明设备,整体思路为检测室内外光照强度,由单片机判断具体情况来对电机发出指令,驱动窗帘的开启与闭合,已达到改变室内照明的目的,从而实现节能的目的。对于电机的选择,因为正常家用电器使用普通电动机,只要接电便直接旋转,而且电压要求多为220V,不方便这次设计的使用,故选取了更方便受电路操纵的步进电机来配合电路的控制效果,并且电压要求低,一般5-12V便可以驱动。
由于设计的具体要求本设计采用第二种设计思路,使用STM32单片机搭建系统,通过步进电机调节窗帘百叶开合量来控制入射光线的自然光线量,并且利用室内照明,实现室内光线环境的舒适感,同时实现合理的能量分配和减少资源浪费。
以上是毕业论文大纲或资料介绍,该课题完整毕业论文、开题报告、任务书、程序设计、图纸设计等资料请添加微信获取,微信号:bysjorg。
相关图片展示:







课题毕业论文、开题报告、任务书、外文翻译、程序设计、图纸设计等资料可联系客服协助查找。
