基于PLC的船舶克令吊控制系统设计毕业论文
2020-04-12 09:03:25
摘 要
船舶克令吊是船舶装卸货物的设备,即便大部分船舶装载的货物可以通过港口装卸设备进行装卸,但并非所有港口都有足够的货物提升装置,我们需要考虑船舶在驳船、吊装材料和开敞水面上的备用需要。因此,需要在普通干货船上安装货物绞车。船舶克令吊的可靠性和作业效率对缩短停泊时间、加快周转率、降低运输成本具有重要意义。为了缩短港舶时间,加快航运周期,降低营运成本,配备高效且易于管理运行的克令吊成为船运行业的一大问题。
通过对船舶电动克令吊的工作原理、特点和控制过程的研究,探讨了模块化可编程序控制器(PLC)在船舶克令吊控制中的应用及程序设计方法,以提高船舶克令吊的工作效率。船舶克令吊的可靠性和可操作性PLC控制器选用西门子S7—200的CPU 224模型,通过STEP7 Micro/Win软件对PLC进行编程,包括启动机的启动、启动机的停止和启动机的反转力矩控制,以及设计。完成了船舶起动电机系统的PLC电气控制系统。
关键词:船舶克令吊;可编程控制器(PLC );继电器-接触器;
Abstract
Ship crane is the equipment for loading and unloading cargo from ships. even though most cargo loaded by ships can be loaded and unloaded through port loading and unloading equipment, not all ports have sufficient cargo lifting devices. we need to consider the spare needs of ships on barges, hoisting materials and open water. Therefore, it is necessary to install cargo winch on ordinary dry cargo ships. The reliability and operating efficiency of the ship crane are of great significance to shorten the berthing time, speed up the turnover rate and reduce the transportation cost. In order to shorten the time of the ship in hong kong, speed up the shipping cycle, reduce the operating cost, it has become a major problem for the shipping industry to equip with efficient and easy-to-manage crane.
Through the research on the working principle, characteristics and control process of ship electric crane, this paper probes into the application and program design method of modular programmable logic controller ( PLC ) in ship crane control, so as to improve the working efficiency of ship crane. The reliability and operability of the ship crane PLC controller uses the CPU 224 model of Siemens S7 - 200 to program the PLC through step 7 micro / win software, including starting the starter, stopping the starter, and controlling the reverse torque of the starter, as well as its design. The PLC electrical control system of the ship starting motor system has been completed.
Key Words:Ship crane;Programmable controller ( PLC );Siemens step7
第1章 绪论
1.1 船舶克令吊控制系统的发展
传统的船舶电气克令吊控制方法通常是继电器接触式、集成电路式、单片机式等。在这些不同的运行方式中,最广泛使用的是继电器接触器控制系统。控制系统由中间继电器的时间继电器和次级触点组成,控制电机的起动、转速、反转和制动,控制电机的运行性能,加强电机控制系统的保护,满足生产要求过程。其特点是电路清晰、电路图简单明了、器件结构简单等。然而,由于其通用性和灵活性差,使用固定的接线形式,不易改变等缺点,而且,使用接触式开关电器,触点容易出现故障,维修量大。现在它已经开始逐渐被淘汰。在微机控制器的发展过程中,产生了一种利用单片机控制器控制电动吊车的控制系统。在交流电吊具中,交流变极三速充电器被广泛使用[1]。这种控制方式的控制电路不仅具有操作可靠、操作灵活的优点,而且还具有自动启动电路、主控制器和转矩保护。利用单片机控制系统对电动克令吊进行控制,不仅能满足对三速克令吊控制的各种要求,实现稳定可靠的工作,而且能及时发现故障并进行相应的处理,具有一定的经济性和使用价值。然而,近年来,随着PLC控制技术的飞速发展,PLC在船舶克令吊上的应用逐渐取代继电器接触器式控制系统和单片机控制系统,并得到越来越多的应用。PLC的优越性将在下面的论文中详细描述,这里不做过多说明。使用PLC控制船舶克令吊后,优越的控制系统大大减少了管理人员平时的维护和管理,同时有效地减少了故障的发生率,从而提高了船舶装卸货物的效率[2]。
1.2 设计的内容及意义
在1995修订的联合国国际海事组织(IMO)新修订的STCW公约中,在操作船舶上不需要设置机动车工作人员的岗位,而机动车乘务员的具体工作由轮船乘务员承担。根据国内外的现状,上海海事职业技术学院目前正在努力开发新一代的船舶克令吊的PLC变频控制系统,这不仅在实验教学中,而且在实际的船舶改造中也有很大的应用价值。在老式船用电动克令吊中,根据其使用的功率,通常分为如下三大类:电液、液压、电液;通过控制方法区分则有:接触器式继电器、单片机、集成电路式等。科学技术的突飞猛进正在逐步加快PLC在船舶克令吊中的使用。目前,对船舶克令吊的控制主要集中在对逻辑顺序的控制上。由于现有的变频调速在货物提升机上的应用还比较小,其速度调节方法一般是分级变量三速调节。一般来说,电气设计、机械功能、控制系统三大模块在起重机上独立工作,控制系统与机械功能模块之间的配合不够紧密,也不是最合理的。虽然已经有许多关于仿真软件、协作软件和项目管理工具的报告,这些工具有助于机电运动控制系统的设计和开发,但这些只是开发项目中的重要或潜在的部分,这些项目仍然不能很好地工作[5]。同时,运动控制及其发展的研究正在改变电气、机械和软件工程的集成。这就要求船舶克令吊能够提供设备描述,同时数据的范围也应全面详细,并阐明起重机必须具备的效果。然而,当前船的克令吊不能提供性能和连接机械所需的定量信息的完整描述。船舶电力克令吊长期以来一直采用传统的继电器接触器控制方式。中间继电器和时间继电器的辅助触点用于控制电动机的起动/停止、速度变化和转向。由于设备复杂,接触频繁,作业频繁,海上作业条件恶劣,每年损坏的起重机平均数量非常高。如果香港的船舶损失的货物装卸设备故障引起的计数,价值更是难以估计。因此,改造传统的克令吊控制方法迫在眉睫。目前,随着PLC控制技术的飞速发展,PLC技术应用于克令吊的控制是很必然的。在安装PLC控制系统后,克令吊大大减少了管理人员的日常维护和管理。同时效地减少了意外故障的发生,有效地提高了装卸货物的效率[3]。不仅如此,实现了船舶克令吊与PLC复合控制的结合,成功地开发了船舶克令吊的物理仿真设备。通过物理模拟,我们的教学更加生动生动,使我们的船员在未来的训练中学习。它更容易接受和理解,为船员的未来工作奠定了坚实的基础。
1.3本设计的主要内容
本课题的研究对象是船用电动克令吊。船用克令吊是甲板机械中的重要设备。由于其结构复杂、专业性强、难以掌握的缺点,应根据其运行特点、控制要求和安全保护功能,采用PLC对货物克令吊进行控制,从而实现简单可靠的控制。首先,介绍了船舶货物克令吊的类型、特点和基本控制原理,包括船舶交流电动克令吊的各种控制方法和变极调速电动货物克令吊的驱动控制系统。然后简要介绍了PLC的特点、类型、基本特点和工作原理。最后,重点介绍了PLC控制技术在船舶电动绞车提升控制系统中的硬件和软件设计。具体内容将在下面详细描述。
第2章 船舶电动克令吊
2.1船舶克令吊的类型及其特点
根据船舶克令吊的驱动方式,起重机可分为:蒸汽克令吊、电动克令吊和液压克令吊。根据电流形式的不同,可分为交流电动克令吊和DC电动克令吊。根据克令吊不同的机械结构,又可将其分为这几种不同的类型,如回转式船舶克令吊、船舶起重吊机和船舶龙门克令吊。其中,又有两种不同类型的井架克令吊。从20世纪60年代到70年代,船舶克令吊大多数使用的是吊杆式克令吊。自80年代以来,船舶行业中更多的运用了旋转起重机,其中大部分的驱动方式是电液和电动。电动液压克令吊的优点是平稳调速,无级调速,加速短,制动能力好,不需要电磁制动器。同时,由于它的调速与换向是在液压机械中进行的,电动机能维持恒定速度不变,因此可以采用普通的鼠笼式异步电动机,使其控制线路简化;其缺点是制造精度高,输油管路系统复杂,效率低。一旦管道损坏,漏油不易修复。电动克令吊的优点是易于实现自动化和远程控制,其振动和噪声小。它可以通过各种电机拖动和驱动各种电机,因此通常被设计成紧凑的电驱动系统[4]。电力克令吊的缺点是电路复杂,管理维护要求高。DC电动克令吊主要有六种:(1)单输出直流发电机,一台电机系统起重机。(2)双输出直流发电机,一台电机系统起重机;(3)三输出直流发电机,一台电机系统起重机。(4)可控硅电动起重机;(5)具有磁放大器的直流发电机和电动机系统起重机;(6)西门子“利勃海尔”晶闸管控制起重机。简要介绍了起重机的三种类型。单输出直流发电机是一种电动机系统,常与差动复绕组发电机一起使用,而两台起重电机是直流电动机。三相鼠笼式异步电动机作为直流发电机的原动机。发电机和电动机的励磁绕组系统由半导体整流器供电。这是一种改变电机电源电压的调速系统。由于两个发电机的两端通过联轴器连接,它们通常被称为负载型变换器单元,并且系统的控制相对简单。双输出直流发电机电机系统和三输出直流发电机电机起重机在交流动力船舶中经常使用。双输出是指发电机有两个输出电路分别为两个电机供电,每个输出电路的电压和方向可以独立控制,彼此不相关。在三输出直流发电机-电动机系统中,发电机由三台直流电动机供电,由三台发电机电机(G M)拖动系统组成,用于旋转起重机分别起升、振幅和旋转的功能,而双输出直流。发电机采用一电机系统[7]。在两杆起重机中,二者具有相同的工作性质。在各种交流电动起重机中,目前使用的交流调速电机有很多,而交流异步电动机也有交流电动吊具。近年来,采用变频调速的交流电动起重机和PLC控制和单片机控制的电动起重机近年来得到了广泛的应用。变极调速(变极对数)电动起重机可分为恒功率调速和恒转矩调速两种类型。根据恒功率设计的电动起重机系统,当空气钩或轻载在高速齿轮上运行时,可以充分利用电动机的功率,但高速齿轮不允许在重载中运行。因此,在控制电路中应该设置可靠的保护链路,以便在过载时只能在中速或低速齿轮上运行。对于电动起重机系统的恒转矩设计,电动机可以在重载时高速运行,从而可以避免重载和高速运行的保护装置。恒转矩调速电机虽然在空气钩或轻载中运行,但电机的功率不能充分利用,但恒转矩电机的平均起动转矩较大,时间短,提高了生产效率。一般而言,变极调速电机采用双转子结构,以高速和中速共享转子,低速使用另一转子[6]。
2.2电动克令吊的工作原理
电动克令吊的“拖动”原理是指各种原动机用于使生产机械移动以完成某些生产任务。采用各种电机作为原动机的拖动方法称为“电动拖动”。一般而言,电驱动装置主要由电源、传动机构、执行机构和电机四部分组成。电机的功能是将电能转换为机械能,用于驱动生产机械的执行机构。执行机构是生产机械执行某一任务的机械部分。传动机构由各种控制电机、电器、自动化元件和工控机等组成,用于控制电机的运动,实现对执行器的自动控制。电动机和一些电气控制设备的功率消耗由电力驱动系统的供电部分提供。
与其他机电设备一样,克令吊由原动机、传动机构和执行机构组成。电动克令吊主要包括由电动机、减速齿轮箱和离合器、卷筒、电磁机械制动装置和悬架杆组成的传动机构。。电动克令吊控制系统的主要部分包括主控制器、控制保护电路PLC、主电路和保护测试。电动克令吊起重线比较复杂,需要高度的管理和维护。但具有操作简单、运行平稳等特点,在船舶上得到广泛应用。电动克令吊系统结构紧凑,振动和噪音低,易于实现自动化和远程控制。缺点是电路比较复杂,在管理和维护方面都有一定的要求。通常,多电机拖动或各种类型的电机被选择。其固有特性或人为特性满足了货物对电拖动提出的要求[7]。
以上是毕业论文大纲或资料介绍,该课题完整毕业论文、开题报告、任务书、程序设计、图纸设计等资料请添加微信获取,微信号:bysjorg。
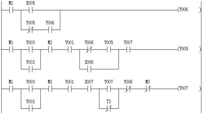
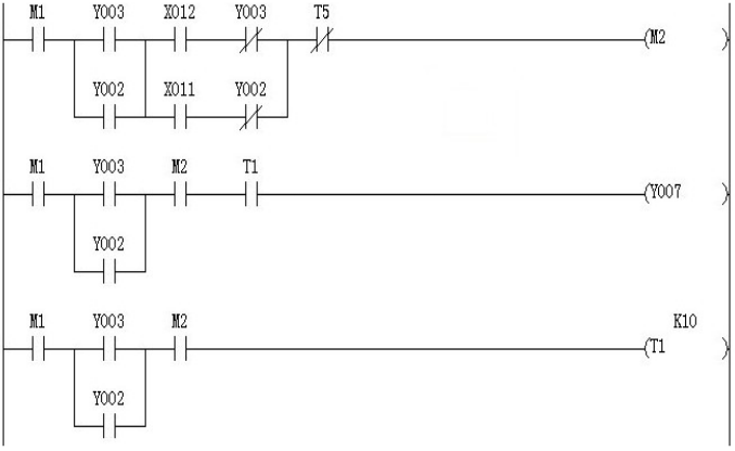
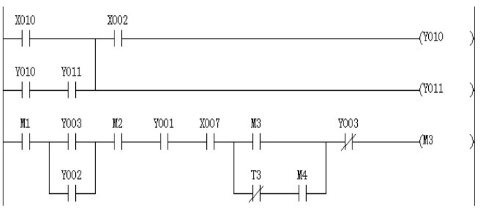
相关图片展示:







课题毕业论文、开题报告、任务书、外文翻译、程序设计、图纸设计等资料可联系客服协助查找。
