家用CO泄漏报警控制器设计与实现毕业论文
2020-04-12 14:10:49
摘 要
随着经济和科学技术的发展,人们生活质量不断提高,各种燃气、液化气等走进了千家万户的生活中。与此同时,也带来了很大的潜在危险。其中,一氧化碳就是很重要的危险气体,它经常使人中毒而不易察觉。
本论文针对生活中不断出现的一氧化碳泄露中毒事件而设计了一款一氧化碳报警器。该报警器以STC89C52单片机为控制核心,配合高灵敏度的MQ-7气体传感器、LCD1602液晶显示屏、SIM800L通信模块和蜂鸣器等部件,实现了一个一氧化碳泄露报警器。当空气中一氧化碳浓度超过安全值时,它能够发出声音报警并发送报警短信,提示主人及时采取安全措施,极大的保障了人们的生命安全和财产安全。
关键词:一氧化碳;气体传感器;单片机;报警器
Abstract
With the development of economy and science and technology, the quality of life of people has been continuously improved, and various kinds of gas and liquefied gas have entered the lives of millions of households. At the same time, it also brought a lot of potential danger. Among them, carbon monoxide is a very important dangerous gas, and it is often poisoned by people and is not noticeable.
This paper has designed a carbon monoxide alarm for the continuous occurrence of carbon monoxide poisoning in life. This alarm uses the STC89C52 microcontroller as its control core, and it cooperates with high-sensitivity MQ-7 gas sensor, LCD1602 liquid crystal display, SIM800L communication module and buzzer to realize a carbon monoxide leak alarm. When the concentration of carbon monoxide in the air exceeds a safe value, it can send an audible alarm and send an alarm message to prompt the owner to take safety measures in time, which greatly protects people's life safety and property safety.
Key words:Carbon monoxide;Gas sensor;MCU;Alarm apparatus
目录
第1章 绪论 1
1.1 课题的背景、目的和意义 1
1.1.1 课题的背景 1
1.1.2 课题的目的和意义 2
1.2 国内外研究现状 2
1.3 一氧化碳报警器的基本功能 2
1.4论文结构 3
第2章 系统的方案设计 4
2.1 设计要求 4
2.2 设计思路 4
2.3 系统方案的选择与确定 4
2.3.1 传感模块 4
2.3.2 控制模块 5
2.3.3 显示模块 5
2.3.4 报警模块 5
2.4 系统框架与原理 5
2.4.1 系统的基本框图 6
2.4.2 系统的工作原理 6
2.4.3 系统的技术指标 6
2.5 本章小结 7
第3章 系统的硬件设计 8
3.1 传感模块电路设计 8
3.1.1 MQ-7传感器 8
3.1.2 ADC0832模数转换芯片简介 9
3.1.3 传感模块电路图 10
3.2 控制模块电路设计 10
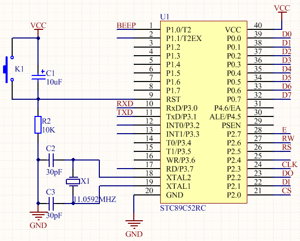
3.2.1 STC89C52单片机引脚图 10
3.2.2 单片机最小系统 12
3.3 显示模块电路设计 13
3.3.1 LCD1602简介 13
3.3.2 显示模块电路图 13
3.4 报警模块电路设计 14
3.4.1 蜂鸣器报警电路设计 14
3.4.2 短信报警电路设计 14
3.5 本章小结 16
第4章 系统的软件设计 17
4.1 开发环境 17
4.2 程序设计方法 17
4.3主程序设计 17
4.3.1 主程序设计流程图 17
4.3.2 主程序设计方案 19
4.4 各模块程序设计 19
4.4.1 LCD1602驱动程序设计 19
4.4.2 GSM通信驱动程序 22
4.4.3 ADC0832驱动程序 23
4.4.4 程序调试 24
4.5 本章小结 24
第5章 系统仿真与功能测试 25
5.1 系统仿真 25
5.1.1 Proteus8.6仿真软件简介 25
5.1.2 Proteus8.6与Keil4联调进行仿真 25
5.1.3 仿真结果 26
5.2实物功能测试 27
5.2.1 实物焊接注意事项 27
5.2.3 功能测试 27
5.2.4 产品精准度测试 28
第6章 结论 29
参考文献 30
致谢 31
附录A 源程序 32
附A1 主程序 32
附A2 延时程序 35
附A3 LCD1602驱动程序 36
附A4 GSM通信程序 38
附A5 串口驱动程序 41
附A6 ADC0832驱动程序 45
附录B 系统总电路图 49
附录C 实物图 50
第1章 绪论
1.1 课题的背景、目的和意义
1.1.1 课题的背景
随着我国经济的迅速发展,科技的现代化和智能化以及人民生活水平的不断提高,人们对个人安全和家庭财产安全越来越重视,对建筑物的防火安全设计要求也越来越高,安全已成为一种市场需求[1]。
近年来,全国天然气工业发展迅速。 诸如液化气,天然气和煤气等城市燃气已被广泛用作工商业和城市居民的清洁能源,越来越多的燃气走进了千家万户[2]。然而,随着天然气等的快速发展和广泛使用,由于燃气泄漏所引发的爆安全问题也越来越多。2017年5月21日成都发生了一起严重的燃气泄漏燃烧事件,当天晚上19时左右,在成都青白江区华逸路一处下水道发生疑似天然气泄漏,并引发燃烧,至20时大火被成功扑灭。事件共造成13人受伤,有1名危重伤者经抢救无效死亡。类似的气体泄漏事件在生活中不断发生,给人们的生命安全和财产安全带来了很大的威胁。
20世纪90年代新墨西哥医疗调查员办公室调查研究的136位由于CO中毒造成的死亡的人群,在136名死亡被归类为“无意识的一氧化碳中毒而非火灾相关的人”中,49人(36%)最有可能在中毒时睡着了。 80名死亡被确定为“住宅死亡”的人中有39人(49%)最有可能睡着,而其中56人死亡的人中有10人(18%)被认定为发生在机动车辆内或周围。56名(42%)患者的血液中酒精含量超过0.01%。 在血液酒精含量为阴性的居民中(住宅中52人,车辆中26人),电子可听CO检测器可以预防一氧化碳中毒; 而在血液酒精含量为阴性且极有可能在暴露于CO时(住宅中28人,车辆中23人)醒着的人群中,电子探测器或不可听见的化学试剂类型探测器可能会阻止一氧化碳中毒。所以公众应该意识到化学试剂和电子一氧化碳探测器的有用性、局限性和正确使用方法,并应定期测试其一氧化碳探测器,以确保它们正常运行。
一氧化碳是家庭燃气的重要成分,农村居民冬季燃煤取暖也会产生大量一氧化碳,一氧化碳是人们生活中比较常见的有害气体,但是它无色无味,很能及时发现,经常使人中毒而不易察觉[3]。健康成年人所能承受的空气中最大一氧化碳浓度值为50ppm,一般应在30ppm以下可视为比较安全的浓度,当空气中的一氧化碳浓度很高时甚至会遇见明火即可发生爆燃。因一氧化碳泄露导致的中毒或爆炸的事件在生活中时有发生,只有及时的发现一氧化碳的泄露,才能够有效的预防这些事件的发生。因此,研究一氧化碳泄露报警控制器已经成为了传感器技术发展领域的一个重要课题[4]。
1.1.2 课题的目的和意义
一氧化碳的泄漏会导致各种危险事故的发生,这将对人们的生命和财产安全造成很大的威胁,所以必须找出一种行之有效的办法。据有关专家介绍,使用一氧化碳报警器是对付一氧化碳这类无形杀手最重要的手段之一。一氧化碳中毒事件在现实生活中更是层出不穷,这种种事件的根本原因都在于一氧化碳泄露或一氧化碳浓度超标的时候人们没能得到及时的警示。通过长期的测试得出的结论显示,如果采用一氧化碳泄露报警器使人们能够得到及时的警示,将可以非常高效的预防很多一氧化碳中毒等事故的发生[5]。
本次课题所设计的一氧化碳报警器成本低廉、报警准确,可以将空气中的一氧化碳浓度实时的显示在LCD显示屏上,当一氧化碳浓度超过安全值(30ppm)时,会发出响亮的报警声并及时的向主人的手机发出报警短信,它的使用将可以避免大多数一氧化碳中毒或一氧化碳导致的火灾等事故的发生,有力的保障了人们的生命安全和财产安全。
1.2 国内外研究现状
国外从1934年开始研究开发气体传感器,且发展迅速,随着传感器技术的不断发展,传感器的集成度不断增大,从而使得传感器体积不断减小,这也在一定程度上减小了气体检测仪器的体积,提高了气体检测仪器的便携性,降低了其生产成本,推动了气体检测仪器行业的快速进步[6]。20世纪60年代,日本开发完成第一台家用燃气泄露报警器,然后又对其进行了不断的改良,改良的报警器可以检测多种气体,灵敏度和精确度也有所提高[7]。我国在上个世纪70年代开始研制可燃性气体报警器,在这几十年的发展历程中也取得了很大的进步,从最开始的只能实现简单的报警到现在的功能多样化、体积小巧化。目前市场上的可燃性气体报警器产品功耗低至1W左右,而且对可燃性气体探测的灵敏度很高(S)、反应快(反应时间一般小于30s)、抗干扰能力强,从而进一步提高了安全性。此外,设备的稳定性高,寿命长达5年甚至更高。市场上相关产品的功能也越来越强大,比如实现远程通讯、语音报警、自动关闭阀门等。
1.3 一氧化碳报警器的基本功能
本次设计的家用一氧化碳泄露报警控制器,可以安放在家庭中较易发生一氧化碳泄露的位置,当房内发生一氧化碳泄露事故后,置于空气中的一氧化碳传感器输出的模拟电压通过ADC0832模数转换芯片送入到STC89C52单片机中进行处理,并将处理的得到的一氧化碳浓度值通过LCD1602显示屏进行实时显示,同时蜂鸣器会根据一氧化碳的浓度不同而发出不同的报警声以警示主人,此外,报警器还会向主人的手机发出报警短信以警示出门在外的主人家中所存在的安全隐患并及时作出应对措施。
1.4论文结构
本次毕业设计论文主要包括6个章节。第1章绪论是整篇论文的开端,介绍了所研究课题的现实背景、目的及意义,分析了国内外研究现状以及本次所设计的一氧化碳报警器的基本功能。第2章主要探讨了一氧化碳报警器系统的实现方案、各模块的方案选择与确定、并最终确定整个系统的整体实现方案。第3章和第4章是整篇论文的核心部分,第3章具体分析了各个模块的硬件设计方案,第4章介绍了该报警器系统的软件设计方法及各模块的程序设计方案。第5章是整个设计过程的最终成果,主要对所设计的整个报警器系统进行了软件仿真,确定方案的可行性,并对制作出的实物进行了各项功能的测试。第6章结论是整篇论文的总结,介绍了整个研究设计过程的心得体会,阐述了产品的可用性。
第2章 系统的方案设计
系统方案的设计要严格遵循毕业设计的要求,根据设计要求进行系统的框架设计和实现方案的确定。
2.1 设计要求
设计并实现一个家用一氧化碳泄漏报警控制器。要求可实时的显示一氧化碳浓度,并根据不同浓度发出不同的警报声音,并向给定手机号码发出报警短信。
2.2 设计思路
根据在家庭室内使用易燃易爆气体的安全性要求,本次设计的报警器应不仅能够在较宽的温度范围内工作,而且能够实时的监测室内的一氧化碳气体浓度,在达到阈值浓度时能够及时报警并发送报警短信。此外,还要尽量减少报警器的体积和成本,提高报警器的安全性、可靠性、稳定性。整个报警系统是通过气体传感器检测室内的一氧化碳气体浓度,在将相关数据送入单片机进行报警处理。所以整体的一氧化碳报警器主要应由四个部分组成:
① 传感模块,采集空气中的气体浓度的数据并送入单片机;
以上是毕业论文大纲或资料介绍,该课题完整毕业论文、开题报告、任务书、程序设计、图纸设计等资料请添加微信获取,微信号:bysjorg。
相关图片展示:







课题毕业论文、开题报告、任务书、外文翻译、程序设计、图纸设计等资料可联系客服协助查找。
