汽车尾板机构设计及三维建模毕业论文
2020-04-12 14:21:42
摘 要
汽车起重尾板是一种安装在车辆尾部或侧面的一种车载液压起重装卸设备,是以车辆的自身蓄电池作为动力的机、电、液一体的环保节能自动化机械产品。在货物装卸过程中稳定、安全、快捷、高效、省力,且不受场地、设备及人力限制,仅使用手动叉车装置便可一人完成货物的装卸。
本文介绍了汽车起重尾板国内国际形势和发展趋势,从系统分析设计、液压系统设计计算及SolidWorks三维建模出发,对既定参数的起重尾板进行设计和强度刚度稳定性计算并生成总体图以及部分零件图。
本液压系统主要功能为传递动力,保证足够的动力是基本要求。此外系统的稳定性、安全性、可靠性也需考虑。针对以上设计要求计算出液压缸液压杆相应尺寸并选取适当液压元件,包括各种液压阀、液压泵、电动机等。
除开汽车尾板整体的功能性、安全性和稳定性,其经济性与环保性也需进行分析。
中国刚刚对汽车液压起重尾板实行了标准化政策,目前国内市场需求量巨大,本文会针对汽车尾板的市场调研结果对汽车尾板市场前景进行分析。
关键词:起升机构,液压系统,设计计算
Abstract
Car lifting tailboard is a kind of vehicle mounted hydraulic lifting loading and unloading equipment mounted on the rear or side of the vehicle. It is an automatic and environmental protection and energy saving mechanical product with the vehicle's own battery as a dynamic machine, electricity and liquid. In the process of loading and unloading of goods, stable, safe, fast, efficient, labor-saving, and without the limits of the site, equipment and manpower, only a manual forklift device can be used to complete the loading and unloading of the goods.
This dissertation introduces the domestic international situation and development trend of the car lifting tailboard. From the system analysis and design, the hydraulic system design calculation and the SolidWorks 3D modeling, the lifting tailboard of the established parameters is designed and the strength stiffness stability is calculated and the overall drawing and part of the part drawings are generated. In view of the above design requirements, the hydraulic cylinder hydraulic rod corresponding size is calculated and appropriate hydraulic components are selected, including various hydraulic valves, hydraulic pumps, motors, etc.
The main function of this hydraulic system is to transfer power and ensure enough power is the basic requirement. Besides, the stability, safety and reliability of the system should also be considered.
Besides the functionality, safety and stability of the automobile tail plate as a whole, its economy and environmental protection need to be analyzed.
China has just implemented the standardization policy of the automobile hydraulic lifting tailboard. At present, the demand of the domestic market is huge. This dissertation will analyze the market prospect of the automobile tail plate according to the market research results of the automobile tail plate.
Key words: lifting mechanism, hydraulic system, design calculation
目 录
摘 要 I
Abstract II
第1章 绪论 1
1.1 课题研究背景 1
1.2 国内外研究现状 1
1.3 课题研究内容 2
第2章 汽车起重尾板机构机械结构设计 4
2.1 汽车起重尾板机构方案确定 4
2.2 汽车尾部参数 5
2.3 汽车起重尾板尺寸设计 5
2.4 油缸尺寸设计 7
2.5 尾板受力分析 8
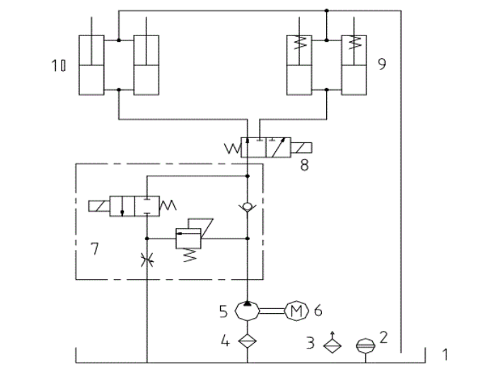
第3章 液压系统设计计算 12
3.1 设计思想 12
3.2 液压原理图 12
3.3 举升油缸的设计 13
3.3.1 液压缸内径计算 13
3.3.2 液压缸体厚度计算 13
3.3.3 活塞杆直径设计 14
3.4 关门油缸的设计 15
3.4.1 液压缸内径计算 15
3.4.2 液压缸体厚度计算 15
3.4.3 活塞杆直径设计 16
3.5 活塞的选择 16
3.6 导向套的选择 17
3.7 端盖和缸底的选择 17
3.8 缸体长度的确定 18
3.9 缓冲装置和排气装置的选择 18
3.9.1 缓冲装置的选择 18
3.9.2 排气装置的选择 18
3.10 防尘装置 19
3.11 液压泵的选取 19
第4章 电动机、液压元件的选择 21
4.1 电动机的选择 21
4.1.1 差动快进 21
4.1.2 快退 22
4.1.3 工进 22
4.1.4 电动机型号确定 23
4.2 液压元件的选择 23
4.2.1 过滤器及液压阀的选择 23
4.2.2 油管的选择 24
4.2.3 油箱容量的选择 24
第5章 液压系统性能校验 25
5.1 液压系统的升温发热校验 25
5.2 压力损失验算和油泵压力调整 26
5.2.1 工进状态下的压力损失验算和小泵压力调整 26
5.2.2 快退状态下的压力损失验算和大泵压力调整 26
第6章 经济性、环保性分析 29
6.1 汽车起重尾板的经济性 29
6.2 汽车起重尾板的环保性 30
第7章 总结与展望 31
参考文献 32
致谢 33
第1章 绪论
1.1 课题研究背景
本次毕业设计由赵章焰老师带领我们到十堰市方舟公司进行,由公司领导以及设计员们进行指导。
汽车尾板定义:是一种安装在车辆尾部或侧面的一种车载液压起重装卸设备,是以车辆的自身蓄电池作为动力的机、电、液一体的环保节能自动化机械产品。使车辆在货物装卸过程中稳定、安全、快捷、省力、高效,且不受场地、设备及人力限制,即可一人完成货物的随时装卸。该产品广泛用于邮政,金融,石化,商业,食品,物流 ,制造等各行业,可大幅度提高运输及装卸效率,节省人力成本,是现代化物流运输的必备设备之一。
国外对汽车起重尾板的运用已经比较熟练,我国近几年才刚刚出现汽车起重尾板安装合法的政策。国内常用材料为钢制,欧美国家为铝制,增加材料成本以降低产品重量。
尾板主要分为:悬臂式、垂直式、折叠式三种,其结构与起升量有所区别。



悬臂式尾板 垂直式尾板 折叠式尾板
图1.1 汽车尾板的分类
1.2 国内外研究现状
目前世界尾板分为欧式与美式尾板。公路运输是现今世界最普遍的运输方式,在很长的时间内都是以人力搬运为主要装卸方式。但是经过几十年的发展,相关法规对劳动者的保护愈发完善,从而加大了市场对于汽车起重装卸尾板的需求,如今所有大中小型货车都需要配备不同规格的尾板,其起重量从250~5000kg不等。
根据国外低碳环保的要求、卡车轻量化的策略,以提高载重量。尾板也需要减轻自身重量,通常采用质量轻强度高的铝合金,同时保证了成本的增加不会过高。
目前由于政策原因国内汽车尾板并不普及,尾板的加装成本为1万人民币或者更高。中国作为以廉价劳动力著名的大国,雇主更偏向于雇佣工人而不是花大量费用去加装辅助装卸设备。且国内尾板生产商由于技术以及市场的原因,尾板的材料进本为钢材。钢材价格便宜,成本低,市场占额大,但是质量过大增加了货车的负重,减小了货物载重量。国内厂商代表:深圳凯卓立液压设备有限公司。
现有尾板安装在货车箱体的尾部机构功能包括尾板的翻转和起升,其主要工作方式为载重起升,节省了卸货工人从垂直搬运货物时的体力。但是水平装卸仍然需要人工搬运,且货箱尾部出口窄,无法大幅提高工作效率,使货车辆滞留、运输成本高。汽车尾板的发展会越来越偏向自动化、智能化,其发展目的是全自动快速卸货以此节省人力成本和运输成本。但是此类方案技术不成熟、制造成本高 、在货物种类复杂的情况下不完全通用。
1.3课题研究内容
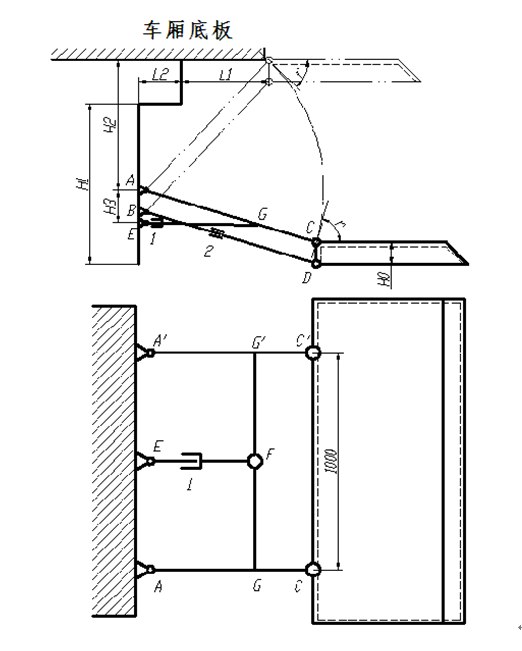
本次课题的设计对象为悬臂式汽车起重尾板,其工作过程如下:
以上是毕业论文大纲或资料介绍,该课题完整毕业论文、开题报告、任务书、程序设计、图纸设计等资料请添加微信获取,微信号:bysjorg。
相关图片展示:





课题毕业论文、开题报告、任务书、外文翻译、程序设计、图纸设计等资料可联系客服协助查找。
